My power windows and sunroof do not work at all.

Tiny
AMY2013
  • MEMBER
  • 2001 FORD TAURUS
  • 195,000 MILES
My power windows and sunroof do not work at all I replaced the motor and the fuses and the wiring is fine I dont know what else to do please help thank you
Wednesday, March 20th, 2013 AT 7:52 PM

1 Reply

Tiny
CJ MEDEVAC
  • MECHANIC
  • 11,005 POSTS
OK----HERE'S THE DEAL

I'VE BEEN SURFING AROUND LOOKING FOR SOMETHING I'M CAPABLE OF ANSWERING

SEEMS THERE ARE NO BROKEN CJ 5s OR CJ 7s, THEY SELDOM TEAR UP. SO I GOTTA FIND OTHER VICTIMS!

I DO NOT KNOW YOUR VEHICLE, FOR EXCEPT "GENERICALLY"

I'VE SEEN YOU QUESTION IN THE "WAITING ROOM" FOR QUITE A WHILE

SOME QUESTIONS DON'T GET ANSWERED. YOURS WILL NOT BE ONE OF THEM

THESE NEW RIGS ARE SO "OVER-COMPLICATED". AND THEY DON'T HAVE TO BE

THINGS ARE COMPUTER CONTROLLED---DAMPNESS AND MAYBE EVEN ASTEROID STRIKES ON JUPITER---DESTROY THESE SENSITIVE ITEMS! THERE ARE SO MANY THINGS IN THE SYSTEMS, THAT MAY REQUIRE SPECIAL EQUIPMENT TO TEST 'EM. WAY BEYOND MY EXPERTISE.

SEEMS THE WORD "MODULE" HAS BEEN TAKEN TO THE EXTREME IN THE AUTO INDUSTRY

YOU SAID YOU TESTED THE FUSESMAYBE NOT ALL OF THEM?

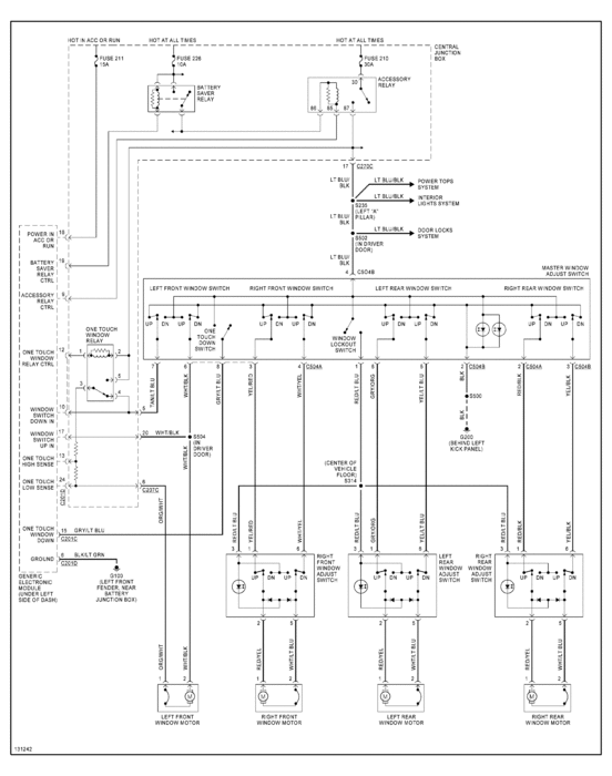
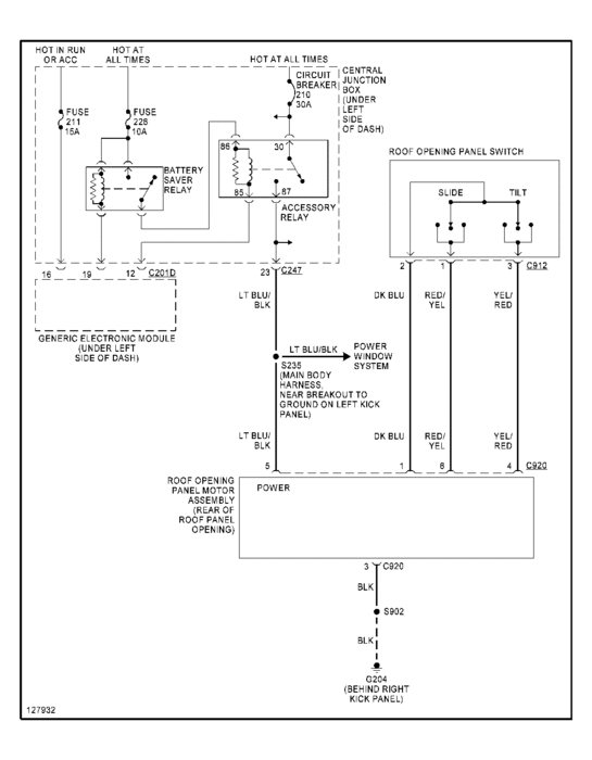
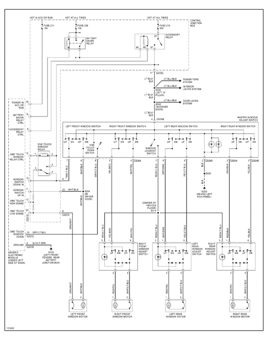
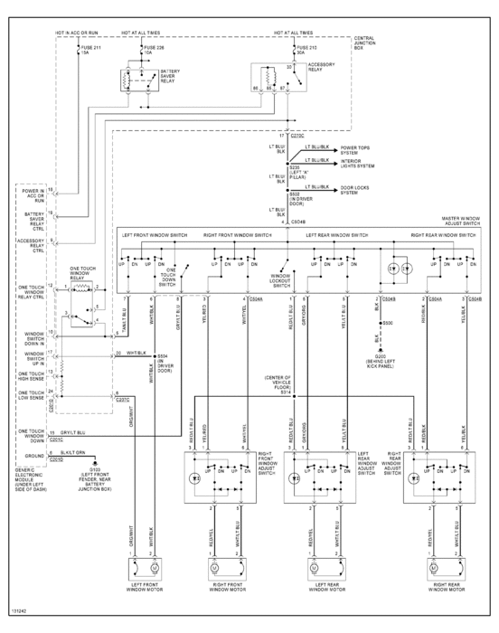
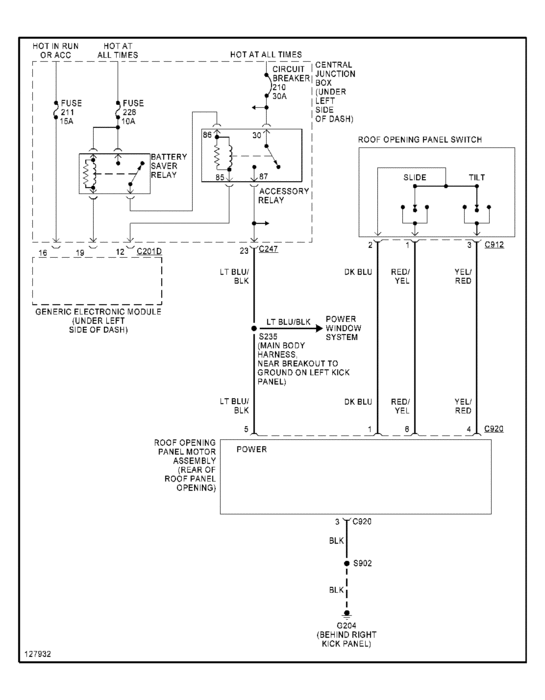
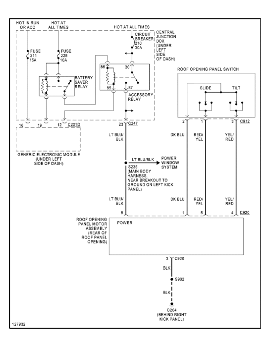
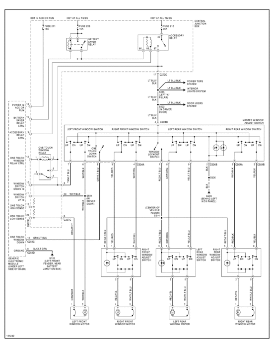
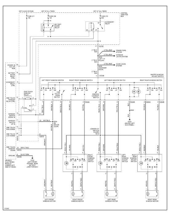
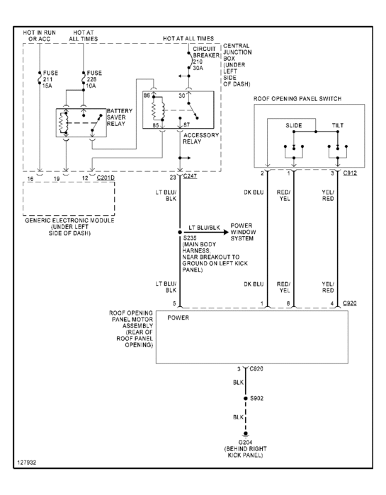
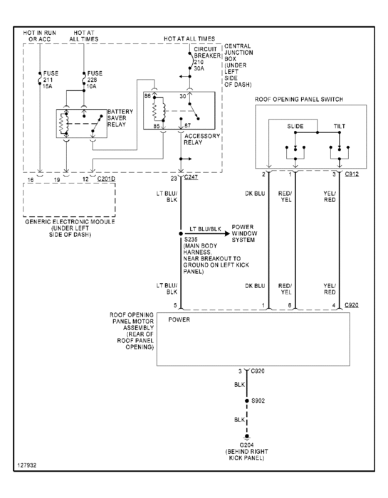
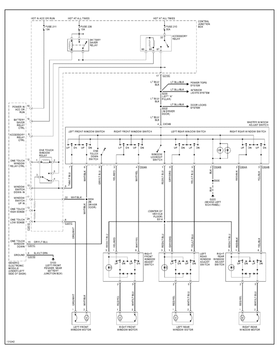
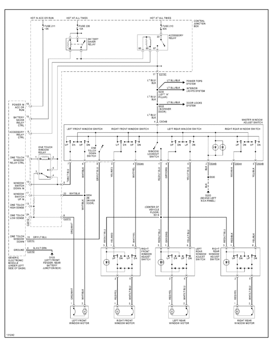
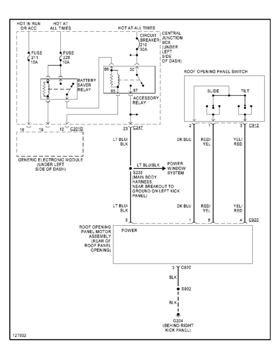
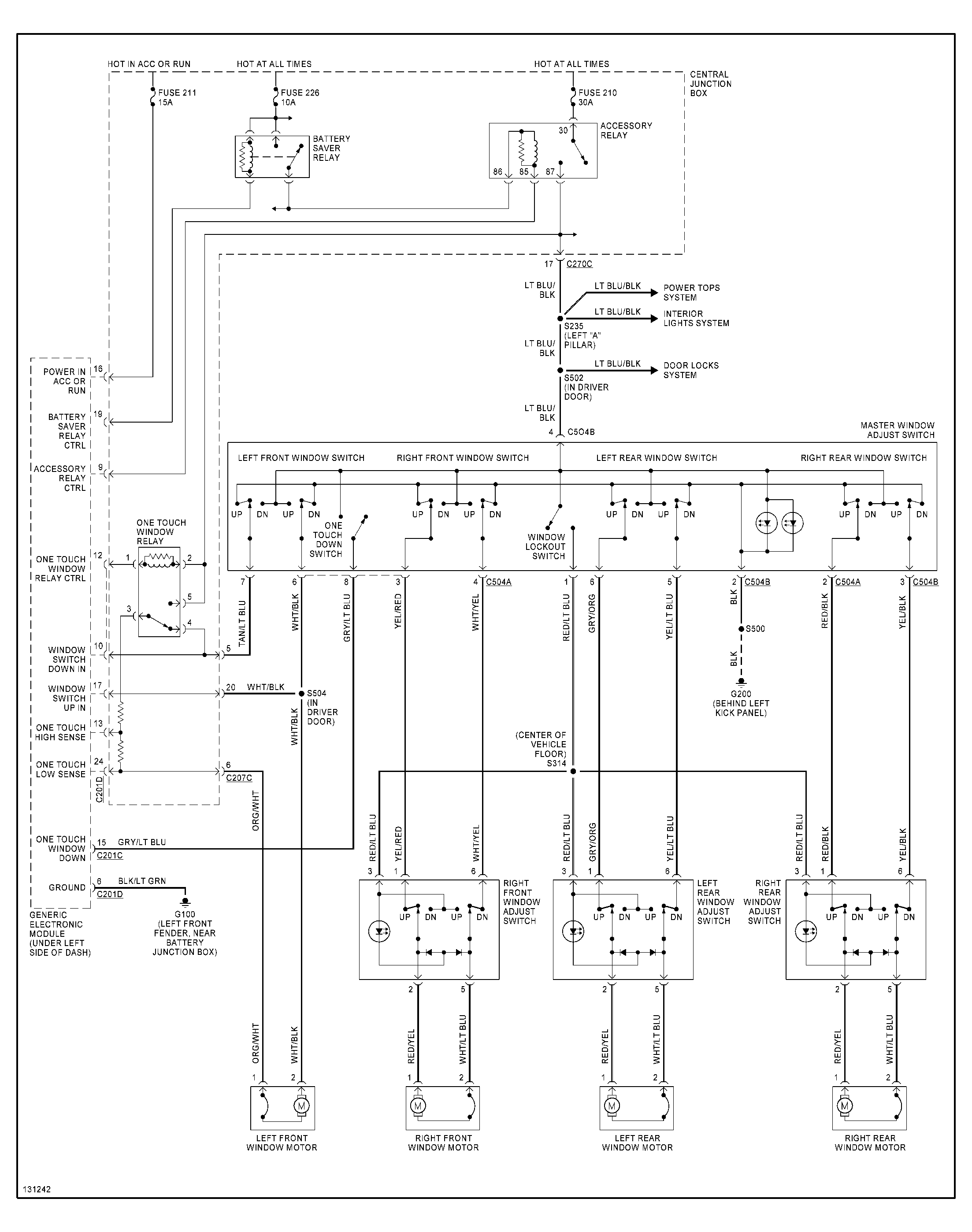
I WENT INTO "MITCHELL I" AND FOUND YOU 2 DIAGRAMS, MUCH OF THE STUFF IN THEM IS EZ TO READ---LOCATIONS OF STUFF IS ALSO WRITTEN ON 'EM

MAYBE THEY WILL SHOW A FUSE OR FUSIBLE LINK OR OTHER, THAT YOU DID NOT KNOW TO LOOK FOR

SO HERE THEY ARE:

1) POWER TOP AND SUNROOF CIRCUIT

2) POWER WINDOWS

GOOD LUCK!

THE MEDIC
Was this
answer
helpful?
Yes
No
-1
Tuesday, March 26th, 2013 AT 2:22 AM

Please login or register to post a reply.