Where is the fuse/relay for horn located?

Tiny
LANDONBALLARD
  • MEMBER
  • 2001 FORD RANGER
  • 150,000 MILES
I have searched all over the internet and I cannot find where the fuse or relay is for the horn it keeps blowing, I am just trying to pull the fuse, so it won’t keep going over and over again.

The truck listed above is an XLT.
Sunday, February 12th, 2023 AT 8:48 PM

1 Reply

Tiny
JACOBANDNICKOLAS
  • MECHANIC
  • 110,192 POSTS
Hi,

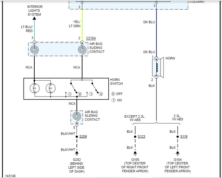
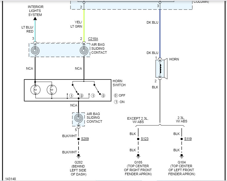
If you look below, I attached the wiring schematic and highlighted the fuse and relay. I'm not sure what engine or package your truck has, but that is for a standard truck.

The last two pics show the relay and fuse locations.

Let me know if this helps.

Take care,

joe
Was this
answer
helpful?
Yes
No
+3
Sunday, February 12th, 2023 AT 8:58 PM

Please login or register to post a reply.