HOME
ASK A QUESTION
REPAIR GUIDES
BECOME A MEMBER
LOG IN
Login with Facebook
OR
Remember me
NOT A MEMBER?
FORGOT PASSWORD?
CONTACT US
PRIVACY POLICY
TERMS AND CONDITIONS
☰
Home
Chevrolet
Impala
Emission
EVAP
Hose
Location
2001 Chevrolet Impala HOSE. Early Fuel Evaporation
LUI415
MEMBER
2001 CHEVROLET IMPALA
3.8L
AUTOMATIC
151,000 MILES
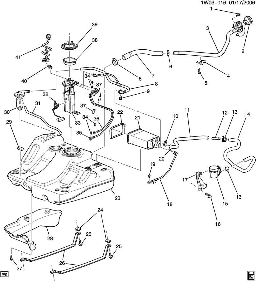
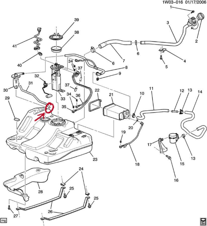
Where is this hose suppose to connect to
#31 hose
Image (Click to make bigger)
Tuesday, December 30th, 2014 AT 11:26 AM
3 Replies
HMAC300
MECHANIC
48,601 POSTS
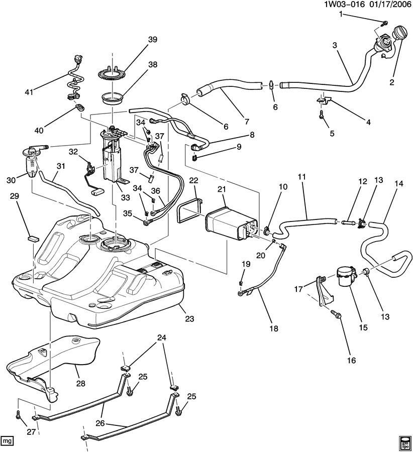
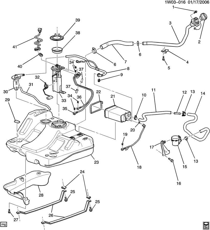
See pic
Image (Click to make bigger)
Was this
answer
helpful?
Yes
No
Tuesday, December 30th, 2014 AT 12:52 PM
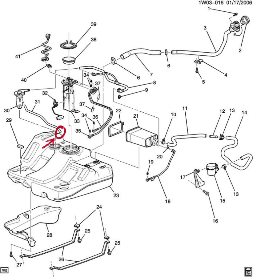
LUI415
MEMBER
2 POSTS
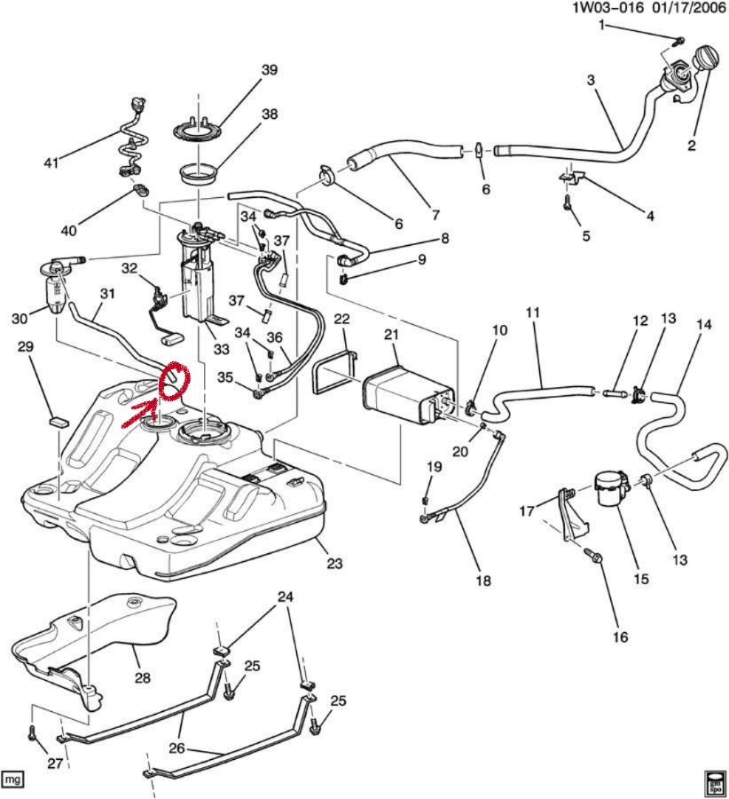
Where does the Circled area connect to?
Image (Click to make bigger)
Was this
answer
helpful?
Yes
No
+1
Tuesday, December 30th, 2014 AT 7:24 PM
HMAC300
MECHANIC
48,601 POSTS
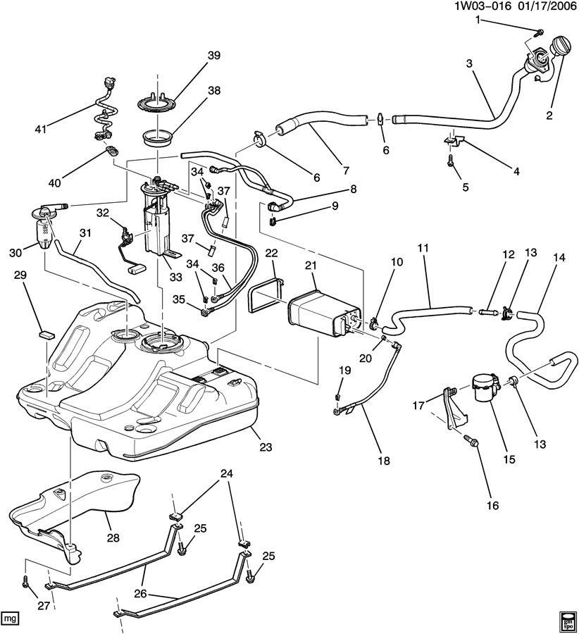
It's a drain hose for vent
Was this
answer
helpful?
Yes
No
Wednesday, December 31st, 2014 AT 6:46 AM
Please
login
or
register
to post a reply.
Related EVAP Hose Location Content
Evap Service Port
A Hose Is Cracked On Evap Service Port
Asked by
CiaraTt
·
3 ANSWERS
2001
CHEVROLET IMPALA
2006 Chevy Impala What Is A Vent Solenoid Sensor
I'm Trying To See What A Vent Solenoid Sensor And That Say That I Need One Or I Won't Be Able To Pump My Gas In My Car
Asked by
patris
·
1 ANSWER
2006
CHEVROLET IMPALA
2007 Chevrolet Impala Code P24306
I Had Codes P2430 & P0411 On My Impala I Replaced The Canister Vent Solenoid In The Back Of Car And A Vent Solenoid Sensor In Engine H...
Asked by
soconnor3709
·
5 ANSWERS
1 IMAGE
2007
CHEVROLET IMPALA
Put New Egr Valve On A 2001 Chevy Impala But Engine...
My Son Inlaw Put A New Egr Valve In Mt Car. Cleaned Out The Ports. The Engine Light Came Back On. Ii Took It Down To Another Of My Son...
Asked by
jmdlight
·
3 ANSWERS
2001
CHEVROLET IMPALA
Replace Pcv On A 2005 Impala 3400 Eng
I Got A Check Engine Light And Had It Checked At Auto Zone. The Code Came Up As The Pcv Ws Bad. There Is A Metal Bracket Riveted To The...
Asked by
bktourer1
·
1 ANSWER
2005
CHEVROLET IMPALA
VIEW MORE
Ask a Car Question. It's Free!
How to Read Trouble Codes
Code Read Retrieval/Clear Mercedes-Benz C230
Code Read Retrieval/Clear Honda