Does not idle well at cold I am getting codes.

Tiny
J.STIEG
  • MEMBER
  • 2001 CHEVROLET IMPALA
Does not idle well at cold I am getting codes P0300, P0420, P0420pd.
also a getting a no crank condition every now and then.
Tuesday, November 13th, 2012 AT 9:15 PM

8 Replies

Tiny
HMAC300
  • MECHANIC
  • 48,601 POSTS
Check the battery for condition first that may be gining you all the codes. Then check you rfuel pressure also the code 420 means is a catalytic converter but it cold be an O2 sensor not working as well.
Was this
answer
helpful?
Yes
No
Tuesday, November 13th, 2012 AT 11:27 PM
Tiny
J.STIEG
  • MEMBER
  • 361 POSTS
Battery voltage 14.7v while running, Has always cranked good.
Fuel pressure is 52psi at idle and will go up to 58 at a quick WOT
The o2 sensor paremators seemed a little low at.050v to.750v
Was this
answer
helpful?
Yes
No
Tuesday, November 13th, 2012 AT 11:52 PM
Tiny
HMAC300
  • MECHANIC
  • 48,601 POSTS
When I said check battery for condition it doesn'tmean what it h as at idle. It needs to be load tested while not running after about a minute from shutdown. Check for a vacuum leak if this is a 3.4 it may be a bad intake gasket leaking. Also find offending cylinder that is misfiring an dmake sure it's not a plug or wire and check compresssion. Check fuel pressure with key on and engine off if below 52 psi it's probably a bad pump it shold hlod pressure for about 10 minutes if not take to apro and let him check it out it may be an injector problem.
Was this
answer
helpful?
Yes
No
Wednesday, November 14th, 2012 AT 12:02 AM
Tiny
J.STIEG
  • MEMBER
  • 361 POSTS
Had a crack in the intake manifold and could hear hissing, it so I replaced it. Seem much more responsive, but then after 5min I went back to being unresponsive I suspect faulty o2 sensors making the engine run too lean in closed loop.

Battery load tested came out as good.
Fuel pressure 52psi at KOEO and stayed there for 10 min
Good compression, plug wires, Ignition
Intake manifold crack repaired, no other vacuum leaks.
"MIL is off"
Was this
answer
helpful?
Yes
No
Thursday, November 15th, 2012 AT 5:14 AM
Tiny
HMAC300
  • MECHANIC
  • 48,601 POSTS
I suspect the scanner you are using is one form an auto store which won't read what the O2 sensors are actually doing. If they are working allright thenther eis no need to replace them but you need apro type scanner to find out if they are bad or not. Because you have a code 420 or had that, check vacuum at idle if 15" or below suspect clogged converter on rh bank. As I think 420 is bank 2. If you have a no mil light now andhave canceled evrything then also check for a clogged egr valve which can cause this. If the engine was running lean then it would activate the mil light. Other than that I have no idea what to tell you.
Was this
answer
helpful?
Yes
No
Thursday, November 15th, 2012 AT 1:54 PM
Tiny
J.STIEG
  • MEMBER
  • 361 POSTS
I actually do have a scanner that will view o2 activity. LT fuel trim % -14,

ST fuel trim around zero but it will fluctuate with throttle movement.
Was this
answer
helpful?
Yes
No
Thursday, November 15th, 2012 AT 4:12 PM
Tiny
J.STIEG
  • MEMBER
  • 361 POSTS
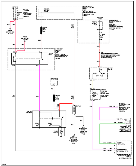
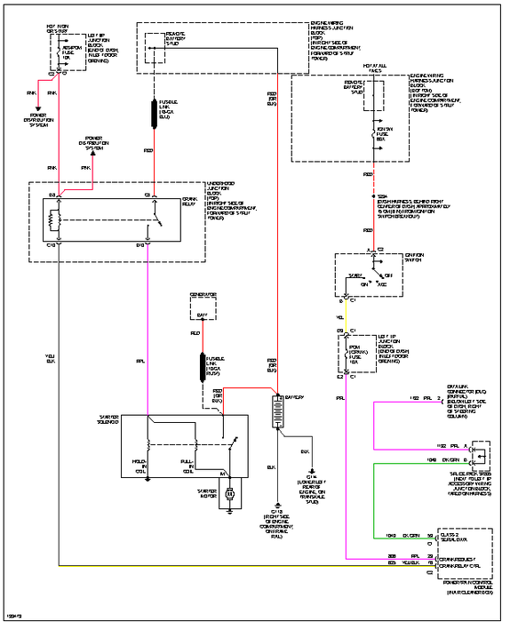
Can you get me a better diagram of the starting system. I think is one of those integrated PCM systems. Thanks
Was this
answer
helpful?
Yes
No
Sunday, November 18th, 2012 AT 2:44 AM
Tiny
HMAC300
  • MECHANIC
  • 48,601 POSTS
Actually you never asked for a starting diagram but here it is anyhow. Also a comon problem for starting is an ignition switch especially if intermittent.
Was this
answer
helpful?
Yes
No
Sunday, November 18th, 2012 AT 2:51 PM

Please login or register to post a reply.