2001 Cadillac Seville SLS malfunctioning DDM

Tiny
BARTYDOM
  • MEMBER
  • 2001 CADILLAC SLS
  • 102,000 MILES
My research indicates that I have a malfunctioning DDM. Is there a way to determine by myself if the DDM is shot? If so, do you think a novice could manage the repair? If so, how is it done? I am really trying to avoid the dealer and my mechanic is scratching his head regarding the issue and is trying to chase me to the dealer. Thank you very much.
Wednesday, December 21st, 2011 AT 3:23 AM

17 Replies

Tiny
FACTORYJACK
  • MECHANIC
  • 4,159 POSTS
The good part about your vehicle, is all of the door modules are the same part number. This would isolate a faulty one, if you swap with another door. If your problems follow, then it is the module. These are plug and play modules, there is no programming involved. If you are confident in removing a door trim panel, then you can perform the task. What are the symptoms that you are being faced with?
Was this
answer
helpful?
Yes
No
Wednesday, December 21st, 2011 AT 5:09 AM
Tiny
BARTYDOM
  • MEMBER
  • 11 POSTS
Thank you very much for the reply. Sorry about the double post, I tried to clear it before you looked at it. My heat/AC wasn't working right, the heat would take a long time to come on and then would get stuck there, that is, it wouldn't switch over to AC when I turned the nob. Also, it was hit or miss whether or not the heated seats would come on. It didn't bother that much until the service engine light came on. So I took the car to the mechanic who put in a new water pump, thermostat, air injection pump and replaced a melted pig tail connector. The service engine light is off now and the heat/ac and heated seats were working for a couple of days. Now, however, the heat is stuck on one setting again and the heated seats don't come on at all. The reason I bring up the DDR is that when I hit the number 1 button on the power seat panel the heater shuts off and the radio comes on. The same kind of thing happens when I hit the number 2 button. This was happening before I brought the car to the mechanic. I posed this button question on 2carpros a while ago and you came back with the DDR possibility. Anyway, I brought the car back to the mechanic and he said that I just needed to "reset" the power seats, which I tried, but that didn't work. I don't think they have Tech 2 diagnostics and they really can't figure it out. Sorry about the long post but I just thought I might be able to somehow avoid going to the dealer. It's not that I'm cheap, it's just that I can't manage to get there at this time. If I had an idea about what to try, I could bring the car to another local mechanic who would work with me on getting the door off and figuring it out. Thanks again!
Was this
answer
helpful?
Yes
No
Wednesday, December 21st, 2011 AT 5:59 AM
Tiny
BARTYDOM
  • MEMBER
  • 11 POSTS
Amazingly, the heater/ac and the heated seats, this very moment, came on, after not working for 2 days. Thanks again.
Was this
answer
helpful?
Yes
No
Wednesday, December 21st, 2011 AT 4:34 PM
Tiny
BARTYDOM
  • MEMBER
  • 11 POSTS
Now, since I turned the car off and then restarted it, the problem returned, as I knew it would. Thanks.
Was this
answer
helpful?
Yes
No
Wednesday, December 21st, 2011 AT 5:35 PM
Tiny
FACTORYJACK
  • MECHANIC
  • 4,159 POSTS
I will get back to you as soon as I can. I m currently at work, and can't take the time to process your info. I am not suspecting a module fault, but like I say, need to process the info, and do some research.
Was this
answer
helpful?
Yes
No
Wednesday, December 21st, 2011 AT 6:39 PM
Tiny
BARTYDOM
  • MEMBER
  • 11 POSTS
No problem at all. Thanks.
Was this
answer
helpful?
Yes
No
Wednesday, December 21st, 2011 AT 7:12 PM
Tiny
FACTORYJACK
  • MECHANIC
  • 4,159 POSTS
In an attempt to decipher the information that you posted, I will address some things, and I may require more information, in an effort to help. Aside from the heat/ac, and heated seat issue, you mention changes that occur when you press #1 or #2. Changes are going to occur, and this is a normal part of personalization settings. The reason the heater shuts off, and the radio comes on, is that I believe when the #1 memory was set, the heater was probably off, and the radio was on. And likewise, a different set of parameters was stored when driver #2 memory was set. To test this, make some changes to the heater, and radio, and go through the procedure of storing them for a specific driver. Change between 1 and 2, and see if the changes you made, are the ones that appear for each respective position.

You say that the heated seats, and the heater stop working at the same time. Lets talk first about the heat/ac. In taking a long time to come on, does that mean that the display is on, the fan is blowing, and there is just no warm air emitted from the vents. Give some specifics on this. When you are experiencing a fault in operation, what is happening? What does the display do, is it(display) responding to temperature changes with the ****, mode changes with the buttons, and is the fan operating? Take into consideration, that the system may not run the fan for a bit of time, if the engine is started stone cold, and you are requesting heat. If the engine temperature is stone cold, then it knows it can't accomplish a heat request. It should come on as the temperature increases a bit.

The heated seats, does both the driver and passenger work, and not work at the same time? Does the switch indicator turn on and respond to pressings(e.G. Hi/Med/Lo), when the heated seats are non-functional? If it does, listen at the front of the seat bottom cushion, when the heated seat is first cycled on, in fact you can also do this when it functions. You will hear a relay click inside of the heated seat module. If you can key in on this click, take a mental note. If you hear one click when turned on, I would assume that the seat heater is going to warm, verify that. If you hear one click, and then a second similar click shortly after, the system has shut back off due to over-current. This is key to determining if you have a heated seat problem, which all Cadillac K bodies(Seville/Deville) did, in the early 2000 models.

Lastly, you have the capability on your vehicle, of performing a preliminary check that only a scan tool like the Tech 2 is capable of, that is getting trouble codes from modules that other scanners can't. You will need a writing utensil, and some paper to record the codes, and record all of them. Start by turning the key to the 'on' position. Press and hold both the 'info' button upward, and the 'on/off' button together. After a few seconds of holding, all the display segments will light, and you can release the buttons. Your info center will display 'ALL?', Press the 'on/off' button again. The display should now read 'ALL CODES?', And press the 'on/off' button again. The system will display codes for all modules(that are communicating) in alphabetical order by module. The reason I say 'that are communicating', is that if a module is not communicating, you may not even see it on the list of availables.

Get as much specifics on the faults, that you can gather. Record codes and reply to this post.
Was this
answer
helpful?
Yes
No
Thursday, December 22nd, 2011 AT 5:33 AM
Tiny
BARTYDOM
  • MEMBER
  • 11 POSTS
Hey Buddy, I appreciate you hanging in there with me on these problems. I'll make it up to you when we wrap it up.

You were right about the seats and the door buttons. They had different settings. I reset them and now they work fine and have no effect on the heat/ac. Thanks. Regarding the heater/ac, I am talking about the problems occuring when the car is warmed up. Also, the control nob does work in that the temp digits on the display move up or down when you turn the nob. Also, the fan goes up or down when you use the manual fan button. What happens is that (for instance) if the heat is on 90 and you turn it down the blower will slow down but the temp will stay the same. Even when you get down to 65, the temp will stay stuck at 90. It won't switch over to the ac and just stays at the same temp. You can't hear tthe shifting sound that you do when it's working right. As far as the heated seats go, the Hi Lo lights don't come on at all.

Please keep in mind that sometimes, after I've been driving for a while, something will kick in and everything works fine. Then, when I shut the car off and restart, the problems start again. I did find some codes but I'll have to send them in a little while. Thanks again!
Was this
answer
helpful?
Yes
No
Friday, December 23rd, 2011 AT 12:27 AM
Tiny
BARTYDOM
  • MEMBER
  • 11 POSTS
Here are the codes I came up with. IRC U1016, MSM U1000, RIM U1255, TTM U1016. Thanks.
Was this
answer
helpful?
Yes
No
Friday, December 23rd, 2011 AT 1:17 AM
Tiny
FACTORYJACK
  • MECHANIC
  • 4,159 POSTS
First of all, thanks for the info. I will see what I can offer, but this long distance relationship format, can limit some abilities. I consider automotive repair and troubleshooting, more of a hands on affair.

Just an FYI, any code with U prefix is a communications fault code. It appears as though none of these have any relevance.

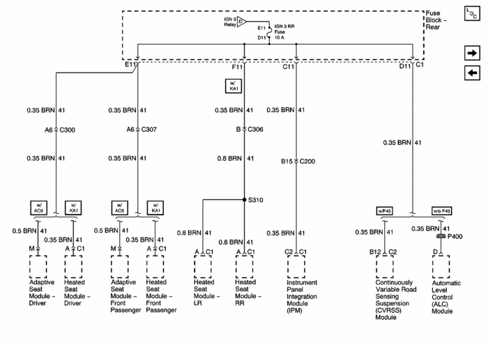
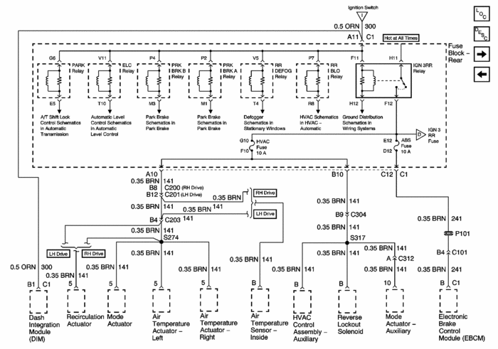
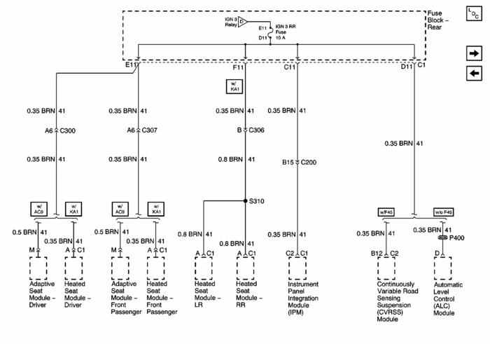
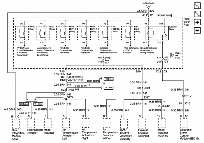
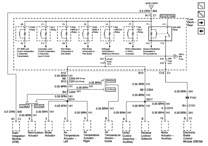
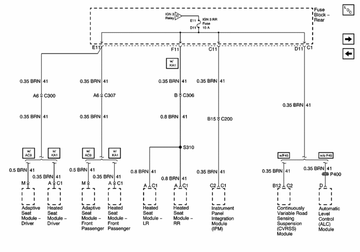
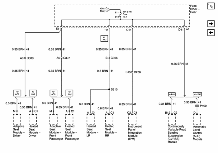
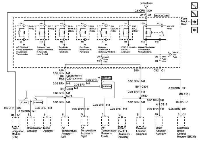
So, looking at the most recent info, it appears that the concern only affects heat/ac, and heated seats. I don't know if you have checked, but does this make both front heated seats inoperative, or all four(front/rear). The heated seats are pretty much their own system, with a little influence from the rear integration module, to inhibit operation when low voltage permits load shedding. I looked at the service information, for some common ties between the heated seats, and AC operation. Coincidentally there are some ties, that could suggest a power loss problem. All four heated seat modules are supplied ignition power from the IGN 3 RR fuse in the rear fuse block, and without ignition power to the modules, it looks like the switches will be inoperative, all four. Looking at the distribution of this fuse, it also feeds power to the instrument panel module(A/C control head), and to the level control system. You may not even know if the level control system is working or not, there is no visual indicator. This IGN 3 fuse is powered by the IGN 3 relay. This elay also supplies power to the HVAC fuse, and the ABS fuse. This is where the two systems would tie together mostly, in my opinion. The kicker, and the information I have yet to locate, is what this ignition feed to the ABS system does, and why you don't either have an ABS code, or a light that comes on.

The HVAC fuse supplies power to all the actuators, mode/temp, and auxiliary(rear), as well as the auxiliary control head, so check it also. Is it blank when you are having the other symptoms?

Here is what I would look at, and what I would suggest as a preliminary. First, if the symptoms are not present, remove the IGN 3 RR fuse from the rear fuse block, and run a check to see what happens. If all the symptoms that are present with only that fuse removed, are exactly the same as the ones you are getting, that would suggest a power problem from that circuit. Possibly a poor connection from the fuse block itself.

If the symptoms are not exactly the ones you see intermittently, then reinstall the fuse, and then remove the IGN 3 relay. Re-evaluate the symptoms from there, determine if they are exact. If they are, swap that relay out, with another of similar look/number. There should be a few in that fuse block tha could be swapped for test purposes. Re-evaluate after that. If the symptoms no longer appear, you have a faulty relay. If the symptoms do appear, this could suggest that you possibly may have a faulty ignition switch. It would have to be verified, that power and ground are not present to energize the relay, prior to condemning the ignition switch.

I will attach for you, the schematics that I am referencing. Hopefully, we can keep it basic, and have a faulty relay.
Was this
answer
helpful?
Yes
No
Friday, December 23rd, 2011 AT 5:13 AM
Tiny
FACTORYJACK
  • MECHANIC
  • 4,159 POSTS
Another note, if we are to suspect an ignition switch, look at those other relay feeds in the schmatic, and check for symptoms wit those. Things like the park brake release, whether or not you can shift from park without applying the brake, rear defogger work, etc.
Was this
answer
helpful?
Yes
No
Friday, December 23rd, 2011 AT 5:18 AM
Tiny
BARTYDOM
  • MEMBER
  • 11 POSTS
Thanks again. I should have told you that both back heated seats are in working order. H

Could you please clarify what I am looking for here? "The HVAC fuse supplies power to all the actuators, mode/temp, and auxiliary(rear), as well as the auxiliary control head, so check it also. Is it blank when you are having the other symptoms?"

I think I know what to try based upon the fact that the back seats are working. I just need to know, again, Â what or how I check the auxillary control head.

Thanks again.
Was this
answer
helpful?
Yes
No
Friday, December 23rd, 2011 AT 7:17 AM
Tiny
BARTYDOM
  • MEMBER
  • 11 POSTS
Also, I know it's tough trying to figure this out on line, so whenever you feel that we've beaten it to death, just let me know. Thanks.
Was this
answer
helpful?
Yes
No
Friday, December 23rd, 2011 AT 7:25 AM
Tiny
FACTORYJACK
  • MECHANIC
  • 4,159 POSTS
Since the HVAC fuse is supplying power to only the actuators, it would seem to make sense that you would have HVAC system concerns at the same time as heated seat concerns. Since the rear HVAC control head is out of visibility, when the symptoms are occurring, take the extra step and see if the rear head is also working. I currently have a 2000 STS that I checked by removing the fuse. The heated seat switches for the front were inoperative, but the HVAC seemed functional.
Was this
answer
helpful?
Yes
No
Friday, December 23rd, 2011 AT 4:49 PM
Tiny
FACTORYJACK
  • MECHANIC
  • 4,159 POSTS
Also, on the car that I have, I removed the IGN 3 relay(#49), and immediately the ABS, red brake warning indicator, and TC icons illuminated.
Was this
answer
helpful?
Yes
No
Friday, December 23rd, 2011 AT 4:51 PM
Tiny
BARTYDOM
  • MEMBER
  • 11 POSTS
Jesus, you were right about being able to put the car in gear without pressing on the brake. You were also right about the parking brake. In fact, I applied the parking brake and now it's stuck. The manual release won't work either. Unless you can tell me another way to release the parking brake, I'm screwed and will have to be towed to the dealer and the kids won't get their new christmas shoes.
Was this
answer
helpful?
Yes
No
Friday, December 23rd, 2011 AT 6:36 PM
Tiny
FACTORYJACK
  • MECHANIC
  • 4,159 POSTS
Is the car currently in freezing temperatures, to where the cables could be frozen in their sleeves. I know of no other way of releasing the park brake, if the manual release don't work, other than cutting the main cable. If the reason it is not releasing, is it is stuck in the cables, you should be able to pull up on the pedal when the manual release is activated.
Was this
answer
helpful?
Yes
No
Friday, December 23rd, 2011 AT 6:54 PM

Please login or register to post a reply.