Monday, November 22nd, 2010 AT 1:49 AM
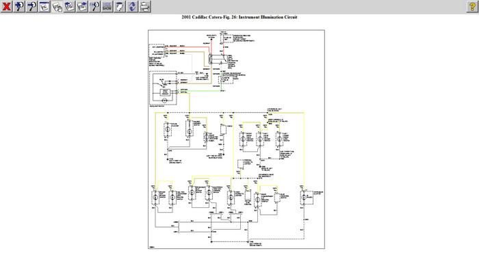
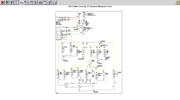
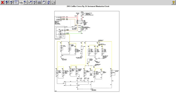
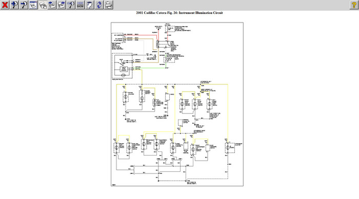
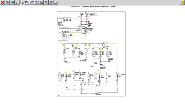
Hi there I have catera 2001 and I put a radio in it and after I missed with the wire and put thim all back together the radio works but I lost my dash light the car is all dark inside at night I did check out the fuse box all the fuses look good, so I dont know if its circuit or main fuse some were because it all went off together and the radio just works fine, so please a helpfull answer. Thank you


