Does the hot lead on a 2001 Audi A4 symphony radio have a fuse?

Tiny
VET69TER
  • MEMBER
  • 2001 AUDI A4
  • 105,500 MILES
Having problems getting juice to the red/blue constant radio wire.
Sunday, January 22nd, 2012 AT 12:23 AM

3 Replies

Tiny
RIVERMIKERAT
  • MECHANIC
  • 6,110 POSTS
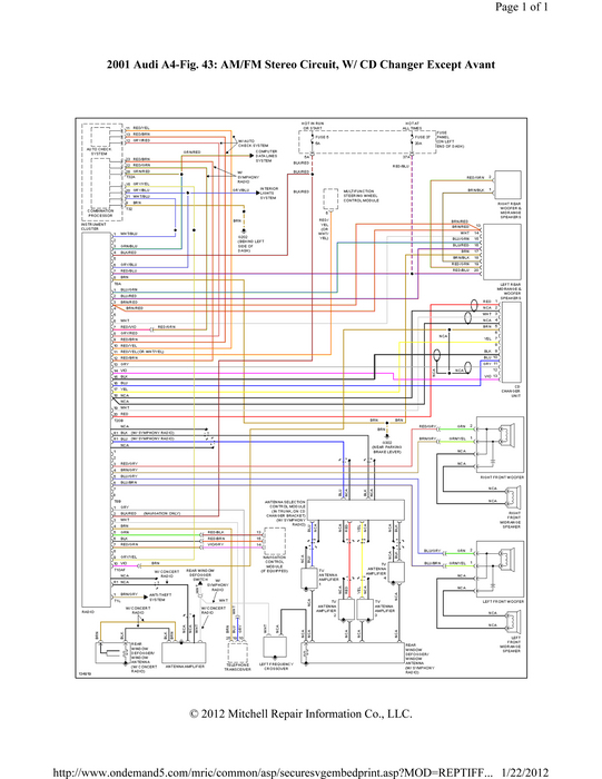
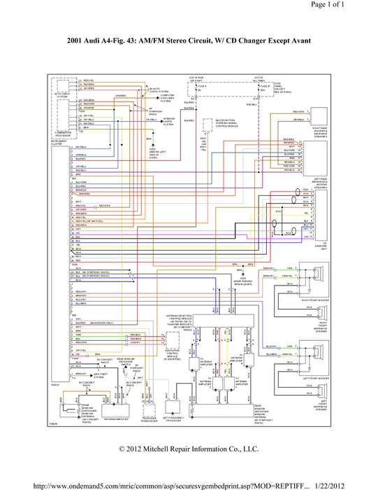
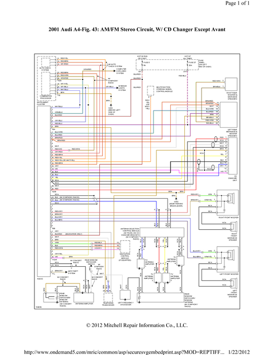
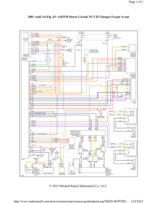
If it's stock it should get its circuit protection from a fuse in the fuse panel.I have the schematics, but I need to know, w/ or w/out Avant, w/ or w/out CD Changer. I have 4 options.
Bose, w/out Avant, Bose w/ Avant, w/ CD changer w/out Avant, w/ CD Changer w/out Avant.
Was this
answer
helpful?
Yes
No
Sunday, January 22nd, 2012 AT 12:40 AM
Tiny
VET69TER
  • MEMBER
  • 2 POSTS
Thanks for getting back to me. The radio is not a Bose but has a CD changer.I was able to find the Fuse but my problem is that I have 3 different color coded wiring diagrams. What ever you can do to Help would be appreciated.
Was this
answer
helpful?
Yes
No
+1
Sunday, January 22nd, 2012 AT 2:20 PM
Tiny
RIVERMIKERAT
  • MECHANIC
  • 6,110 POSTS
2 options.
Was this
answer
helpful?
Yes
No
Monday, January 23rd, 2012 AT 4:54 AM

Please login or register to post a reply.