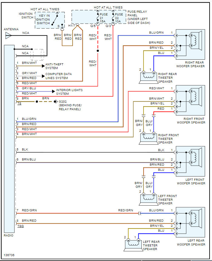
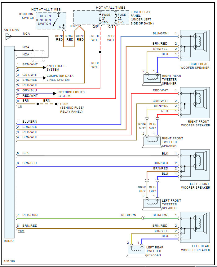
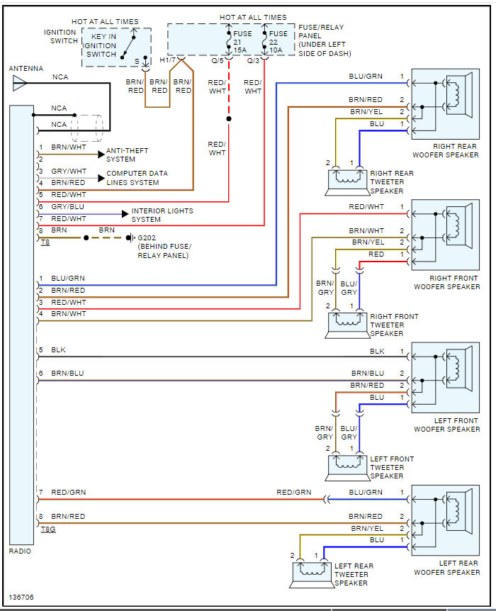
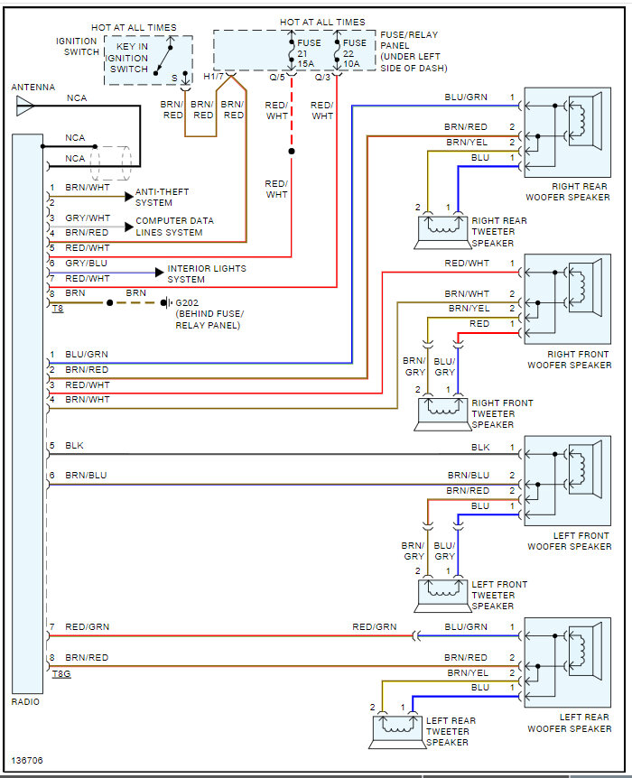
Sunday, November 21st, 2010 AT 7:18 PM
No power to radio after replacing battery on 2000 VW Cabrio. Checked fuses 21 and 22, neither are blown. Radio was fine until battery was replaced, now has no power to it.

