Radiator fan will not turn off

Tiny
BOGGER66
  • MEMBER
  • 2000 VOLKSWAGEN BEETLE
  • 84,000 MILES
The radiator fan was not working, checked fuses and one started working the fans, now they will not shut off. I replaced the temperature control switch, thermostat, outlet flange, pulled the fan control module looked for corrosion, none. Bought a used fan module and it operates the same.
The fans will continue to run after car is turned off, they turn off when fuse on top of battery is pulled. They stay off until you start the car, then they start when cold and run constant.
I did not change the temperature sensor,
Could it be that or fuses in the passenger compartment?
Monday, December 24th, 2012 AT 12:53 AM

11 Replies

Tiny
JACOBANDNICKOLAS
  • MECHANIC
  • 110,192 POSTS
Fuses would not cause it to run all the time. I would think you have a bad fan relay or temperature sensor.
Was this
answer
helpful?
Yes
No
+3
Monday, December 24th, 2012 AT 12:59 AM
Tiny
EXOVCDS
  • MECHANIC
  • 1,883 POSTS
Tell the experts which fuse so that they can trace the circuit and tell you what the problem might be.

Which one of the 3 green fuses?

Thomas
Was this
answer
helpful?
Yes
No
+4
Monday, December 24th, 2012 AT 2:05 AM
Tiny
BOGGER66
  • MEMBER
  • 8 POSTS
Pulled the 30 amp on top of battery, changed the switch in the radiator and changed the fan control module with a used one acted the same. Could it be the temperature sensor on the coolant outlet flange?
Was this
answer
helpful?
Yes
No
+3
Monday, December 24th, 2012 AT 2:50 AM
Tiny
BOGGER66
  • MEMBER
  • 8 POSTS
It was the 30 amp fuse to the far left that shut the fan off when pulled.
Was this
answer
helpful?
Yes
No
+4
Monday, December 24th, 2012 AT 5:01 AM
Tiny
EXOVCDS
  • MECHANIC
  • 1,883 POSTS
Thank you for re-reading what I posted. Now that I have the information, I can tell you what to check.

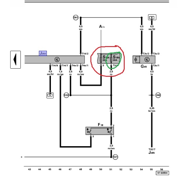
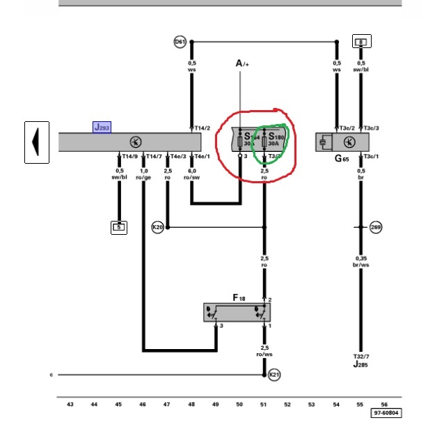
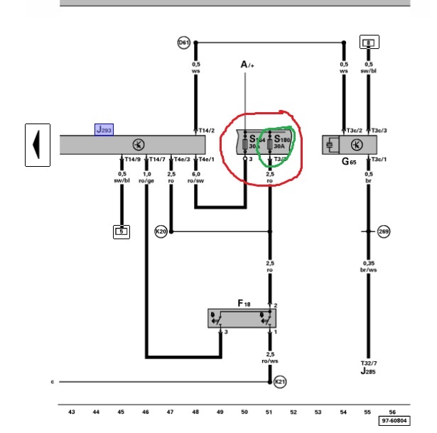
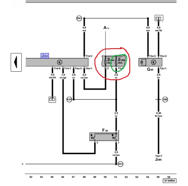
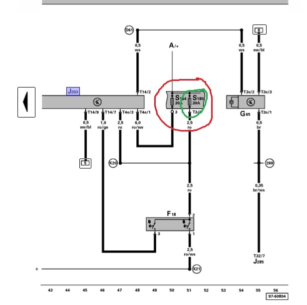
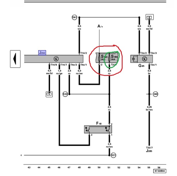
Attached are two images, one shows the fuses that provide power to the fan module (fuses S164 and S180).

S180 is the fuse you pulled. Looking at the diagram, you can see that that fuse feeds power to the radiator fan switch F18.

The switch is located on the radiator below the battery. Is that the switch you already replaced?

Thomas
Was this
answer
helpful?
Yes
No
+3
Monday, December 24th, 2012 AT 5:27 AM
Tiny
BOGGER66
  • MEMBER
  • 8 POSTS
I Changed the temperature sensor on the coolant outlet flange.
So to date I have changed the temperature switch on radiator, I changed thermostat, tried different used fan relay. I also pulled fuse number #16 it shuts the fans off when nothing else does. I looked up the fuse and it controls ac clutch. What would be the next trouble shoot step.
I should mention that the car was in a fender bender and the evaporator radiator was damaged and the refrigerant leaked out. Would that have anything to do with the fans staying on.
Was this
answer
helpful?
Yes
No
+1
Thursday, December 27th, 2012 AT 10:31 PM
Tiny
EXOVCDS
  • MECHANIC
  • 1,883 POSTS
As you can see from the above diagram, fuse S180 (far left on battery) supplies power to the fans and the Control Module.

Pulling the fuse cuts power to those items.

Pulling fuse #16 inside the car, cuts power to the Module. Both cases the fans shut off.

The module receives inputs from sensors and switches and turns the fans on accordingly.

Depending on which air conditioner system you have, there are different sensors that check the pressure in the system. A fault with that sensor or wiring could
trigger the Coolant Fan Control Module to turn the fans on.

Leave fuse #16 (at the side of the dash) out and run engine to see if the fans come on via the "Radiator Fan Switch" (on the side of the radiator by the battery) if the radiator hoses feel too hot after some time and the fans have not come on. Turn the engine off and let cool down.

The fans should still come on since fuse #S180 supplies power to the low speed take the car to an air conditioner specialist to get the system checked out.

Thomas
Was this
answer
helpful?
Yes
No
Thursday, December 27th, 2012 AT 11:33 PM
Tiny
BOGGER66
  • MEMBER
  • 8 POSTS
Would the ac cutoff switch be a possible problem? Where is the air conditioner cut off located on the 200o 2.0 liter beetle?
Thanks for your help
Was this
answer
helpful?
Yes
No
-1
Friday, December 28th, 2012 AT 12:30 AM
Tiny
EXOVCDS
  • MECHANIC
  • 1,883 POSTS
Have a look at the attached image.

Thomas
Was this
answer
helpful?
Yes
No
Friday, December 28th, 2012 AT 12:36 AM
Tiny
BOGGER66
  • MEMBER
  • 8 POSTS
My coolant outlet flange did not have the air conditioner cutoff switch it has a plug in the spot in the picture.
Is that normal?
Was this
answer
helpful?
Yes
No
-1
Friday, December 28th, 2012 AT 1:41 AM
Tiny
EXOVCDS
  • MECHANIC
  • 1,883 POSTS
Like I said earlier there are differences is air conditioner systems during production (not all are the same).

It could be in the lower radiator hose, have a look for the sensor there.

As long as the fans come on with #16 fuse removed, it'll be fine to drive as is, so that you can deal with the air conditioner at a later time.

Thomas
Was this
answer
helpful?
Yes
No
Friday, December 28th, 2012 AT 1:49 AM

Please login or register to post a reply.