Tuesday, November 26th, 2013 AT 11:08 AM
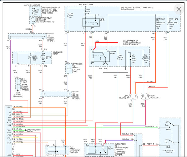
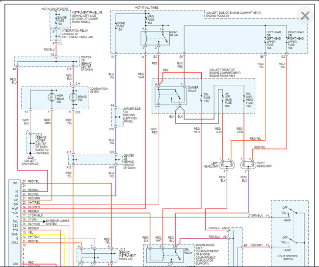
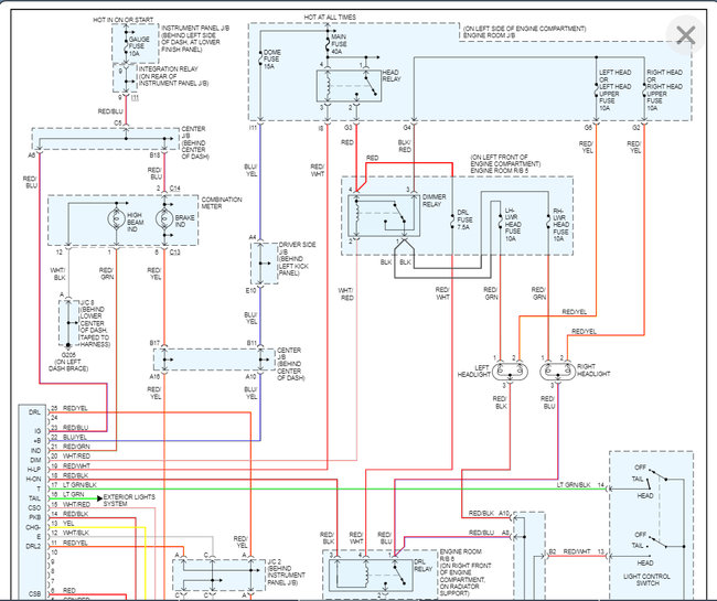
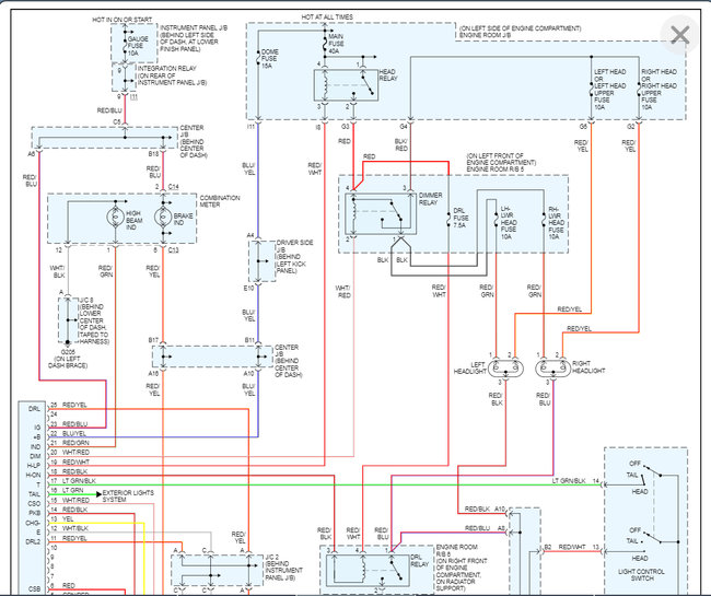
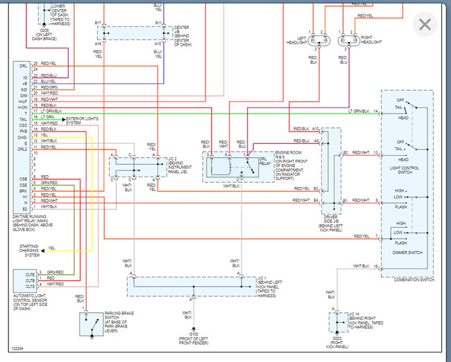
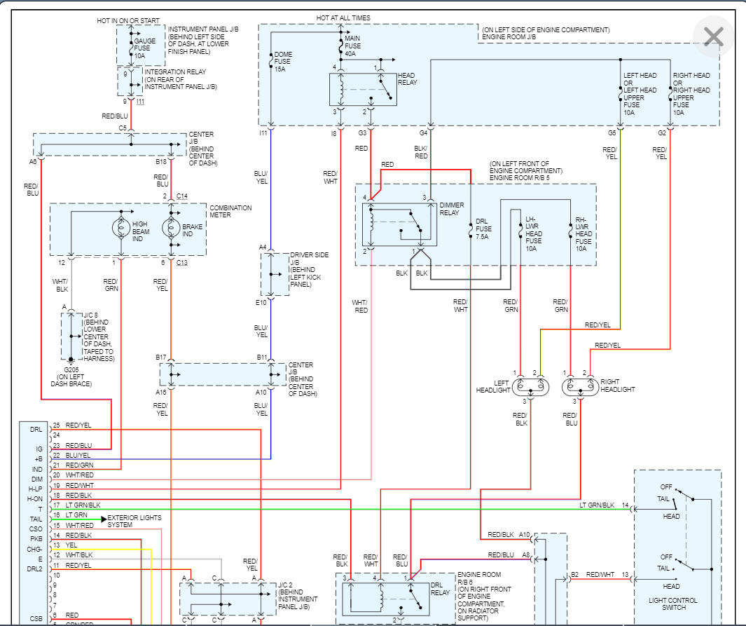
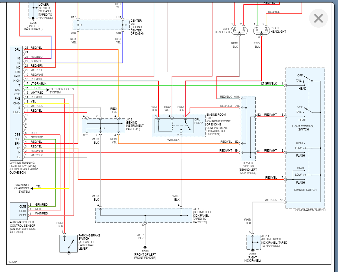
High beam is working fine but the low beam isnt working. I checked the fuses for the low beam. I checked the ends where the fuses go in to see if there is any current but there is none. (I turned the low beam on and checked with the multimeter). I would like to know if there are any other fuses to be checked. Where is the headlight relay switch? THanks.



