2000 Corolla 1.8l engine won't start, multiple codes, has spark, no injector Pulse

Tiny
SWEETLEAF
  • MEMBER
  • 2000 TOYOTA COROLLA
Someone else changed the engine now the car won't start and I have multiple code (p0100, p0110, p0115, p0120, p0340, p1600, p1656). I have spark, but no injector pulse. I checked crank and cam sensors, seem ok, but I'm not 100% sure if I checked them correctly. Please, any ideas will be greatly appreciated since I'm about to put a stick of dynamite in it and call it done.
Friday, January 20th, 2012 AT 9:01 PM

7 Replies

Tiny
RIVERMIKERAT
  • MECHANIC
  • 6,110 POSTS
Check fuel injection relay and fuse.
P0100=MAF Meter circuit.
P0110=Intake Air Temperature Sensor Circuit.
P0120=Throttle Position Sensor Circuit.
P0340=Camshaft Position Sensor Circuit.
P1600=ECM Battery Circuit.
P1656=Oil Control Valve Malfunction.
Was this
answer
helpful?
Yes
No
+4
Friday, January 20th, 2012 AT 11:22 PM
Tiny
WRENCHTECH
  • MECHANIC
  • 20,761 POSTS
Some of those codes have to do with power supply to the PCM so you may want to verify all the inputs to the computer before going too far.
Was this
answer
helpful?
Yes
No
Friday, January 20th, 2012 AT 11:31 PM
Tiny
DRCRANKNWRENCH1
  • MECHANIC
  • 3,435 POSTS
Code P0100 is, the Mass Air Flow sensor, MAF.
Code P0110 is the Intake Air Temperature Sensor, IAT.
cose P0115 is the Engine Coolant Temperature Circuit, ECT.
Code P0120 is the Throttle Postiton Sensor, TPS.
Code P0340 is the Camshaft Prositon Sensor, CMP.
Code P1600 is the ECM BATT circuit.
Code P1656 is the Oil Control Valve Malfunction.
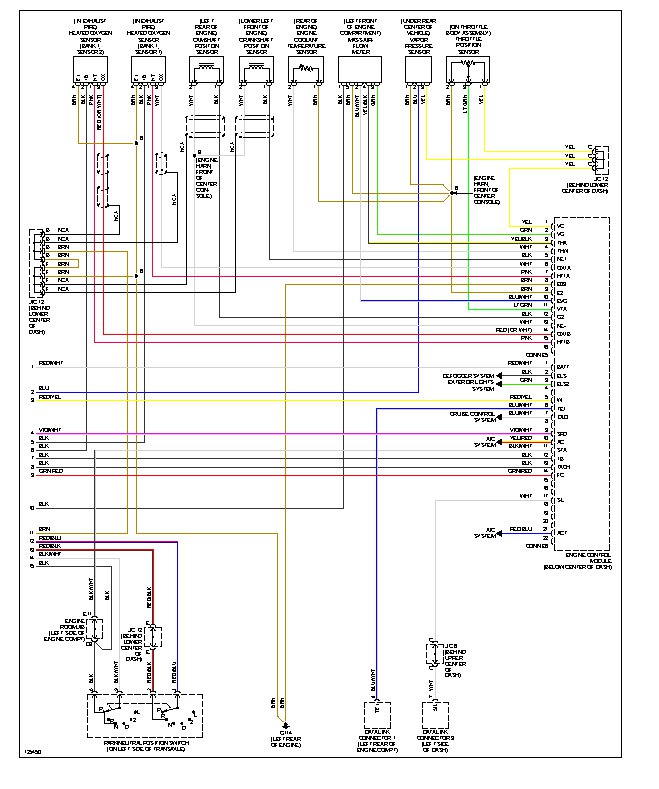
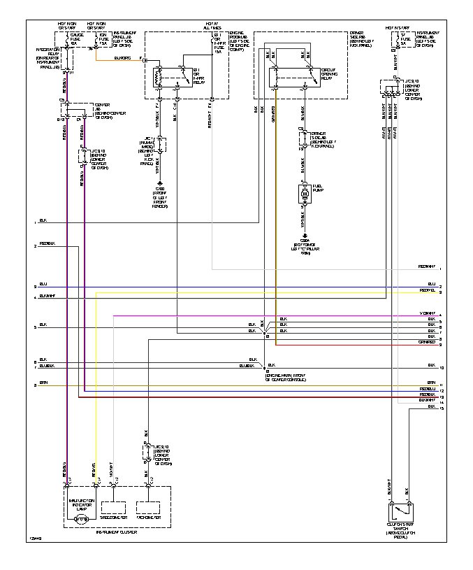
I am including the test instructions for both the BATT ECM, or also called an ECU, and the camshaft Positon Sensor, CMP.
Along with these I am attaching the figures, FIG, referneced in the instructions. These are pinouts for the ECM, be careful when testing as a short will ruin it. One FIG is for an automatic transmission and the other is for a manual transmission. They have a label at the top and are referenced in the instructions.
Also attached is a complete wiring diagram in 3 parts. The diagram labeled or titled 1of3 is the left side of the diagram. Then from left to right in numerical order, you can lay out the 3 and make a complete diagram.

I think the BATT ECM test is very important because you have so many problems. The ECM might have failed and is causing all the issues.
However, it could be come of the components. So, I am including a link to a diagnostic walkthrough that will go into detail of how al;l these tests fit together. It is for a car that will not start but cranks over, the link is below;

http://www.2carpros.com/articles/car-cranks-but-wont-start

Having so many codes come up leads me to believe that the ECM is at fault. So, after you go through the article and double check the testing for the CMP, I think the next step will be to test the ECM.
You may find that there is a different step to take after reading the diagnostic walk through as you may find something that leads you, as you might have noticed a symptom along the way that would lead you to another problem to test, to another direction in diagnosis. This is why I am including the link. you have a difficult diagnosis on your hands if the ECM is not at fault, then there are several components that could lead to a multi-symptom failure. This is covered in the diagnostic in depth.
Was this
answer
helpful?
Yes
No
-1
Saturday, January 21st, 2012 AT 12:08 AM
Tiny
SWEETLEAF
  • MEMBER
  • 14 POSTS
Hey, thanks for all the feedback and info, I really appreciate it. From everything I read checked it looks like it may be the ECM, I'm not getting any readings from the neg side of it, cam and crank sensors ohm out fine and all grounds are clean and tight. I just don't understand how the ECM could go bad on an engine swap. But I don't think I'm getting the whole story behind it. Turns out it came from a prism without the OCV, so they just swapped the block and some hack did the job ( had cam caps in wrong places and even left a lifter out). Anyways, thanks again, I'll repost and let you know the outcome.
Was this
answer
helpful?
Yes
No
-1
Saturday, January 21st, 2012 AT 8:40 PM
Tiny
RIVERMIKERAT
  • MECHANIC
  • 6,110 POSTS
We'll be here.
Was this
answer
helpful?
Yes
No
Saturday, January 21st, 2012 AT 10:13 PM
Tiny
SWEETLEAF
  • MEMBER
  • 14 POSTS
Turns out the ECM was bad after all, thanks again for all the help.
Was this
answer
helpful?
Yes
No
Wednesday, January 25th, 2012 AT 1:18 AM
Tiny
RIVERMIKERAT
  • MECHANIC
  • 6,110 POSTS
Our pleasure. Tell your friends about us!
Was this
answer
helpful?
Yes
No
Wednesday, January 25th, 2012 AT 4:43 AM

Please login or register to post a reply.

Related General Content