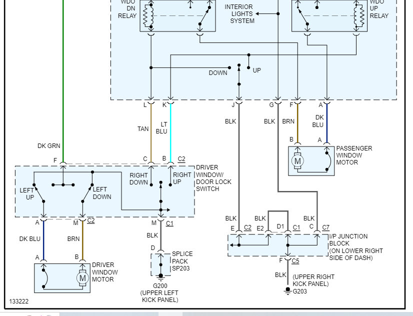
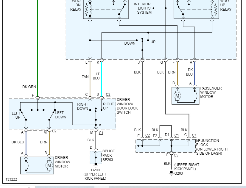
Here's how I'm testing, running 12v:
power supply to the green and orange wires. All black wires are grounded. Voltmeter connected to the same ground. Positive voltmeter is connected to the wire that is supposed to be providing power based on the position of the switch. Both up and down wires on the driver side tested good, but not the passenger switch. Does the passenger side switch on the driver side provide ground and not power? That would make sense if there's a relay before the driver side motor and the relay would be the one to supply the power when activated, but I'm just guessing here. Any help would be greatly appreciated.
Wednesday, August 3rd, 2022 AT 10:27 PM





