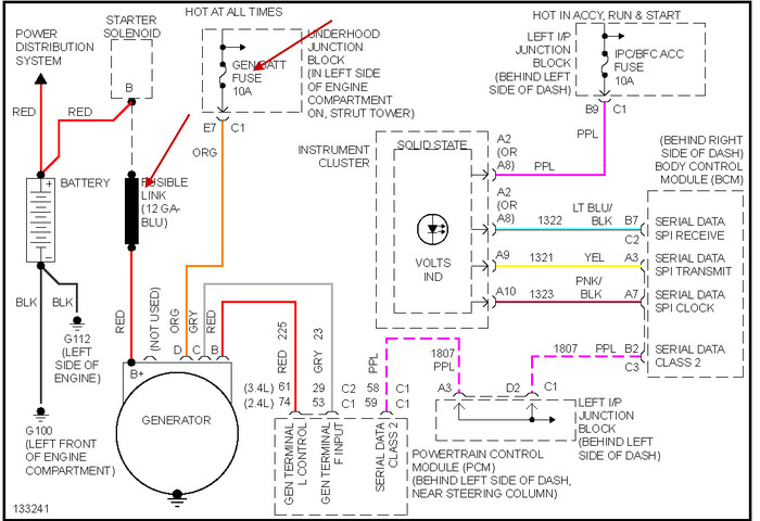
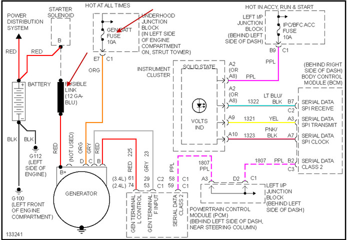
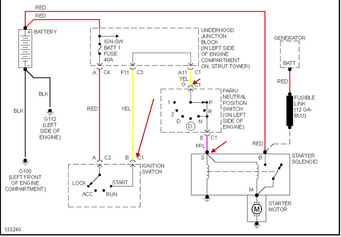
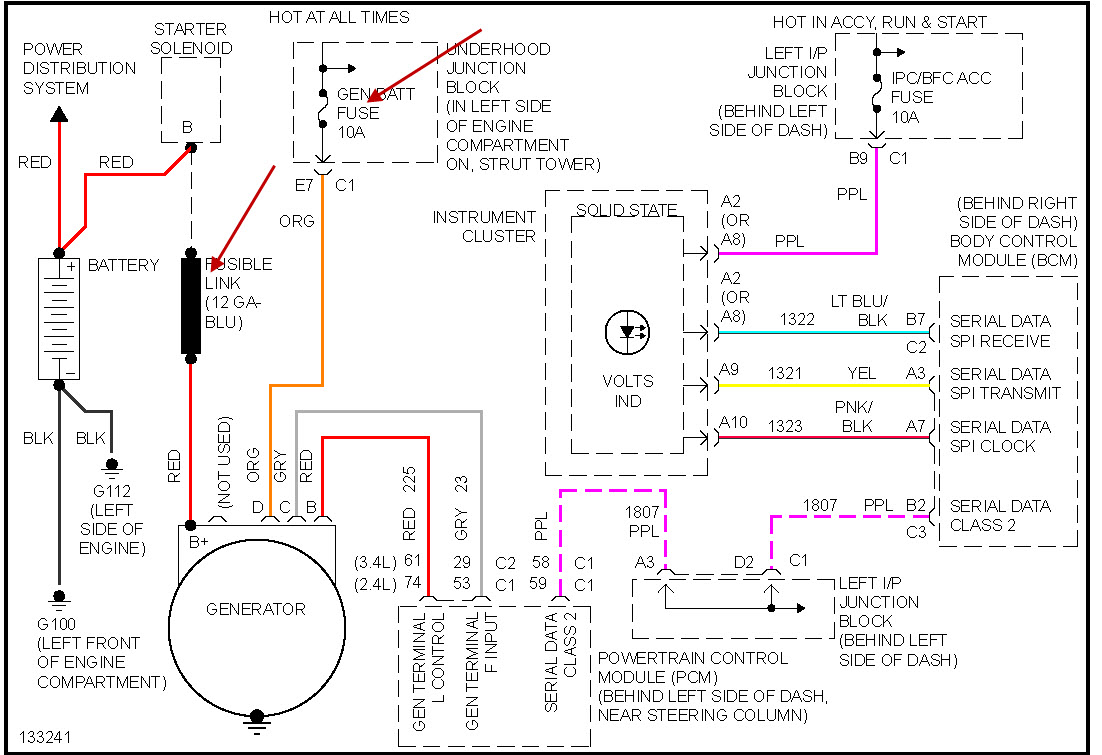
Now I can't get the car to turn over, it clicks once or twice but won't start. My ignition switch is a bit touchy, I have to wiggle the key to get the car to start. I've been doing some research and read that it may be the alternator, or possibly some bad electrical connection like a bad ground (I don't know how to check this?), Or that it may be the ignition switch. I just had this car inspected barely 2 months ago. Any ideas or suggestions?
Monday, September 10th, 2012 AT 12:47 PM


