Wednesday, October 12th, 2011 AT 1:16 AM
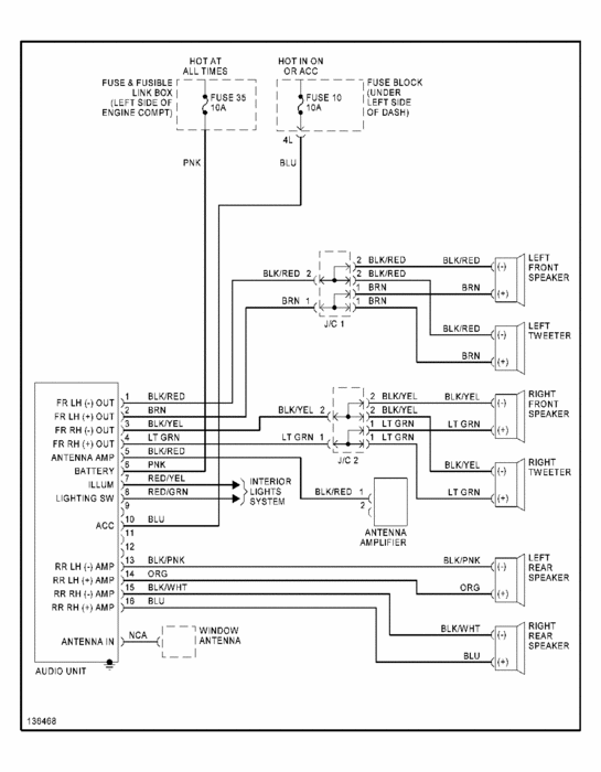
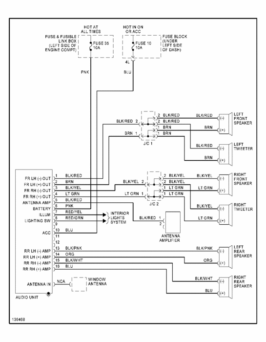
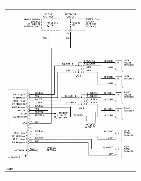
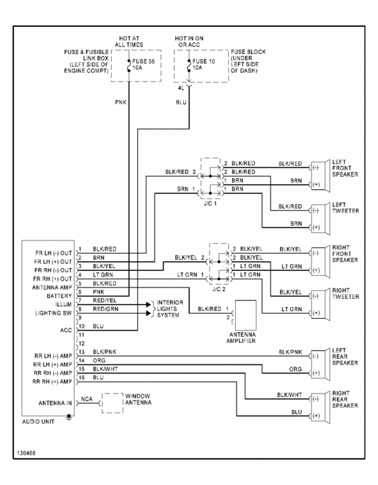
Well it's almost say it all. I buyed a car from my aunt, wich she took care religiously and I intend to do too on a good car like this one. But one thing she never noticed, is that the radio, CD and cassette work. We hear the music. The button light function properly. But no display. Nada. Niet. Now that make me have a hard time finding what i'm looking for ( equalizer mods etc.) And feel like i'm searching tune the old '80 ways. Also, the cigarette lighter doens't have voltage. Cause my cell charger aren't illuminating on it. But it's do work in the arm rest plug. So.I bet it's a fuse. But I don't know where. And I don't know if it's on the same wiring as the lighter ( would explain a lot ). First time I ever try finding answer asking MYSELF on the net. Hope I'll get a real feedback. Thank you very much for your time.



