My A/C fan went out and I have replaced the.

Tiny
ANONYMOUS
  • MEMBER
  • 2000 JEEP WRANGLER
  • 112,000 MILES
My a/c fan went out and I have replaced the switch, resister and fan motor. I have power to 1 side of the plug to the fan and when I plug it in the fan won't go on and now have power to both sides of the plug. No one seems to have an answer. What do you think?
Tuesday, December 18th, 2012 AT 7:12 PM

1 Reply

Tiny
CJ MEDEVAC
  • MECHANIC
  • 11,005 POSTS
I DID NOT KNOW YOUR EXACT MODEL---I DOWNLOADED ALL THREE SETS OF DIAGRAMS. SE. SPORT. SAHARA. FROM "MITCHELL I"

I MEAN, I GOT BOTH A "HEATER CIRCUIT" AND "MANUAL A/C" FOR ALL THREE

I GLANCED OVER THEM SORTA FASTTHEY LOOK LIKE DUPLICATES OF EACH OTHER

I'LL KEEP ALL---FOR A WEEK OR SO BEFORE I DELETE THEM

MAYBE YOU WILL SEE A COMPONENT THAT YOU HAVE NOT THOUGHT OF---LIKE A BAD RELAY OR SOMETHING---THESE ARE EZ TO READ DIAGRAMS---USUALLY LOCATIONS ARE BESIDE THE COMPONENTS

I'M SENDING YOU "WRANGLER SE". LIKE I SAID, THEY LOOK LIKE DUPLICATES OF THE OTHER TWO MODELS (IF YOU TRUST ME--IF NOT, I'LL SEND THE ONES YOU REQUEST)

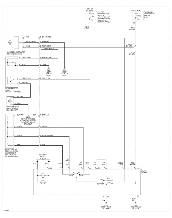
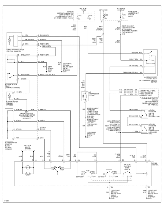
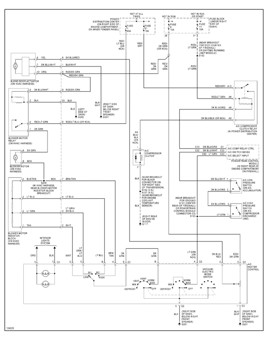
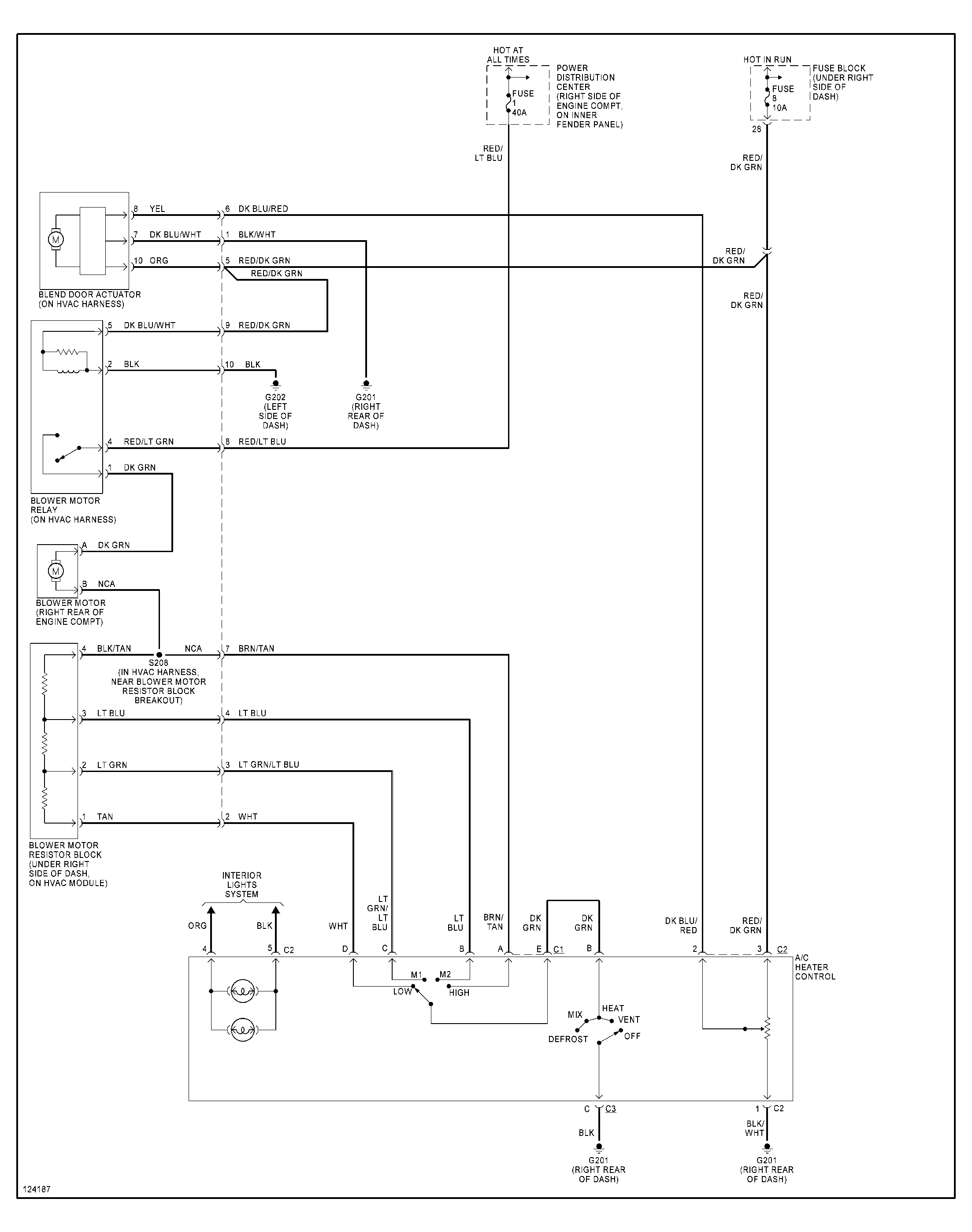
1ST PIC) HEATER CIRCUIT

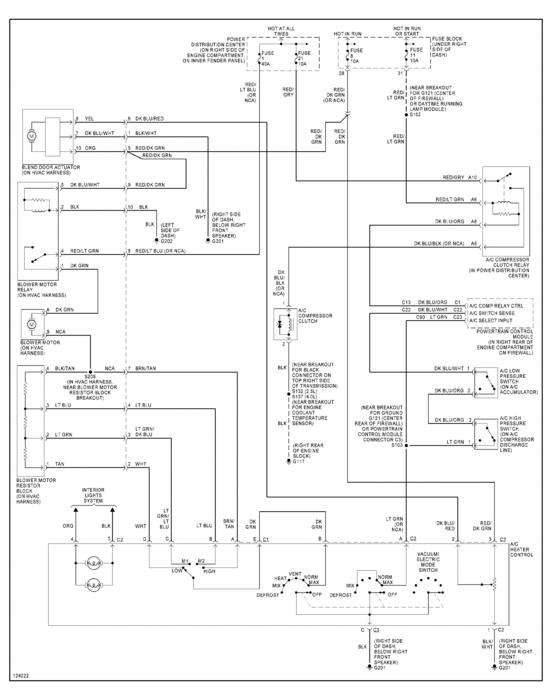
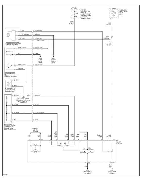
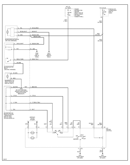
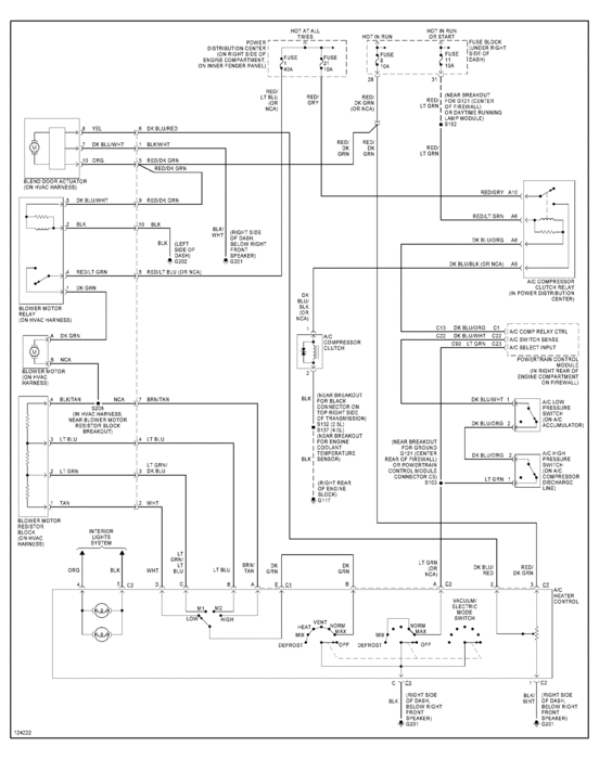
2ND PIC) MANUAL A/C

LET ME KNOW IF THIS HELPS

THE MEDIC

I
Was this
answer
helpful?
Yes
No
Wednesday, December 19th, 2012 AT 9:29 PM

Please login or register to post a reply.