Fuel Pump

Tiny
MCAVINEE
  • MEMBER
  • 2000 JEEP GRAND CHEROKEE LAREDO
  • 6 CYL
  • 4WD
  • AUTOMATIC
  • 100,000 MILES
I pulled my fuel pump from my 2000 jeep cherokee laredo and I do not hear the pump humming. It is still in the tank. I checked the replay by replacing it with another one from another vehicle. How do I use a volt meter to check to see if I am getting power from the connector to the fuel pump
Thursday, June 23rd, 2011 AT 1:47 PM

10 Replies

Tiny
CJ MEDEVAC
  • MECHANIC
  • 11,005 POSTS
LET ME KNOW IF THESE PICS HELP---THEY WERE MADE FOR OTHER PEOPLE/ OTHER TESTING

IF YOU DO CONTINUITY TESTING--DISCONNECT THE BATTERY 1ST--THIS USES THE BATTERY WITHIN THE VOLTMETER TO CHECK FOR "UNBROKEN WIRING OR RESISTANCES" THE UNIT IS SET ON "OHMS"

FOR CAR VOLTAGES, SET THE METER ON THE NEXT UP VOLTAGE THAN THE CAR HAS. EX 12 VOLTS DC. USE 20 VOLT DC SCALE ON METER. INSURE POWER IS AVAILABLE TO WHATEVER YOU TEST---LIKE HAVING THE KEY ON! OR ON ACCESSORIES. PLAY AROUND WITH THE BATTERY POSTS TO GET THE FEEL OF VOLTAGE. INSURE YOUR BLACK LEAD IS ON A GOOD BODY GROUND---IF POSSIBLE, I USE MY LONG JUMPER WIRES TO GO ALL THE WAY BACK TO THE BATTERY, TO BE ABSOLUTELY SURE, I HAVE A GOOD GROUND TO MY METER!

THESE 1ST 2 PICS ARE FOR CONTINUITY---CAR BATTERY DISCONNECTED (IF NOT YOU MAY DAMAGE YOUR METER)----THE OTHERS ARE VOLTAGE TESTS

I AIN'T A GREAT TEACHER--IN PERSON WOULD DEFINITLY WORK BETTER

GO TO "YOU TUBE", "HOW TO USE A VOLTMETER", SEE WHAT THEY HAVE TO OFFER!

LET ME KNOW WHEN YOU GET LOST!

THE MEDIC
Was this
answer
helpful?
Yes
No
Thursday, June 23rd, 2011 AT 2:33 PM
Tiny
MCAVINEE
  • MEMBER
  • 69 POSTS
Is there a way to use a paper clip while under the jeep at the harness connection to see if the pump will hum
Was this
answer
helpful?
Yes
No
Thursday, June 23rd, 2011 AT 2:42 PM
Tiny
CJ MEDEVAC
  • MECHANIC
  • 11,005 POSTS
OK I'M SORTA NEW AT THIS COMPUTER CAR STUFF WITH THE PUMP IN THE TANK

I MAY BE ABLE TO FIND A WIRE DIAGRAM OF THE FUEL PUMP--ENTIRE SYSTEM!

IT MIGHT BE THAT WE CAN GIVE IT 12V FROM. LET'S SAY THE FUEL PUMP RELAY (RELAY REMOVED) AND SAVE YOU FROM "TRIAL AND ERROR" OR DROPPING THE TANKBURNING SOMETHING UP!

GIVE ME A LITTLE BIT TO SEE WHAT I CAN FIND (I'M A HUNT AND PECKER)

SOMETIMES WIRE COLORS AND CONNECTORS ARE IN THESE DIAGRAMS

DO YOU HAVE THE TANK DOWN NOW?

THINK YOU CAN GO BY MY DIRECTIONS? (EXAMPLE. MY PICS)

THE MEDIC
Was this
answer
helpful?
Yes
No
Thursday, June 23rd, 2011 AT 3:15 PM
Tiny
MCAVINEE
  • MEMBER
  • 69 POSTS
Thanks so much. I have one side of the tank down where I can get to the entire pump and harness I want to make sure I am getting power to the harness where it connects to the pump. I tryed switching relays from another vehicle just to rule out the relay
Was this
answer
helpful?
Yes
No
Thursday, June 23rd, 2011 AT 3:23 PM
Tiny
CJ MEDEVAC
  • MECHANIC
  • 11,005 POSTS
ROGER--IS POWER GETTING TO THE RELAY?

SORTA WHAT WE'LL HAVE TO FIND OUT IF, BACK THERE, YOU MAKE IT RUN WITH A 12V JUMPER!

I'M-A-LOOKIN' STILL!

THE MEDIC
Was this
answer
helpful?
Yes
No
Thursday, June 23rd, 2011 AT 3:51 PM
Tiny
MCAVINEE
  • MEMBER
  • 69 POSTS
Thank you so much. I will await your reply.
Was this
answer
helpful?
Yes
No
Thursday, June 23rd, 2011 AT 4:13 PM
Tiny
MCAVINEE
  • MEMBER
  • 69 POSTS
I am not too good with a voltmeter. Once I remove the replay are there any of those terminals I could check to see if juice is coming through. I would need a diagram though as I am not experienced with this. If I have to I can go to autozone and purchase the manual
Was this
answer
helpful?
Yes
No
Thursday, June 23rd, 2011 AT 4:15 PM
Tiny
CJ MEDEVAC
  • MECHANIC
  • 11,005 POSTS
Gotcha!

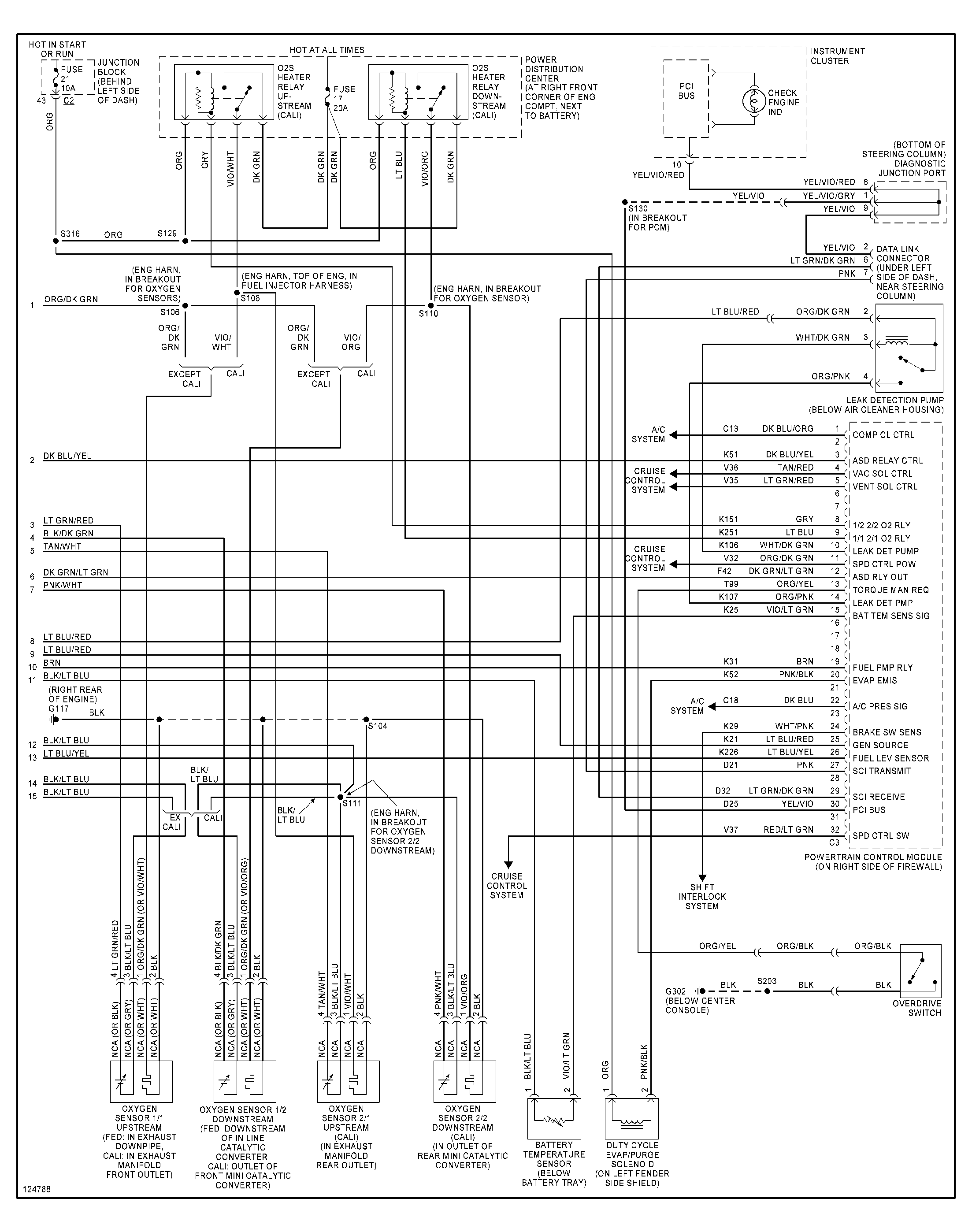
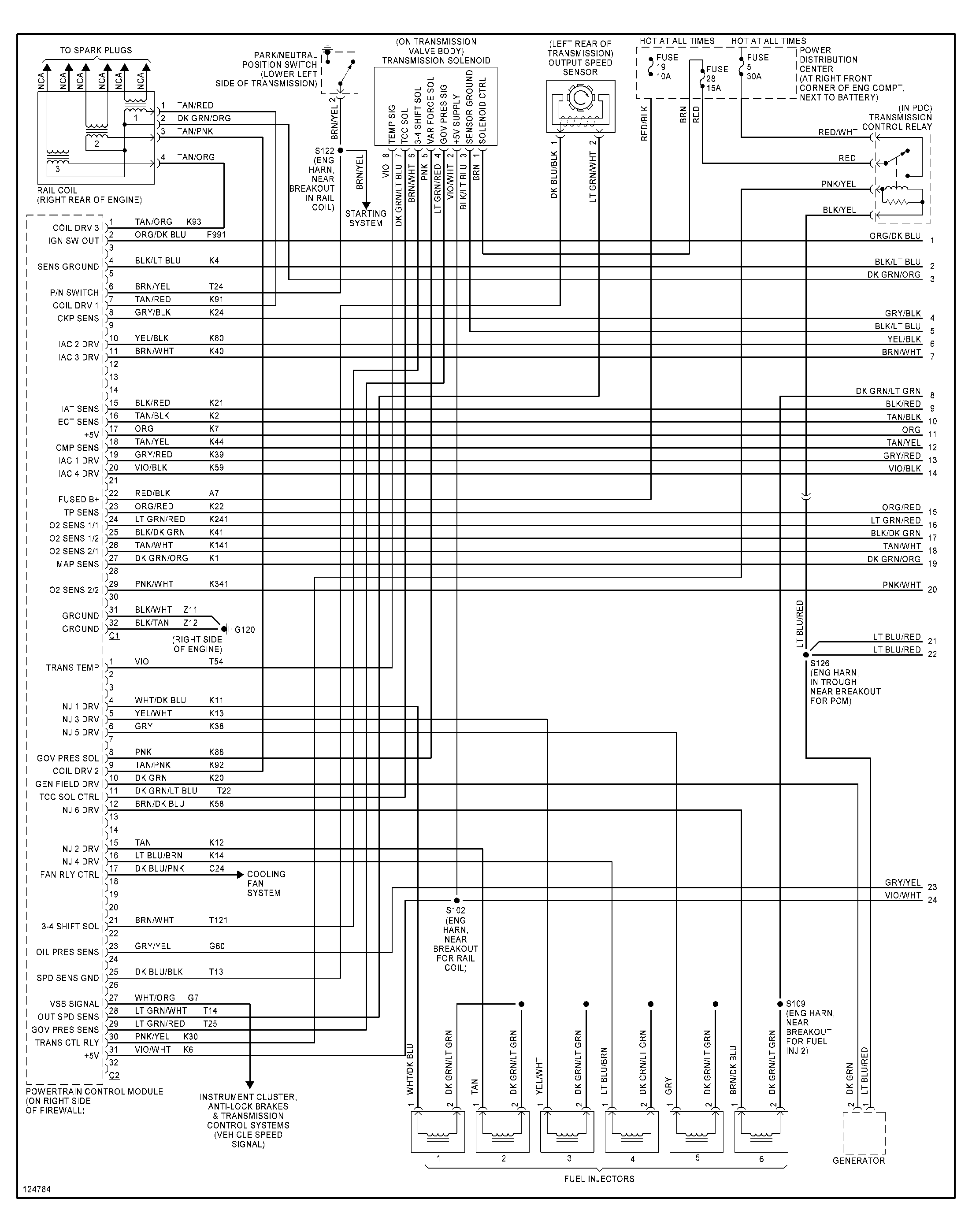
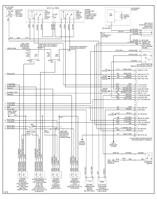
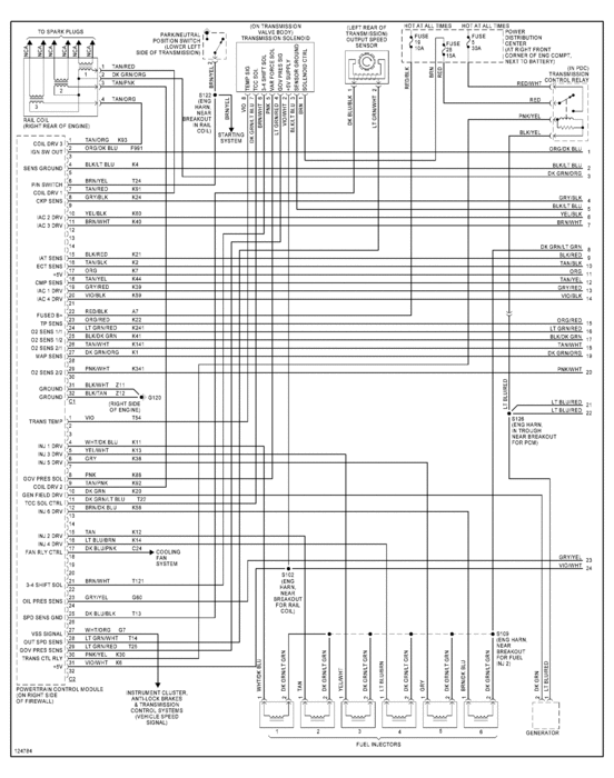
Just got 3 wire diagrams for your rig--looking at them now.

I will post them, as soon as I find the ares you are concerned with, so that I might explain better. Even when you get them, you must sorta verify the colors of the wires (on some of the components) to insure we have the CORRECT DIAGRAMS

You must be excited, you keep spelling "RELAY" as "replay"

If you look at my 1st pic--top right--you will see I have 2 screwdriver looking items--they are 12v test lights. You hook the alligator clip on it to ground-then touch the pointy tip to 12v/ wire w/12v--light comes on verifying juice (VOLTAGE, HOW MUCH?) Is there. This makes quick testing fast and EZ! A voltmeter is needed to verify "How Much Juice"!

Test lights are also helpful in checking fuses, without pulling them out.I'll go into that procedure later, if you like!

I will send you a message soon (private) Home/ click your name/ look left. When your email says it came

DO NOT POST YOUR EMAIL ADDRESS HERE FOR THE WORLD TO SEE--REPLY TO MY MESSAGE IN "MESSAGES"

SEND YOUR ADDRESS THERE--I WILL SEND THESE DIAGRAMS I POST, TO YOU---THEY WILL PROBABLY BE EZer TO BLOW UP, AND YOU CAN SAVE THEM FOR A FUTURE NEED.

I'M WORKIN' ON IT! PLEASE DON'T GET YOU UNDERGARMENTS ALL BUNCHED UP!

NEXT THING YOU SEE WILL BE DIAGRAMS---I PROMISE!

Think you can do this. Have a "Jimminey Cricket" there to check behind you?

THE MEDIC
Was this
answer
helpful?
Yes
No
Thursday, June 23rd, 2011 AT 4:55 PM
Tiny
CJ MEDEVAC
  • MECHANIC
  • 11,005 POSTS
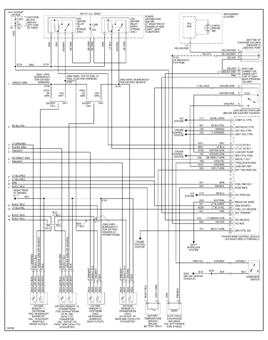
OK posting diagrams---next will be an explanation below it. Just so the diagrams will be here to go by. Do not respond again until you see me explain 'em!

The Medic
Was this
answer
helpful?
Yes
No
Thursday, June 23rd, 2011 AT 5:34 PM
Tiny
CJ MEDEVAC
  • MECHANIC
  • 11,005 POSTS
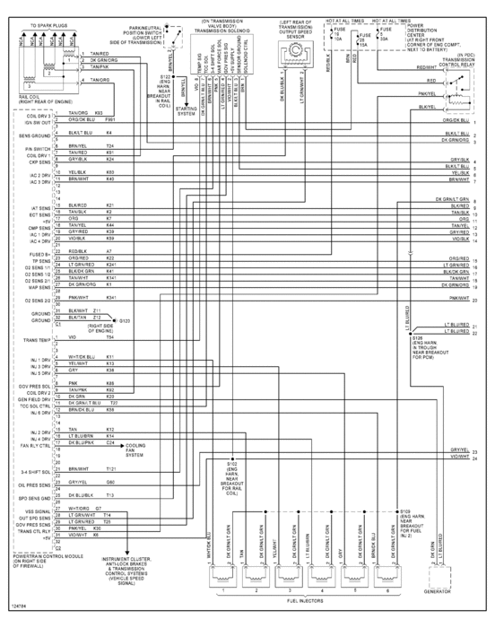
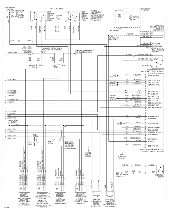
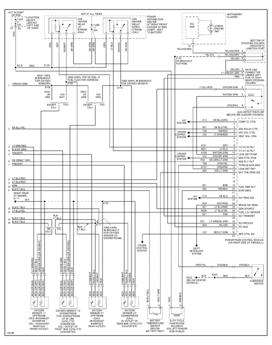
OK 2nd diagram is you (fuel pump and relay)

Relay is at the top (sorta 2nd square from the left) Location of it is written on the far right

The fuel pump is bottom left. Inside the module, left is the motorright is the fuel LEVEL sensor (The motor is your concern)

At the relay, if you remove the relay and introduce 12V to the DARK GREEN WIRE with a BLACK STRIPE (or its connector socket) THIS SHOULD RUN THE PUMP. Providing the ground for the pump is still good

If you follow this wire on down, it connects (at the pump) to a ORANGE WIRE. If you disconnect the pump connection, you will have to provide a ground and introduce 12V to the ORANGE wire to make it run.

I know little about this part, YOU MAY HAVE TO RELIEVE FUEL PRESSURE FOR THE PUMP TO TURN/ AND OR NOT TO OVER-PRESSURE THE SYSTEM---YOU ARE SORTA ON YOUR OWN WITH THAT!

WHEN MESSING WITH FUEL--DO IT OUTSIDE, AWAY FROM YOUR HOUSE AND CAR----HAVE A HELPER (EMERGENCY PERSON) TO "PUT OUT THE FLAMING MAN"!

HAVE A BLANKET AND GOOD FIRE EXTINGUISHER REALLY HANDY!

OK, I did send you a message, if you want these Emailed to you, let me know in messages.

Be careful touching stuff, no need in shorting something else out.

If you jumper this stuff off of the battery, it may be a good Idea to disconnect the positive side of the battery---leave the negative connected.

If I can still maybe? Help, let me know!

Always report your outcome!

IF YOU ARE UNSURE OF THIS---SEEK MORE PROFESSIONAL HELP!

The Medic
Was this
answer
helpful?
Yes
No
+1
Thursday, June 23rd, 2011 AT 6:08 PM

Please login or register to post a reply.