Tuesday, October 11th, 2011 AT 2:38 AM
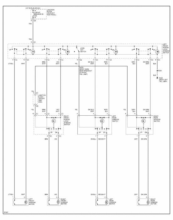
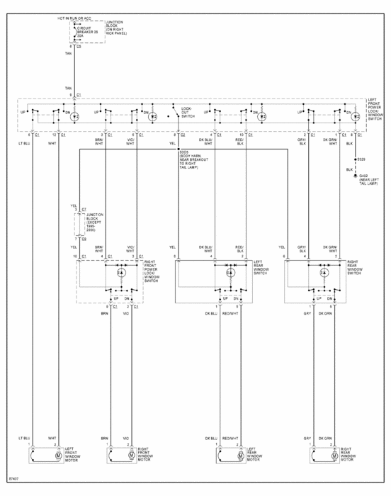
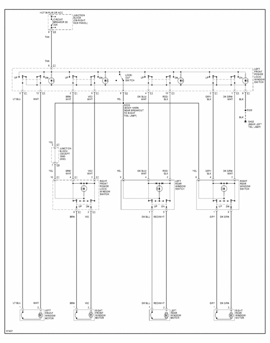
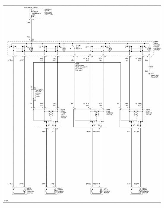
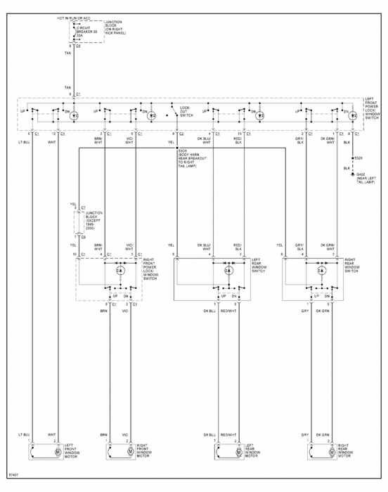
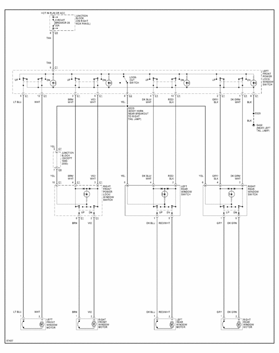
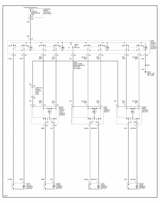
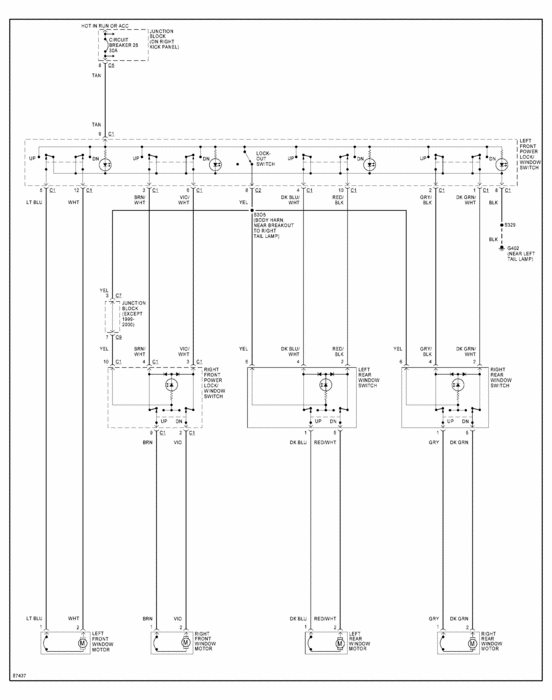
I own a 2000 jeep cherokee and now it is having some major window problems. All of the windows will work from the master switch(except for the passenger one which doesn't work at all right now) but not from the individual switches. When I bought the car they all worked fine. However over time all the switches gradually stopped working on all the doors except for the drivers switch. I've tried switching out the switches and it didn't fix the problem. The passenger window is stuck wide open now and will not roll back up. Any ideas of what's going on? Its extremely frustrating.

