How do I clean out leaves out of my vents

Tiny
HARRYS99
  • MEMBER
  • 2000 HONDA PASSPORT
  • 90,000 MILES
In a 2000 honda passport it was not used for 8 months
Sunday, February 5th, 2012 AT 2:10 PM

1 Reply

Tiny
HMAC300
  • MECHANIC
  • 48,601 POSTS
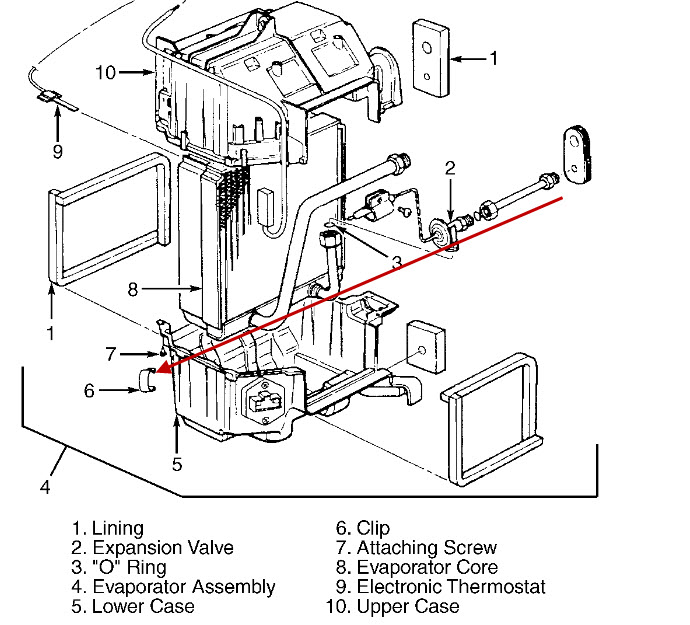
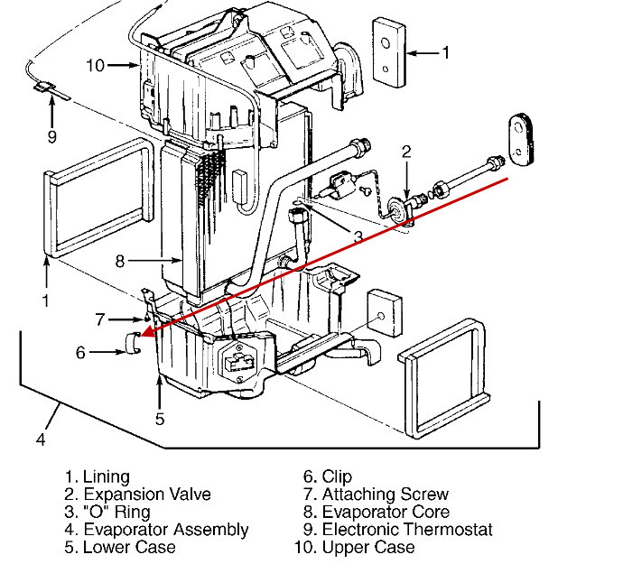
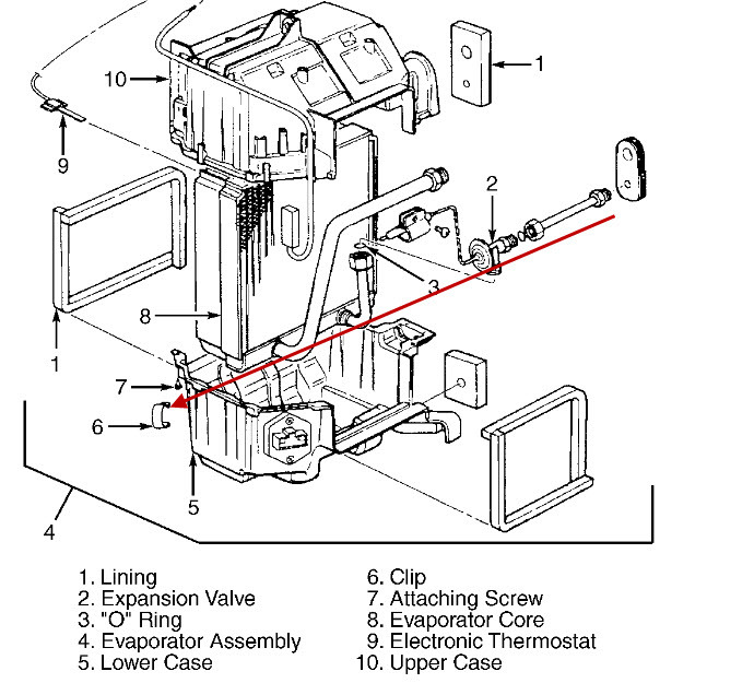
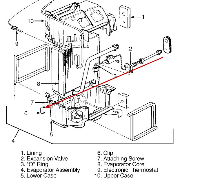
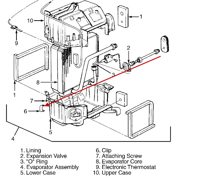
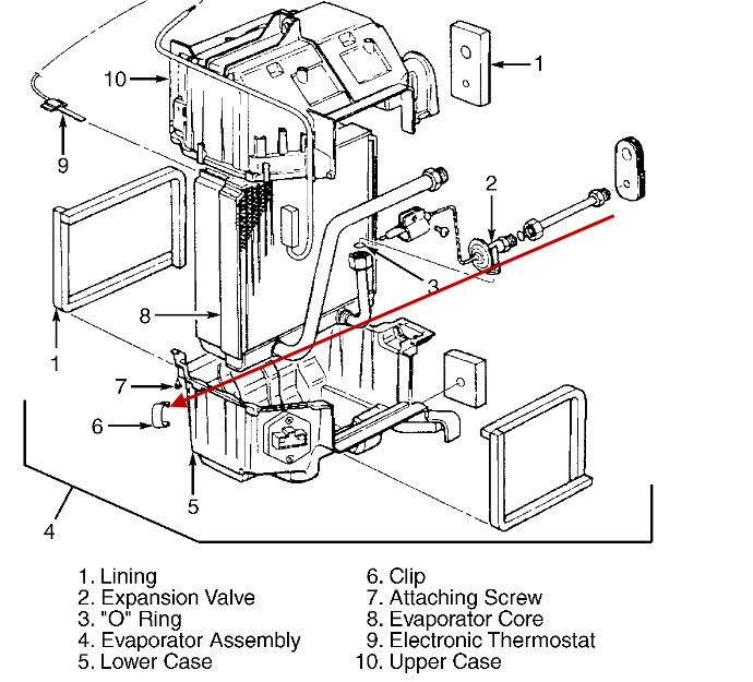
Try popping out a vent on the dash usually a screwdriver putting a little pressure on it and stick a vacuum hose down there. Other wise you'll have to take the blower out to get to them. If it's the vent in front of windshield it shold have clips or screws holding it in you can take those out lift up the vent and vacuum them out. You might also be able to remove the clips that I have pointed out in a red arrow and drop that area to reach up to get eht leaves out.
Was this
answer
helpful?
Yes
No
Sunday, February 5th, 2012 AT 11:47 PM

Please login or register to post a reply.