Tuesday, January 11th, 2011 AT 11:31 PM
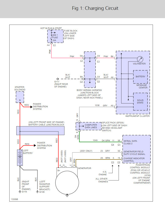
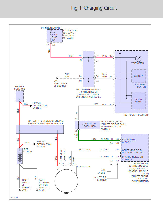
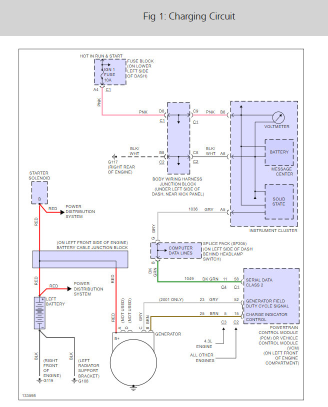
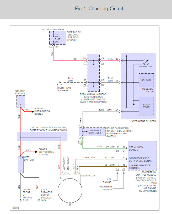
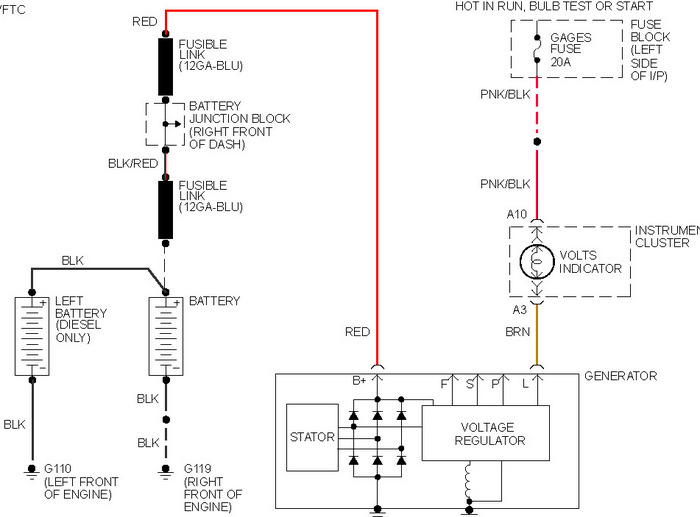
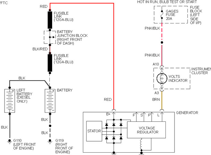
Test at main alternator wire reveals output of approx. 15 volts while disconnected but only battery voltage (12.5 v) when connected. Found partial short to ground on main power wire to fuse/relay block in engine compartment. This partial ground fault disappears when gauge cluster fuse pulled out but charging also does not occur with these conditions. Further, if fuse is replaced, alt. Main wire disconnected, then touched to alt. Post, a large spark is produced and alternator output voltage returns. Unfortunately, with main alt. Wire reconnected, the no charge condition returns. The dash light for no charge(battery) also does not light up and the gauge reads only battery voltage which is confirmed by voltmeter. There also appears to be a partial ground fault in the heater circuit. Do I need to check for excite voltage at the other alt. Connector? And what to do if there isn't? Is the gauge cluster voltmeter faulty? I notice there is a parallel resistor in the gauge in a diagram I found on this site from another post about a '99 model.




