Fuses and relay switches

Tiny
BRODERICK ROBINSON
  • MEMBER
  • 2000 GMC JIMMY
  • 6 CYL
I have a 2000 GMC Jimmy my power seats and mirror have stopped working. I have looked at the fuse panel under the hood and in the vehicle but can not find which fuse or relay controls these two.
Saturday, July 23rd, 2011 AT 12:56 AM

1 Reply

Tiny
CJ MEDEVAC
  • MECHANIC
  • 11,004 POSTS
I DO NOT KNOW YOUR VEHICLE

NOR DID I HAVE INFO FOR SPECIFICS ON YOUR SYSTEMS

BY GOLLY, I GOT ALL OF 'EM FOR SEATS AND MIRRORS. YOU DECIDE WHAT APPLIES

I WILL TELL YOU WHAT DIAGRAM IS WHAT---IF YOU WILL READ THEM, THEY TELL YOU LOCATIONS. FOR INSTANCE: WHERE A CIRCUIT BREAKERS LOCATION IS.

YOU PROBABLY NEED TO FIND SOMETHING COMMON TO BOTH SYSTEMS

HERE GOES

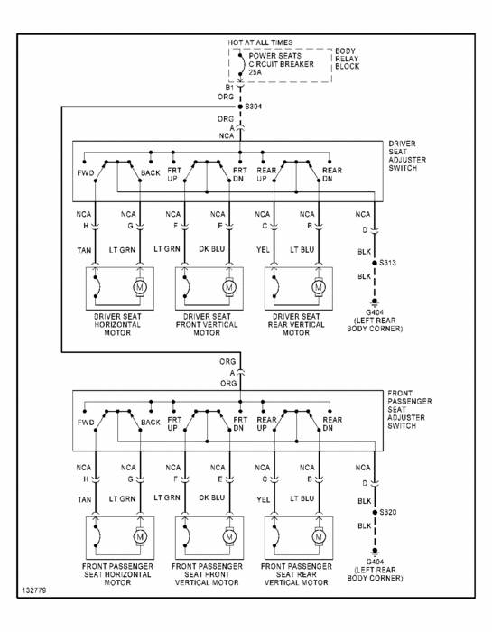
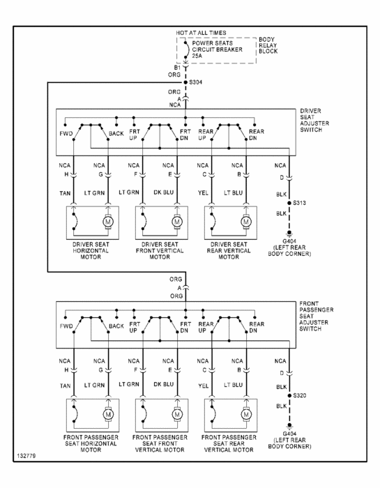
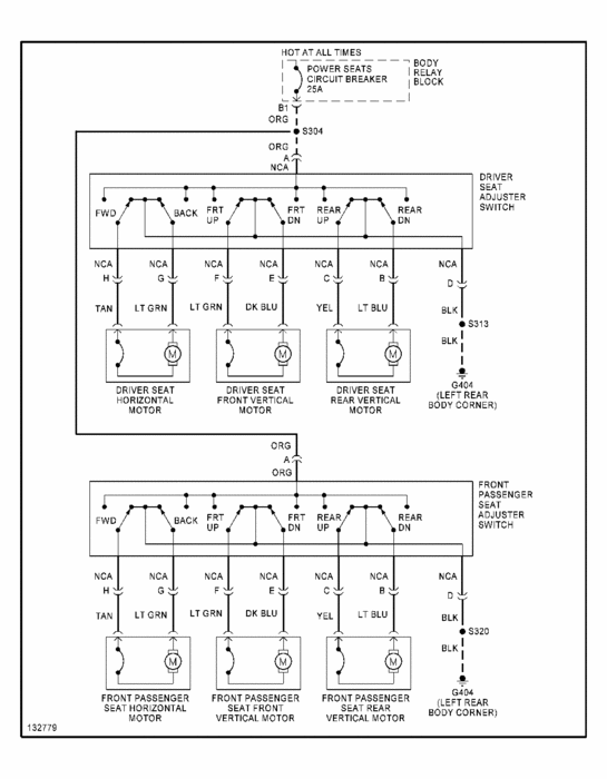
DIA 1--6 WAY SEATS

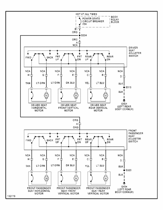
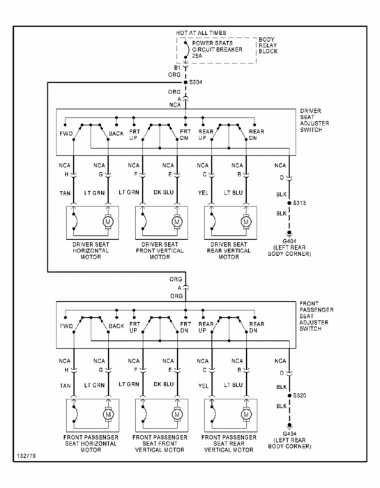
DIA 2--8 WAY SEATS

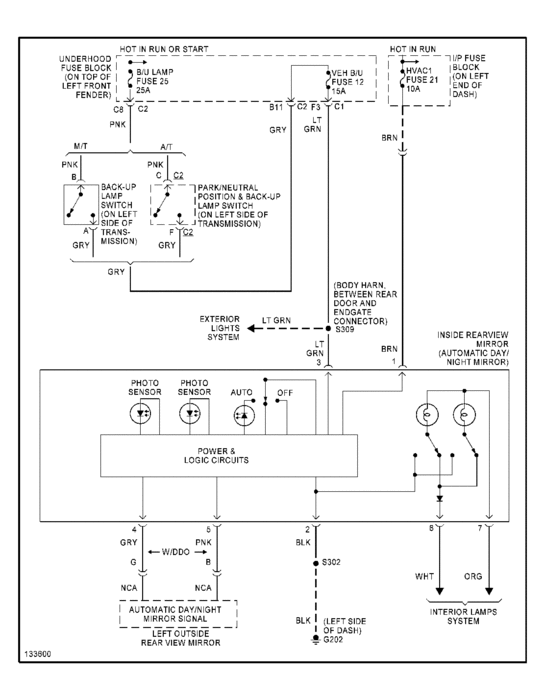
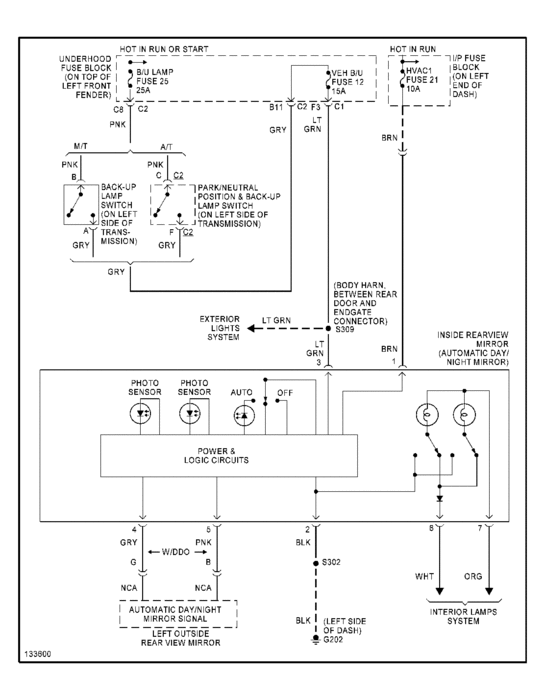
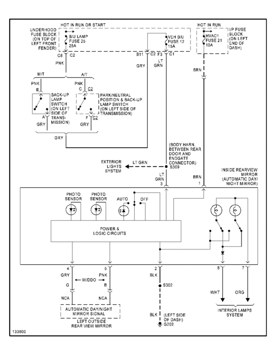
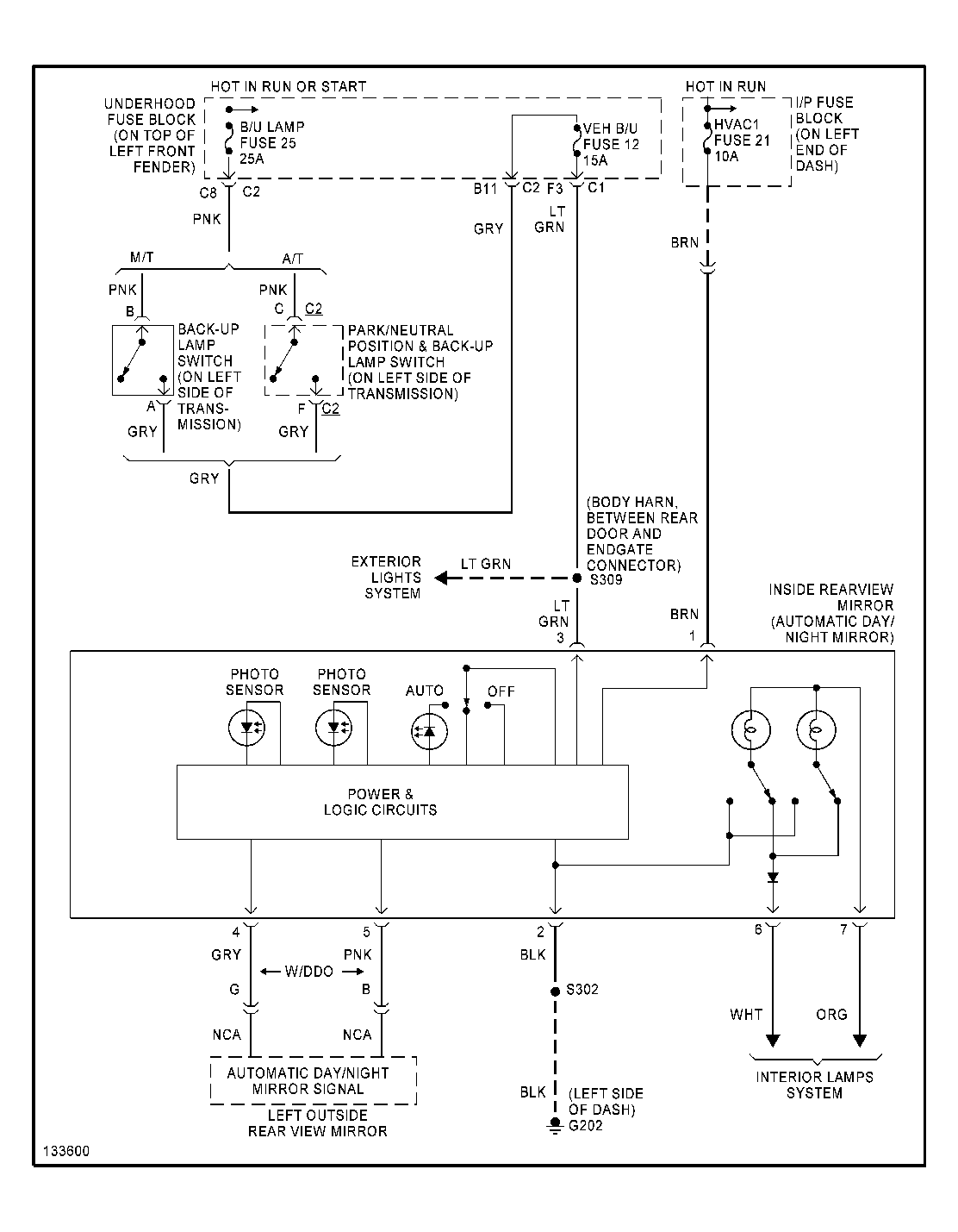
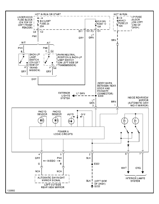
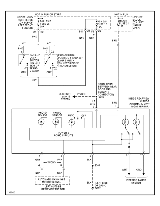
DIA 3--ELECTROCHROMATIC MIRRORS?

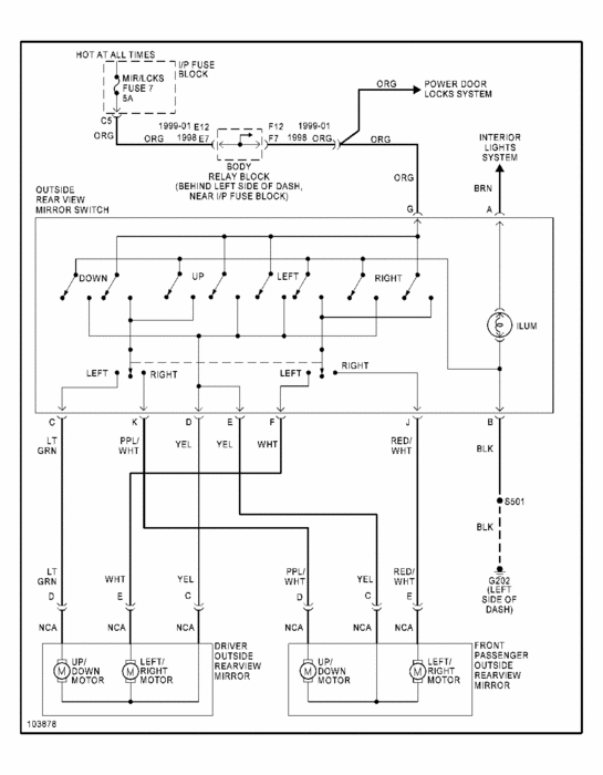
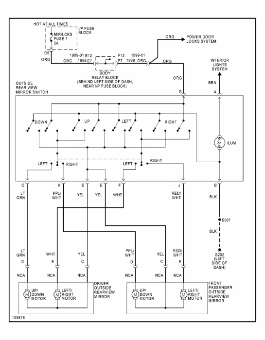
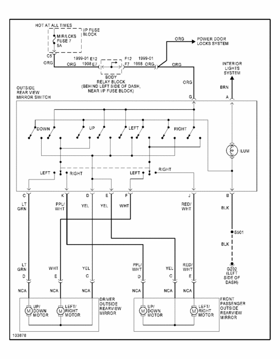
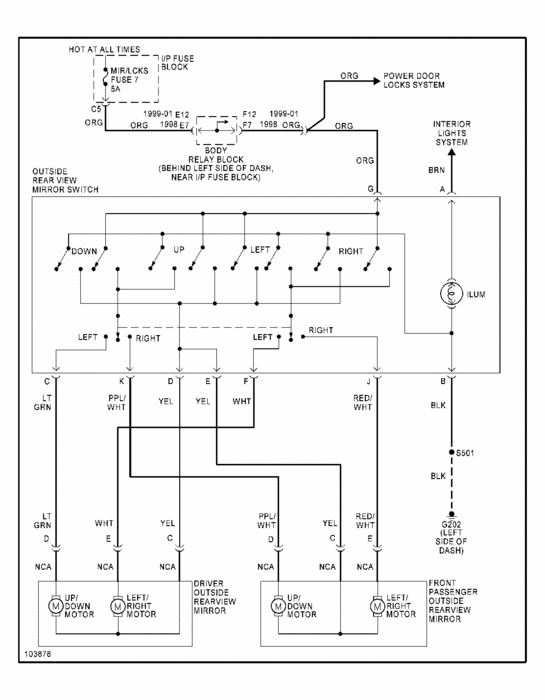
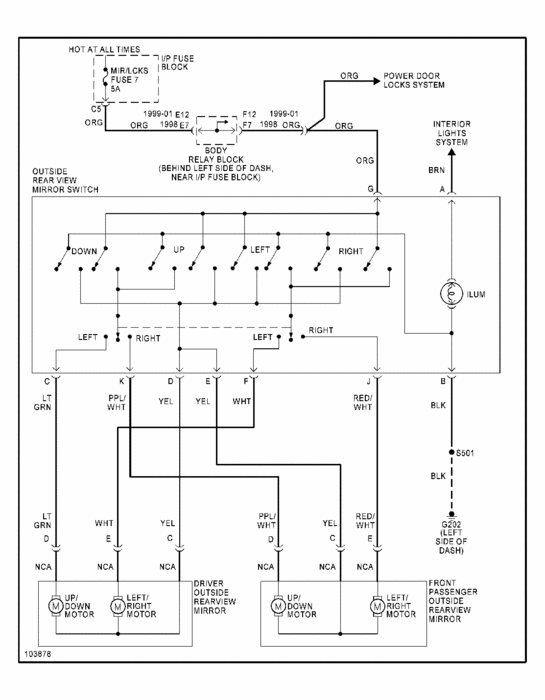
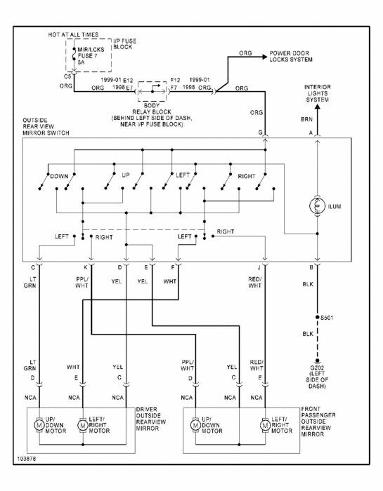
DIA 4--POWER MIRRORS

IF YOU CANNOT READ THESE, LET ME KNOW, I WILL INITIATE A MESSAGE TO YOU, YOU CAN GIVE ME AN EMAIL ADDRESS "SAFELY" THERE

I FOUND THE DIAGRAMS.I KNOW NOTHING ABOUT YOUR CAR

LET ME KNOW YOUR END

THE MEDIC
Was this
answer
helpful?
Yes
No
+2
Saturday, July 23rd, 2011 AT 1:55 AM

Please login or register to post a reply.