Friday, November 13th, 2015 AT 3:28 PM
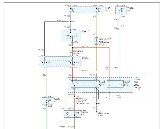
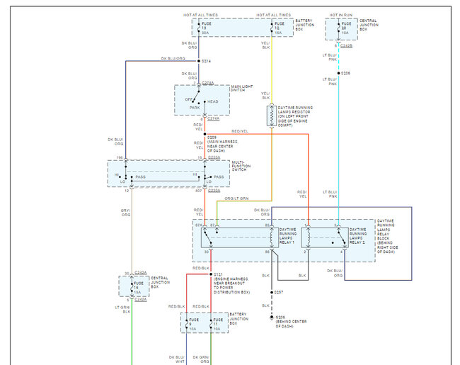
I have the low beam lights working. The high beams are not working at all. When I pull back on the switch to flash the brights no lights and the indicator light does not come on either. I have put power to the high beam wire and the lights come on, so I know the lamps are good. Have checked all the fuses as well









