HVAC vacuum hose location

Tiny
ROBVERO209
  • MEMBER
  • 2000 DODGE DURANGO
  • 169,000 MILES
Where does the vacuum hose go for a/c heater where in the firewall does it go or where else
Wednesday, May 23rd, 2012 AT 12:29 AM

10 Replies

Tiny
ROBVERO209
  • MEMBER
  • 6 POSTS
Hello,

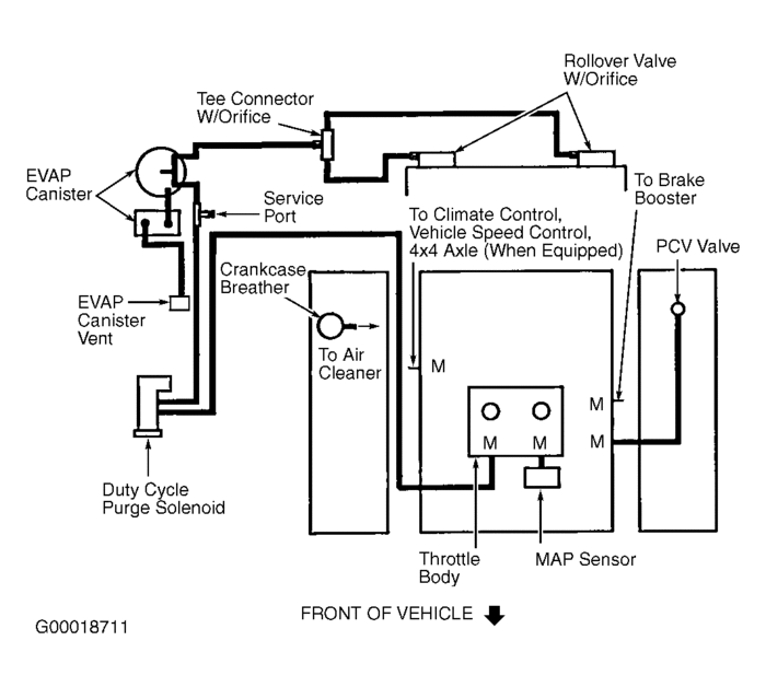
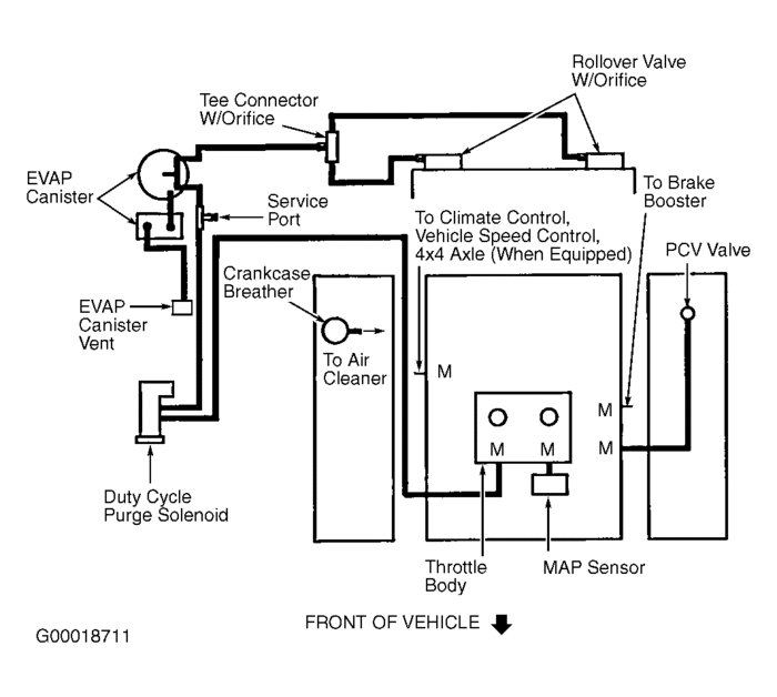
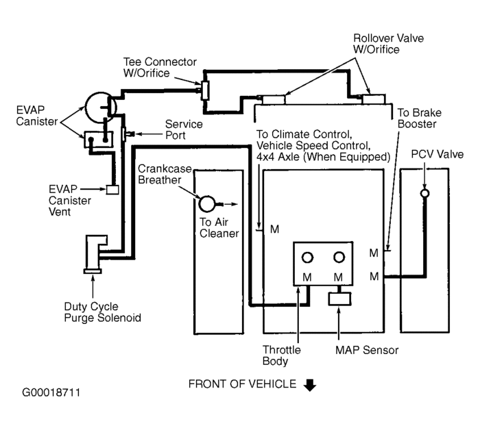
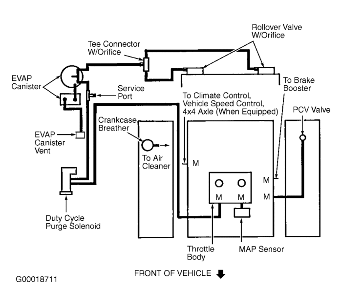
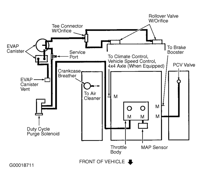
Here is the HVAC system vacuum hose routing. Check out the diagrams (Below). Please let us know if you need anything else to get the problem fixed.
Was this
answer
helpful?
Yes
No
-3
Wednesday, May 23rd, 2012 AT 12:36 AM
Tiny
IMPALASS
  • MECHANIC
  • 3,112 POSTS
Sorry but your question is a little vague. Our manual doesn’t have a parts brake down that you are talking about. It has the back of the control panel and the vacuum routing. What do you mean from the T fitting to below....... The vacuum hoses connect to the back of the control panel and the route to the various door vacuum valves.
Was this
answer
helpful?
Yes
No
+3
Wednesday, May 23rd, 2012 AT 1:14 AM
Tiny
ROBVERO209
  • MEMBER
  • 6 POSTS
  • 2000 DODGE DURANGO
  • 169,000 MILES
Cannot locate a/c heater vacuum hose broke off do not know where it goes because a/c doesnt blow air through vents
Was this
answer
helpful?
Yes
No
Tuesday, December 18th, 2018 AT 12:30 PM (Merged)
Tiny
IMPALASS
  • MECHANIC
  • 3,112 POSTS
Is this what you are looking for
Was this
answer
helpful?
Yes
No
Tuesday, December 18th, 2018 AT 12:30 PM (Merged)
Tiny
ROBVERO209
  • MEMBER
  • 6 POSTS
  • 2000 DODGE DURANGO
  • 169,000 MILES
Cannot figure out where missing hose goes by dist cap towards driver side firewall
Was this
answer
helpful?
Yes
No
-1
Tuesday, December 18th, 2018 AT 12:30 PM (Merged)
Tiny
RASMATAZ
  • MECHANIC
  • 75,992 POSTS
Try this
Was this
answer
helpful?
Yes
No
-1
Tuesday, December 18th, 2018 AT 12:30 PM (Merged)
Tiny
TWIN2175
  • MEMBER
  • 2 POSTS
  • 1998 DODGE DURANGO
  • V8
  • 4WD
  • AUTOMATIC
  • 85,000 MILES
I think that when I replaced the distributor cap I snapped (a brittle) vacuum hose. However, I cannot find where the hose goes to. My heater/AC will not switch from defrost to any other position (i.E. Floor, head, combo).
Was this
answer
helpful?
Yes
No
-1
Sunday, November 17th, 2019 AT 10:44 AM (Merged)
Tiny
HYDRASHOCKER
  • MEMBER
  • 1 POST
The small hard plastic style line goes down from the T connection and follows into the cab with the heater core lines through the same grommet and goes to the heater control. This is on the 1998, 1999, and some 2000 models. 2001-2003 are electronically controlled actuators and not vacuum.
Was this
answer
helpful?
Yes
No
+6
Sunday, November 17th, 2019 AT 10:44 AM (Merged)
Tiny
CJ MEDEVAC
  • MECHANIC
  • 11,005 POSTS
OK I hope you live somewhere other than Sunny California!

There were 4 diagrams, 2 were California

I grabbed the other 2, figured 49:1 were good odds!

I have no clue, why there are 2 different diagrams, with differences, maybe you will see the one pertaining to you.I answer best in the CJ 5 & 7 Forums

If you need the other 2, let me know.

Just trying do help!

The Medic
Was this
answer
helpful?
Yes
No
+2
Sunday, November 17th, 2019 AT 10:44 AM (Merged)

Please login or register to post a reply.