HOME
ASK A QUESTION
REPAIR GUIDES
BECOME A MEMBER
LOG IN
Login with Facebook
OR
Remember me
NOT A MEMBER?
FORGOT PASSWORD?
CONTACT US
PRIVACY POLICY
TERMS AND CONDITIONS
☰
Home
Dodge
Durango
Engine
Vacuum Hose Diagram
Heater vacuum line
ROBVERO209
MEMBER
2000 DODGE DURANGO
169,000 MILES
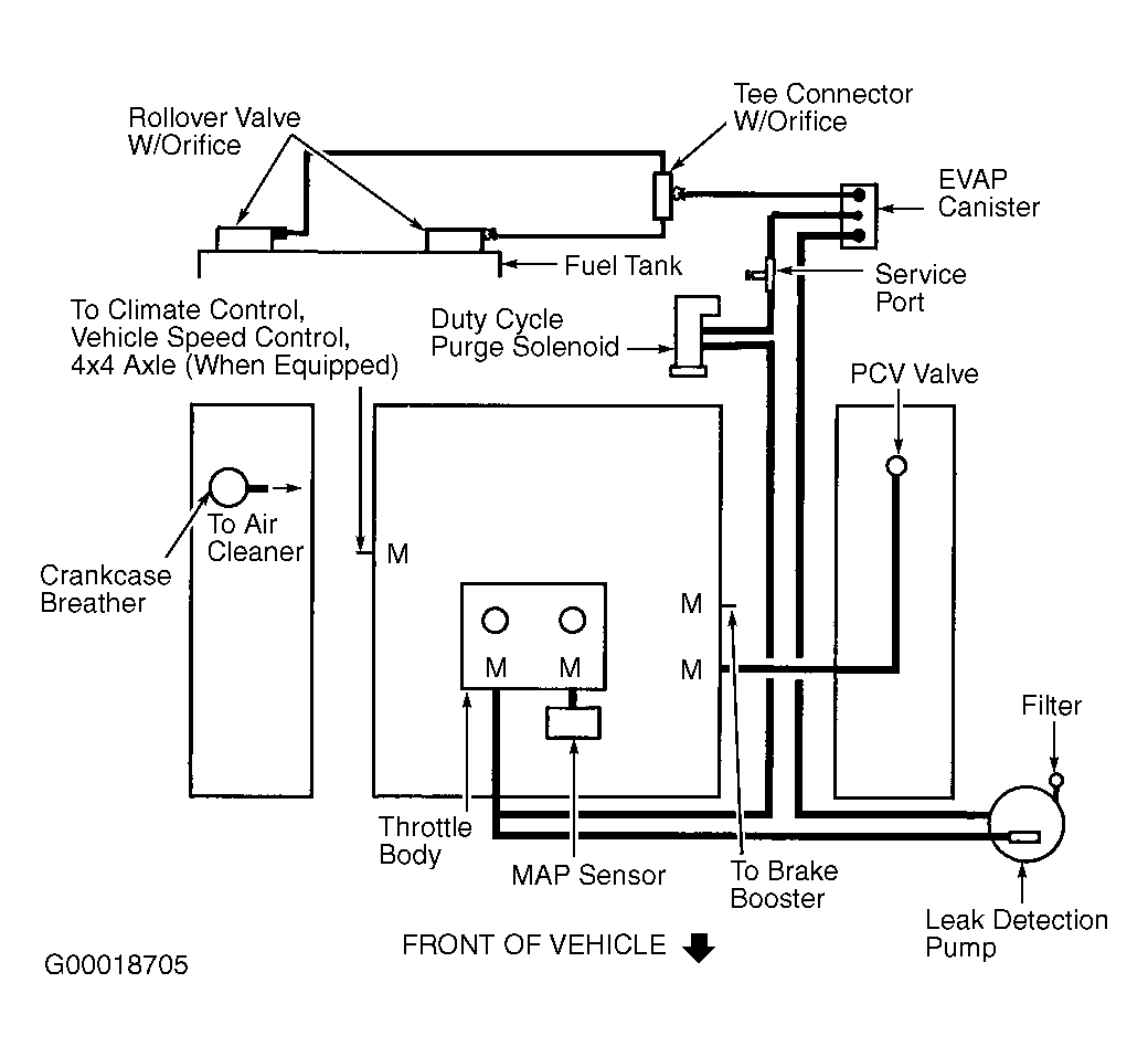
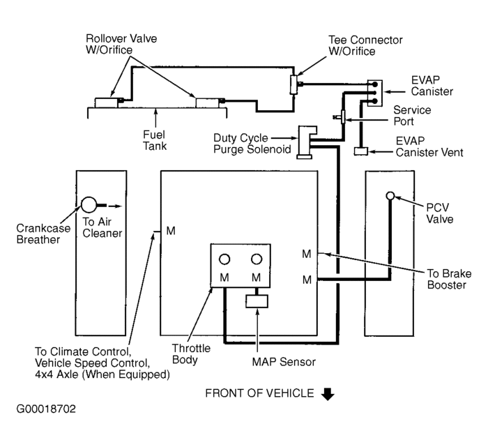
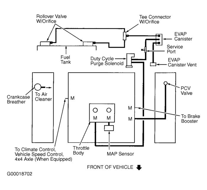
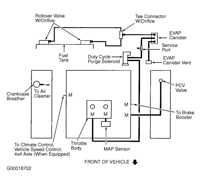
Where is vacuum line for heater control located inside vehicle
Friday, May 25th, 2012 AT 10:24 PM
5 Replies
RASMATAZ
MECHANIC
75,992 POSTS
What liter engine?
Was this
answer
helpful?
Yes
No
Friday, May 25th, 2012 AT 10:39 PM
ROBVERO209
MEMBER
6 POSTS
5.9 liter
Was this
answer
helpful?
Yes
No
Friday, May 25th, 2012 AT 10:59 PM
RASMATAZ
MECHANIC
75,992 POSTS
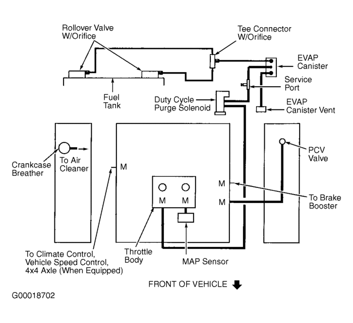
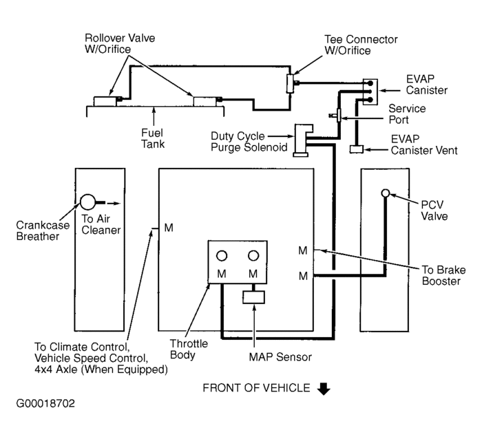
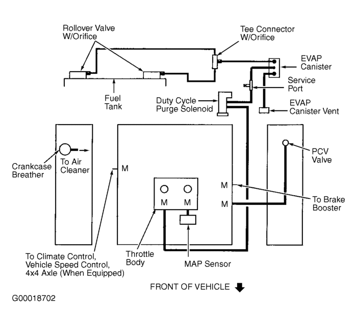
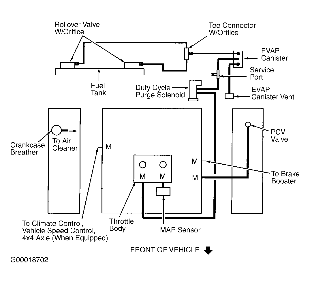
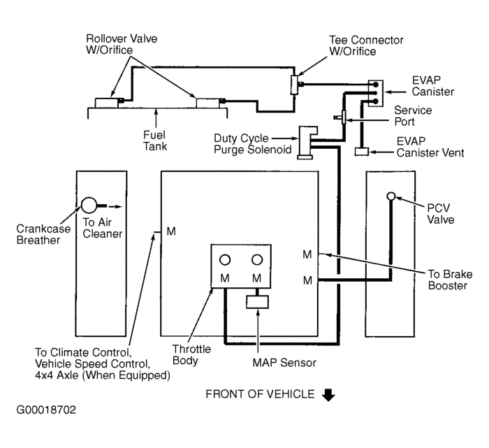
See below vacuum diagrams for your engine
Images (Click to make bigger)
Was this
answer
helpful?
Yes
No
Friday, May 25th, 2012 AT 11:09 PM
ROBVERO209
MEMBER
6 POSTS
Thank you that helps me a lot
Was this
answer
helpful?
Yes
No
Friday, May 25th, 2012 AT 11:14 PM
RASMATAZ
MECHANIC
75,992 POSTS
Your welcome
Was this
answer
helpful?
Yes
No
Monday, May 28th, 2012 AT 4:16 PM
Please
login
or
register
to post a reply.
Related Vacuum Hose Diagram Content
Hvac Vacuum Hose Location
Where Does The Vacuum Hose Go For A/c Heater Where In The Firewall Does It Go Or Where Else
Asked by
ROBVERO209
·
10 ANSWERS
8 IMAGES
2000
DODGE DURANGO
Vacuum Line Diagram?
5.7 Liter Engine. The Brake Booster Has A "y" Fitting On It So Two Vacuum Hoses Can Be Connected. The Vacuum Hose From The Manifold...
Asked by
razzman66
·
2 ANSWERS
2 IMAGES
2004
DODGE DURANGO
O2 Sensor
How Many O2 Sensors Does A 4.7 Have?
Asked by
jessicalorrian
·
4 ANSWERS
2 IMAGES
2000
DODGE DURANGO
2000 Dodge Durango Tune-up
I Have A 2000 Dodge Durango, Which Needs A Tune-up. It's Eating Gas Like Crazy, Shaking Somewhat, It's A Little Lounder Than Normal....
Asked by
Sherrese2000
·
1 ANSWER
2000
DODGE DURANGO
2000 Dodge Durango 4.7 4x4 How Do You Do A Tune Up On...
2000 Dodge Durango 4.7 4x4 How Do You Do A Tune Up On This Truck It/s A 4.7 Liter Motor Apparently A Mitsubishi Motor?
Asked by
cindypixley
·
5 ANSWERS
2000
DODGE DURANGO
VIEW MORE
Ask a Car Question. It's Free!
Misfire Random Code P0300
How to Repair an Engine Cylinder Misfire
Vacuum Leak Test and Repair