Thursday, January 24th, 2013 AT 4:52 PM
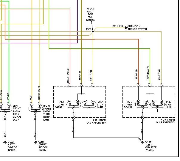
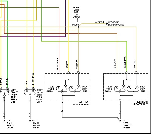
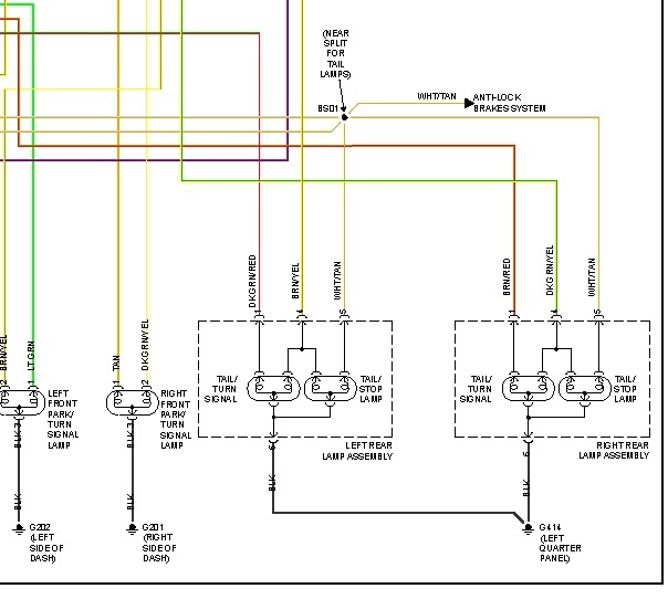
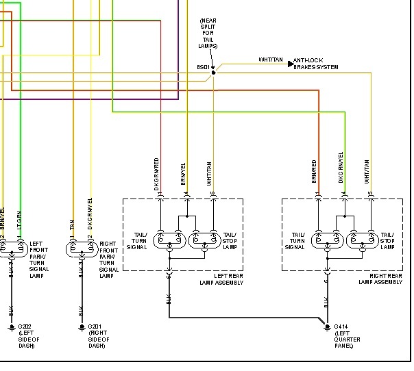
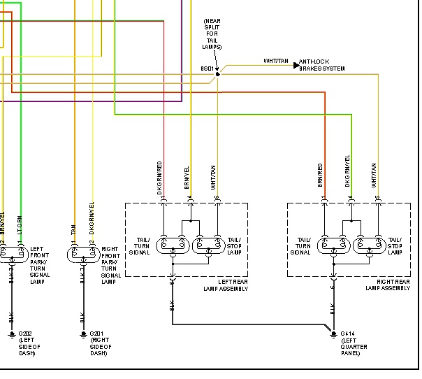
My brake lights are not working. Well two out of three are not working. The one in the rear window is working. But the two in the rear lighting housing are not working. The other lights in the rear are working (runing, turning & hazzerd)just fine. I have replace the bulbs, the fuses & the brake peddie swich. But the two lower brake lights still don't work. Need help! If anyone can help or have info that mite help me out? Thank you.


