Front wheels are not engaging

Tiny
OLDJEEP`
  • MEMBER
  • 2000 CHEVROLET TRACKER
  • 65,000 MILES
4x4 light is coming on but front wheels are not engaging, what are possible causes and can I manually engage hubs
Friday, January 20th, 2012 AT 8:33 PM

3 Replies

Tiny
RIVERMIKERAT
  • MECHANIC
  • 6,110 POSTS
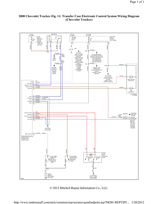
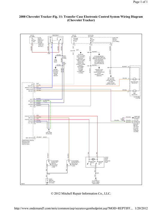
TRANSFER CASE DIAGNOSIS & OVERHAUL -2000 Chevrolet Tracker
Page 1 of 1
TEST D: 4WD INDICATOR DOES NOT TURN OFF

NOTE:
4WD indicator illuminates when ignition is on. Transfer case and axle
pump operate normally.
1.
Review transfer case circuit description and perform necessary inspections. If system review and inspection is complete, go to next step. If system review and inspection is not complete, see
TRANSFER CASE CIRCUIT DESCRIPTION under OPERATION.
Turn ignition on, engine off. Place transfer case in 2WD. If 4WD indicator light is off, check circuit for poor connections and intermittent conditions. See WIRING DIAGRAMS. If 4WD
indicator light is on, go to next step.
Check 4WD indicator circuit (Black/White and Orange/Black wires) for short to ground. See WIRING DIAGRAMS. Repair as necessary. After repairs, go to step 6. If circuits are okay, go
to next step.
If transfer case is stuck in 4WD, check for mechanical problem. See PRELIMINARY INSPECTION under TROUBLE SHOOTING. If transfer case is not stuck in 4WD, go to next
step.
Replace PCM. After repairs, go to next step.
6. Operate system to verify repairs. If problem has been corrected, system is okay. If problem has not been corrected, go to step 3.

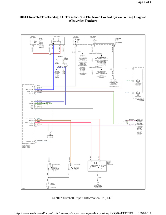
TRANSFER CASE DIAGNOSIS & OVERHAUL -2000 Chevrolet Tracker
Page 1 of 1
TRANSFER CASE CIRCUIT DESCRIPTION

There are 2 main components for the 4WD system, Powertrain Control Module (PCM) and the front drive axle actuator pump, which is controlled by the PCM. Actuator pump compresses air to engage
front axle. When transfer case is in 4WD (4H or 4L), the 4WD switch closes providing a ground signal to the PCM. The PCM actuates the pump which pressurizes actuator in front axle. Air pressure engages
axle hub which connects front drive shaft to axle shafts, allowing transmission/transfer case to turn front wheels. PCM will not operate pump for more than 10 seconds at a time to protect pump. PCM will also
provide a path to ground for 4WD indicator in instrument cluster. 4WD indicator light is provided battery voltage when ignition switch is in ON or START position through the IG fuse.
When transfer case is placed in 2WD mode, release valve in pump opens and releases air pressure in actuator. Without air pressure, the hub disengages. PCM also opens ground circuit to 4WD indicator
light which causes indicator light to turn off.
On automatic transmission models, when transfer case is in 4L, the 4WD Low switch sends a ground signal to PCM, and PCM will not engage torque converter clutch.
Was this
answer
helpful?
Yes
No
Friday, January 20th, 2012 AT 11:35 PM
Tiny
OLDJEEP`
  • MEMBER
  • 11 POSTS
Thank you for your response, the help is greatly appreciated. This is by far the best website for automotive help. Upon further inspection I have noticed that when I turn the wheels hard I can hear a clicking in the front drivers side wheel, I am assuming that I have a busted side axle or the hub is stripped out. If the latter is the case would it be acceptable to have the axle shaft welded to the hub. Again, thank you so much for your help.
Was this
answer
helpful?
Yes
No
Saturday, January 21st, 2012 AT 4:00 AM
Tiny
RIVERMIKERAT
  • MECHANIC
  • 6,110 POSTS
A clicking is probably a bad CV joint, especially if the clicking occurs while turning.
Was this
answer
helpful?
Yes
No
+1
Saturday, January 21st, 2012 AT 4:21 AM

Please login or register to post a reply.