Blower motor speed

Tiny
CLHAGEE
  • MEMBER
  • 2000 CHEVROLET S-10
  • 4 CYL
  • 2WD
  • AUTOMATIC
  • 160,000 MILES
I have a 200 s-10 and my heater blower was working on high, now not at all
Wednesday, December 8th, 2010 AT 3:48 PM

3 Replies

Tiny
RASMATAZ
  • MECHANIC
  • 75,992 POSTS
Check and test the AC/Heater fuse, blower motor relay, resistor, blower switch and blower motor
Was this
answer
helpful?
Yes
No
Wednesday, December 8th, 2010 AT 4:02 PM
Tiny
JDL
  • MECHANIC
  • 16,098 POSTS
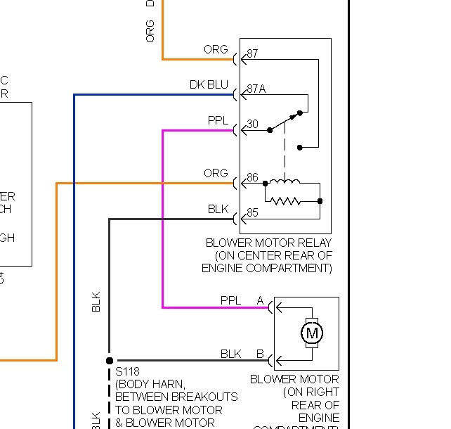
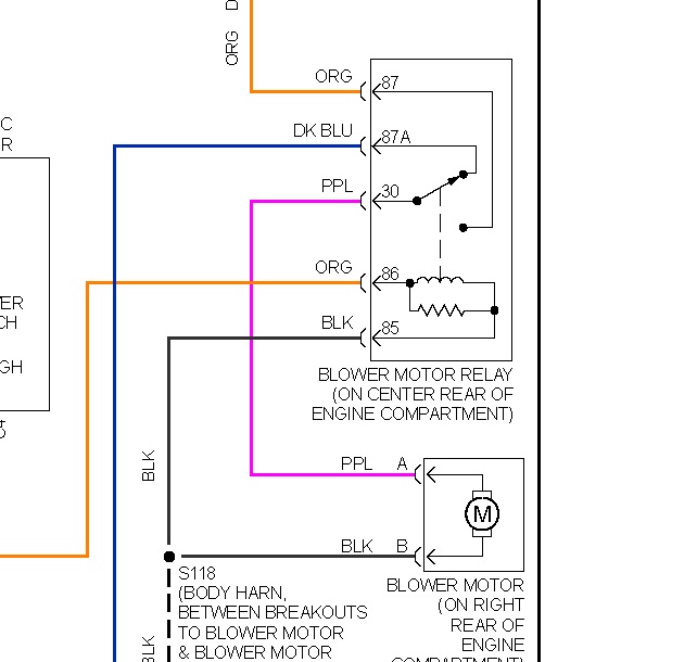
Check hvac fuses, not only check the fuse, use a voltage tester on the circuit. With key on, hvac on, check for voltage and ground at the blower motor. Purple wire is voltage, black is ground.
Was this
answer
helpful?
Yes
No
Wednesday, December 8th, 2010 AT 4:06 PM
Tiny
JDL
  • MECHANIC
  • 16,098 POSTS
Forgot to post the diagram.
Was this
answer
helpful?
Yes
No
Wednesday, December 8th, 2010 AT 4:07 PM

Please login or register to post a reply.