HOME
ASK A QUESTION
REPAIR GUIDES
BECOME A MEMBER
LOG IN
Login with Facebook
OR
Remember me
NOT A MEMBER?
FORGOT PASSWORD?
CONTACT US
PRIVACY POLICY
TERMS AND CONDITIONS
☰
Home
Chevrolet
S-10
Engine
Oxygen Sensor
Location
Oxygen sensor
GUYBOYAJIAN
MEMBER
2000 CHEVROLET S-10
4 CYL
2WD
AUTOMATIC
113,000 MILES
Oxygen sensor where is it? I have a 2000 chevy s10 pickup 2wd 4 cyl
Monday, April 4th, 2011 AT 10:18 PM
1 Reply
RASMATAZ
MECHANIC
75,992 POSTS
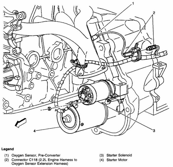
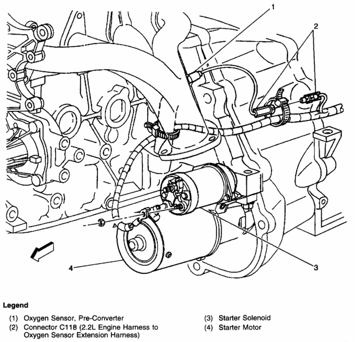
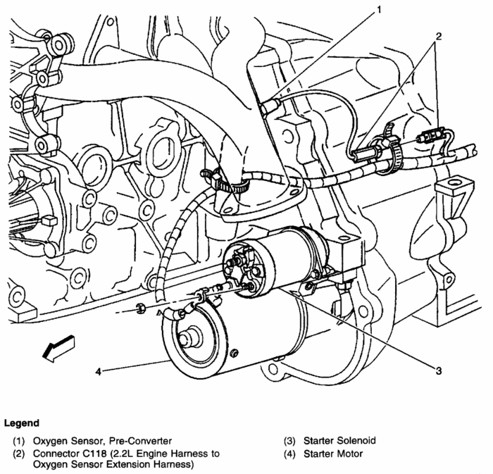
Check out the diagrams and guide (Below).
https://www.2carpros.com/articles/how-to-replace-an-oxygen-sensor
Please let us know if you need anything else to get the problem fixed.
Cheers
Images (Click to make bigger)
Was this
answer
helpful?
Yes
No
-1
Monday, April 4th, 2011 AT 10:27 PM
Please
login
or
register
to post a reply.
Related Oxygen Sensor Location Content
2000 Chevy S-10 Oxygen Sensor Locations
Can Someone Tell Me The Locations(s) And How Many O2 Sensors On A 2000 S10 Pickup 4cyl? Obd Code Read P1137. I Assume That Refers To O2...
Asked by
gunnyhwy11
·
3 ANSWERS
2000
CHEVROLET S-10
Engine Light- O2 Sensor
I Have A 2000 Chevy S-10 W/ A 4.3l And Engine Light Is On And The Code Reader Said It Was An O2 Sensor- Bank 1, Sensor 3. Where Is This One...
Asked by
Tonybum13
·
9 ANSWERS
2000
CHEVROLET S-10
Where Can I Find Impedence Specs For Sensors On My 4.3...
Where Can I Find Impedence Specs For Sensors On My 4.3 L 1994 Chevy S10? It Is Idling A Bit Uneven And Wanted To Check The Impedance On...
Asked by
Anonymous
·
5 ANSWERS
1994
CHEVROLET S-10
1996 Chevy S-10 Trouble Code Po 133
Trouble Code Po 133, "o2 Circuit Slow Response, Bank 1, Sensor 1". There Are Three Oxygen Sensors On Bank 1 Before The Cat Converter. So...
Asked by
Roger Forrest
·
1 ANSWER
1996
CHEVROLET S-10
1999 Chevy S-10 O2 Sensor
My Mil Is On And After Scanning It The Code Came Up As P0147 O2 Sensor Heater Circuit Malfunction( Bank 1 Sensor3) Would That Be Located...
Asked by
zzorag
·
1 ANSWER
1999
CHEVROLET S-10
VIEW MORE
Ask a Car Question. It's Free!
Oxygen Sensor Replacement
Oxygen Sensor Replacement Dodge
Oxygen Sensor Replacement