Monday, August 12th, 2013 AT 8:21 PM
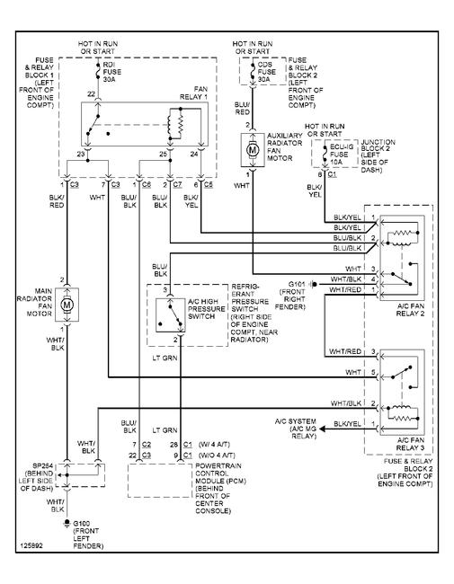
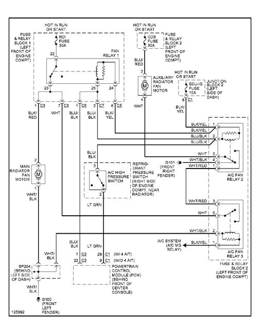
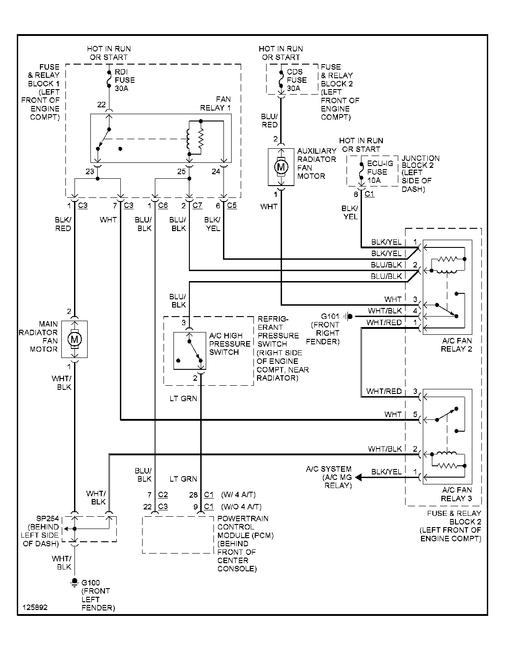
Where can I locate the relay for the cooling fans. I replaced three relays already they were. Fan 1., Fan 2, and fan 3. But was told there is another one up around the radiator area. No engine check light came on, just started getting hot that's when I noticed fan were not clicking on


