HOME
ASK A QUESTION
REPAIR GUIDES
BECOME A MEMBER
LOG IN
Login with Facebook
OR
Remember me
NOT A MEMBER?
FORGOT PASSWORD?
CONTACT US
PRIVACY POLICY
TERMS AND CONDITIONS
☰
Home
Chevrolet
Monte Carlo
General
Fuse Test
Electronic. Fans not working checked fuses no hot. Going to fans
REYN
MEMBER
2000 CHEVROLET MONTE CARLO
124,000 MILES
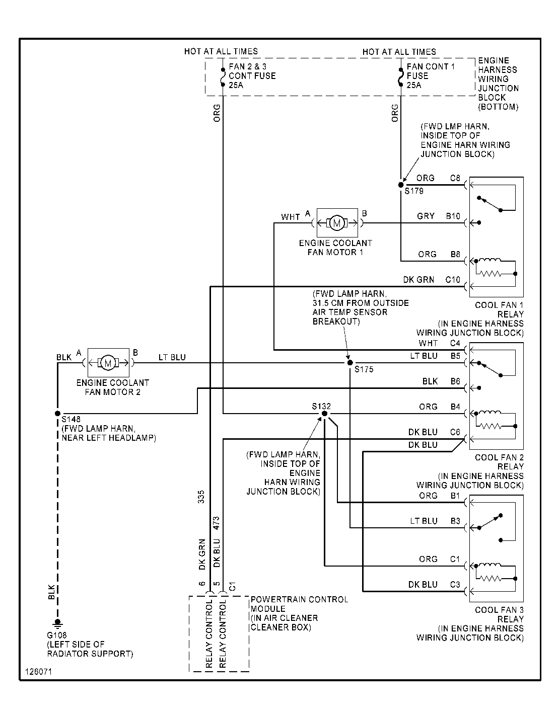
Fans not working used a test light no hot going to fans all regular fuses are good. Fan has 3 fan relay in
Thursday, December 15th, 2011 AT 7:48 AM
2 Replies
FIXITMR
MECHANIC
9,990 POSTS
So the fans dont come on you turn on AC?
Was this
answer
helpful?
Yes
No
-3
Thursday, December 15th, 2011 AT 8:25 AM
FIXITMR
MECHANIC
9,990 POSTS
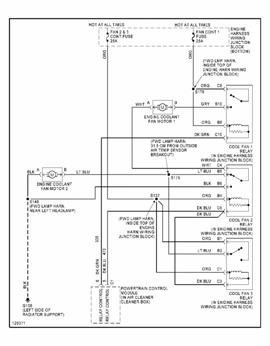
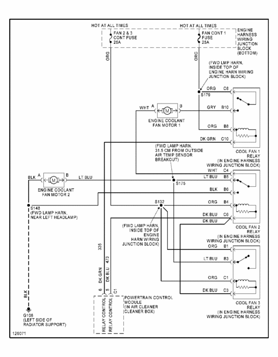
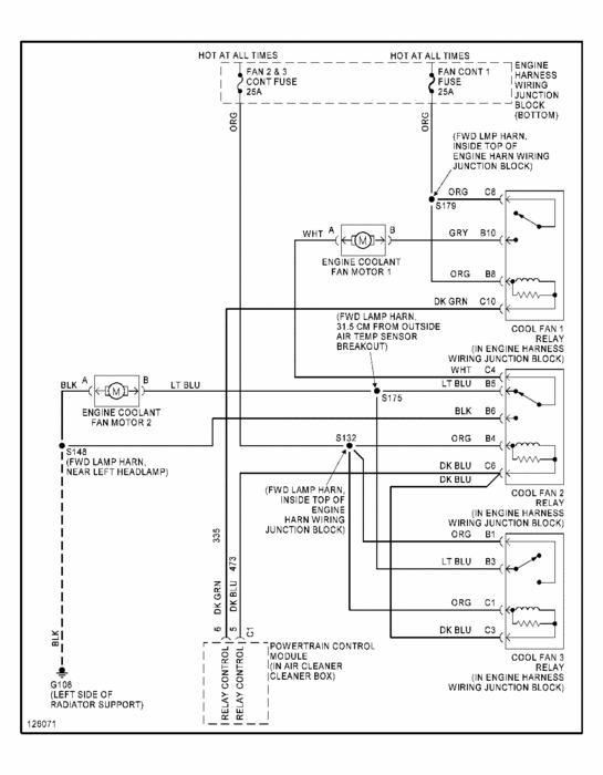
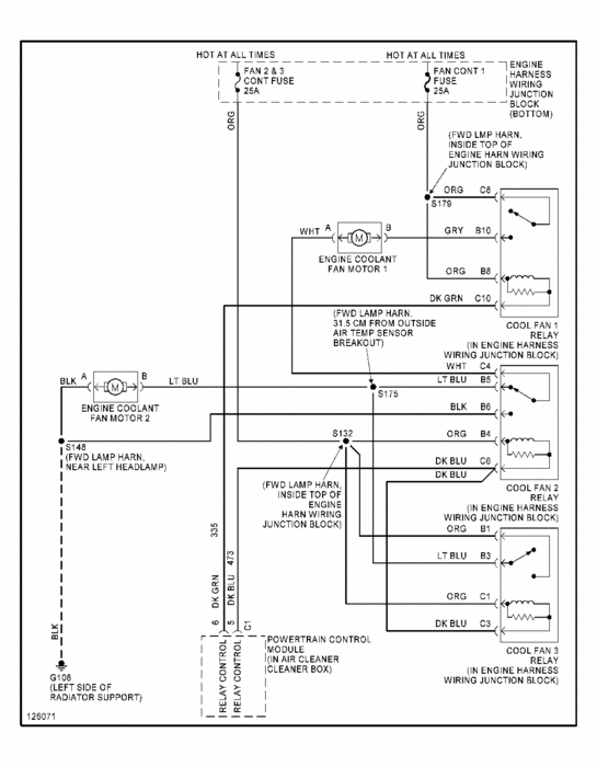
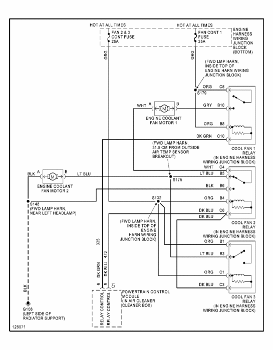
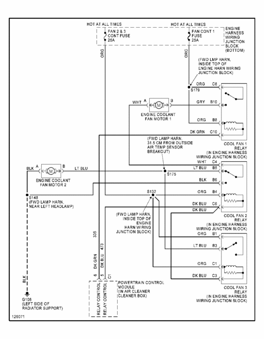
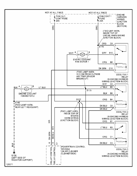
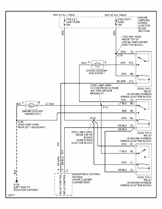
Here's wiring.
Image (Click to make bigger)
Was this
answer
helpful?
Yes
No
Thursday, December 15th, 2011 AT 8:45 AM
Please
login
or
register
to post a reply.
Related Fuse Test Content
I Need To Know Where Any Relays - Fuses Are For The...
Drivers Side Won't Get Hot/warm. Can Hear Passenger Side Working When Adjusted, Hear Nothing When Adjusting Drivers Side.
Asked by
robert l f
·
2 ANSWERS
1 IMAGE
2004
CHEVROLET MONTE CARLO
1997 Chevy Monte Carlo Car Shaking While In Drive
Hello, I Just Recently Bought A 1997 Monte Carlo About 2 Months Ago At A Local Dealership. It Has Ran Great For Those 2 Months. I Have Kept...
Asked by
evanusa
·
2 ANSWERS
1997
CHEVROLET MONTE CARLO
2002 Chevy Monte Carlo My Car Shakes
My Car Shakes When Breaking At High Speeds. And Hops As It Comes To A Stop On Service Roads. I Just Replaced Both From Rotors 8 Months Ago...
Asked by
kyle002
·
1 ANSWER
2002
CHEVROLET MONTE CARLO
Abbreviations
What Do The Following Abbreviations On The Fuse Panel Stand For Clk Ltr. Ctsy. Accsy. Lps. Acc. Tcs Sol. And Inst Lps?
Asked by
bigboyloy
·
4 ANSWERS
1971
CHEVROLET MONTE CARLO
I Just Received Title And I Did Not Know The Car Was A...
I Did Not Know It Was A Salvage Title, I Am In Minnesota. The Car Dealer Never Told Me That Information Before Or After I Bought It. Can I...
Asked by
Jl Felony
·
3 ANSWERS
2004
CHEVROLET MONTE CARLO
VIEW MORE
Ask a Car Question. It's Free!
Change Oil and Filter Hyundai Tucson
Oil Change and Filter Ford Transit 2002-2013
Oil Change and Filter Replacement Chevrolet E