Brake light wont work

Tiny
DARTHALAN
  • MEMBER
  • 2000 CHEVROLET CAMARO
  • 42,000 MILES
On 2000 camero. Have checked bulbs--replaced break light switch--bulbs burn bright if parking lights are on---if you flip the bulb over, it is dim. All fuses and relays are good, have replaced flasher also.
Saturday, March 10th, 2012 AT 3:06 AM

6 Replies

Tiny
CJ MEDEVAC
  • MECHANIC
  • 11,005 POSTS
DO YOUR HAZARD LIGHTS WORK FRONT AND REAR (ALL LOCATIONS THAT THEY SHOULD)?

THE MEDIC
Was this
answer
helpful?
Yes
No
Saturday, March 10th, 2012 AT 3:12 AM
Tiny
DARTHALAN
  • MEMBER
  • 3 POSTS
All the other lights work just fine----forgot to add----the third light(Cyclops) works just fine.
Was this
answer
helpful?
Yes
No
Saturday, March 10th, 2012 AT 4:00 AM
Tiny
CJ MEDEVAC
  • MECHANIC
  • 11,005 POSTS
IS THIS YOUR SWITCH?

http://www.autozone.com/autozone/parts/Duralast-Stoplight-Switch/2000-Chevrolet-Camaro/_/N-je266Z9cias?itemIdentifier=363561_0_0_

I KNOW THIS MAY BE A HASSLE, BUT IT WILL COST NOTHING!

DISCONNECT YOUR BATTERY---REMOVE THE SWITCH---PLUG IT IN (IF NOT ALREADY)----RECONNECT THE BATTERY----HAVE YOUR PAL WATCH THE LIGHTS, WHILE YOU ACTUATE THE SWITCHES PLUNGER

THIS WORKS SIMILAR TO MY '77 JEEP CJ 5 STOP LIGHT SWITCH----MINE TURNS "ON" WITH THE PLUNGER "OUT".........YOURS MAY BE THE SAME, OR COULD EVEN OPPOSITE.....I'M PRETTY MUCH A "JEEP GUY"

BEING THAT IT IS IN A SPOT THAT CAN ONLY BE ACCESSED BY "DOUBLE JOINTED MIDGET MUNCHKINS", IT IS VERY EZ NOT TO GET IT ADJUSTED CORRECTLY.

I HAVE FOUND THAT WITH A GOOD LIGHT AND A BIG "HAND MIRROR"....JUST A LITTLE TRIAL AND ERROR WORKING WITH THINGS THAT APPEAR BACKWARDS, YOU CAN SAVE A TRIP TO THE CHIROPRACTOR. ONCE YOU GET PAST THE BACKWARDS FRUSTRATION, YOUR NECK AND BACK WILL NOT BE KILLING YOU, AS WITH THE WAY YOU PROBABLY DID IT THE 1ST TIME!

THERE IS ALSO THE POSSIBILITY OF A BAD "NEW" SWITCH...IF YOU SUSPECT THIS IS THE ISSUE, GO TO A DIFFERENT PARTS STORE FOR ANOTHER...SOMETIMES BAD PARTS COME IN BATCHES! DOING THIS MAY ALSO RULE OUT THE SWITCH AS THE PROBLEM

THAT'S ABOUT ALL I CAN OFFER, BUT PLEASE DO RETURN WITH GOOD NEWS OR MORE ASSISTANCE, WE AIM TO PLEASE...OTHERS STILL MAY JUMP IN, OR I WILL TRY TO FIND SOMEONE WHO MIGHT OFFER MORE.

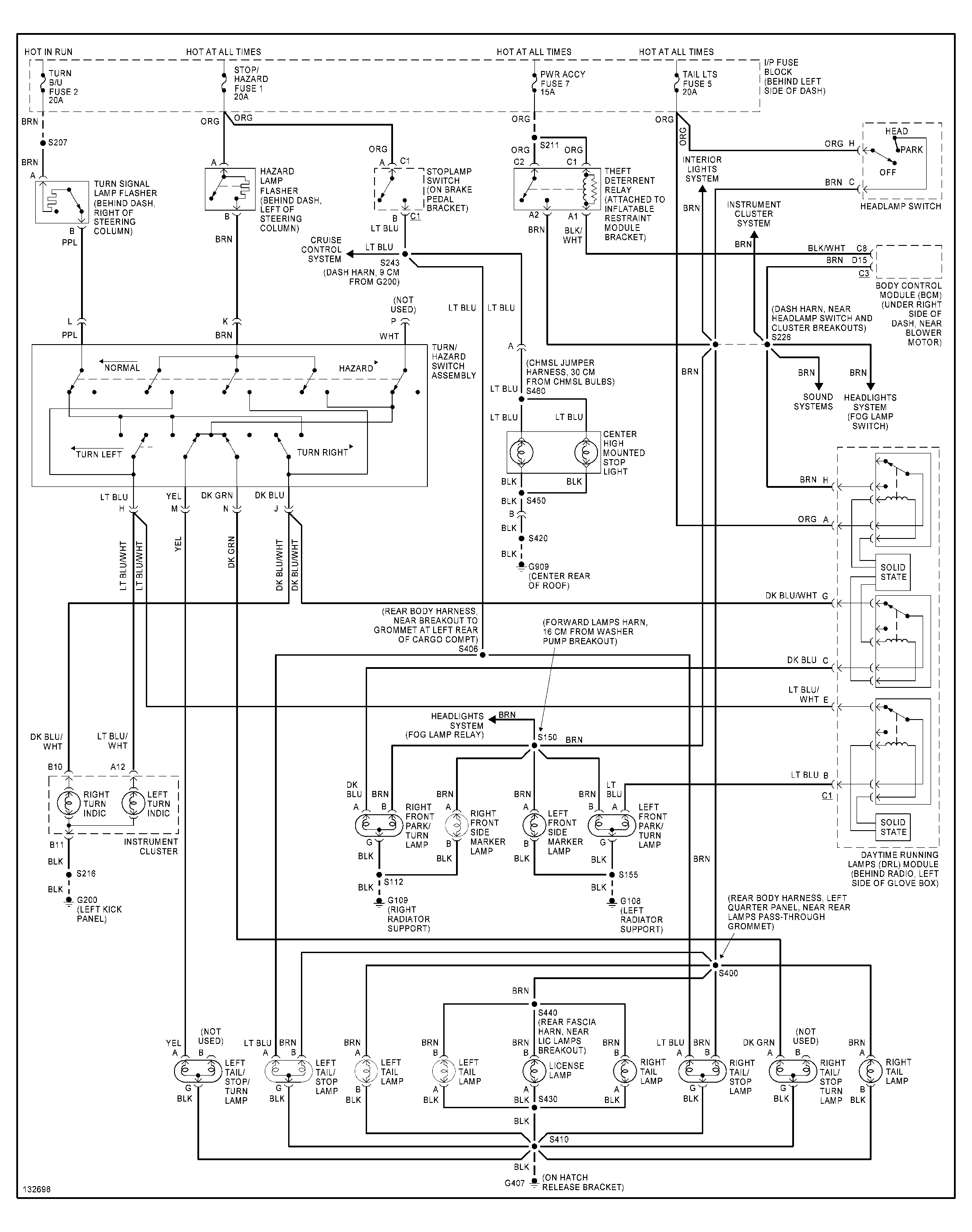
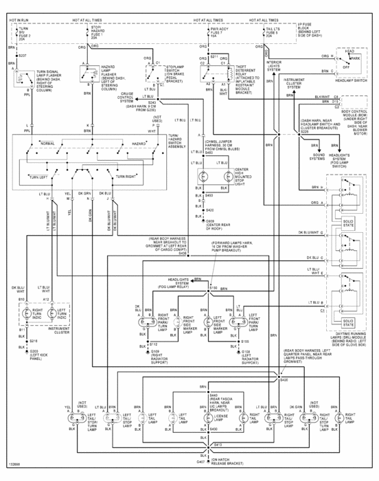
I WAS ABLE TO GET YOU A WIRING DIAGRAM OF THE SYSTEM, KNOWING IF YOU HAVE ANTILOCK BRAKES,YOUR ENGINE SIZE, AND SPECIFIC TYPE OF CAMARO (LIKE BASE, SS, Z28) MAY BE HELPFUL IF I NEED TO GET YOU OTHER DIAGRAMS

LET ME KNOW IF THE DIAGRAM IS NOT READABLE, I WILL EXPLAIN HOW TO GET IT TO YOU (MY DOWNLOAD, IF NEED BE) SAFELY WITHOUT YOU BLURTING OUT PERSONAL INFO ON OPEN FORUM...I HAVE NO CLUE HOW BLURRED IT MAY GET IF "BLOWN UP" UNTIL I POST IT.

THE MEDIC
Was this
answer
helpful?
Yes
No
Saturday, March 10th, 2012 AT 4:52 AM
Tiny
DARTHALAN
  • MEMBER
  • 3 POSTS
Thank all of you for the great advice, it all boils down to a Viper security system, caused all kinds of electrical problems, I have a guy that will be taking that peice of trash out.
Was this
answer
helpful?
Yes
No
Tuesday, March 13th, 2012 AT 4:26 AM
Tiny
CJ MEDEVAC
  • MECHANIC
  • 11,005 POSTS
WHEN HE GETS IT OUT, TELL HIM YOU'D LIKE TO SWAP OUT HIS LABOR. HE CAN KEEP THE SO CALLED "PIECE OF TRASH" AND GIVE YOU $25 TO BOOT!

GLAD YOU GOT IT FIGURED OUT, THANKS FOR THE RESPONSE

I HAVE HAD ABSOLUTELY NO PROBLEMS WITH MY SECURITY SYSTEM, INSTALLATION AND REMOVAL IS A BREEZE.

THE MEDIC
Was this
answer
helpful?
Yes
No
Tuesday, March 13th, 2012 AT 4:48 AM
Tiny
JACOBANDNICKOLAS
  • MECHANIC
  • 110,192 POSTS
Do you have power to the brake light switch?
Was this
answer
helpful?
Yes
No
Wednesday, March 14th, 2012 AT 4:13 AM

Please login or register to post a reply.