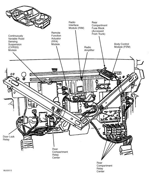
Friday, June 15th, 2012 AT 5:02 PM
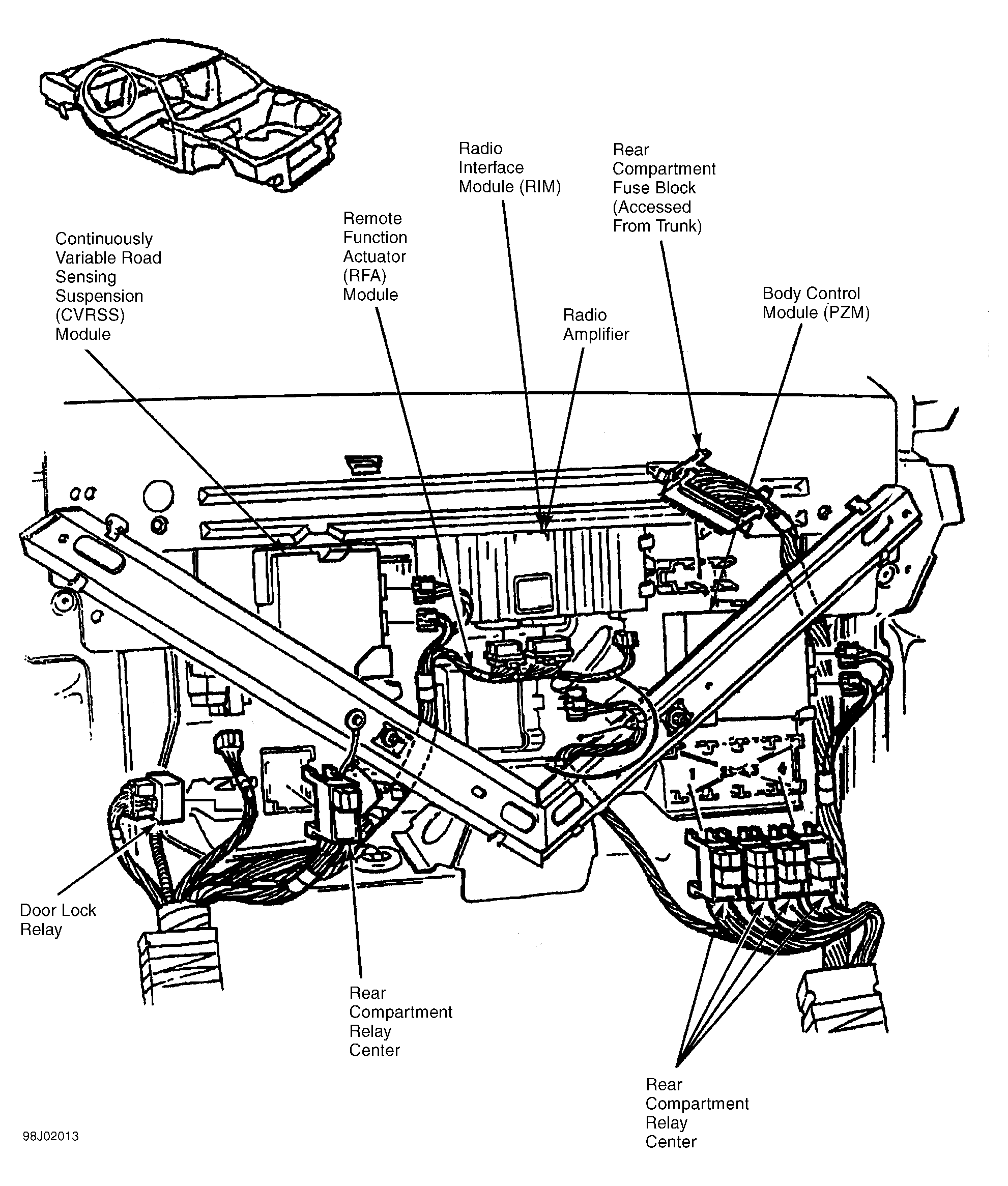
I am at my wits end. My battery is fine, the grounding is fine. After I drive the car and shut it off. Car will not restart until it sits for a while. I have full power but absolutely no cranking of starter. I have a new alternator and starter. Both are fine. After I get the car started it goes into some kind of safe mode. I get messages like. Car will not exceed 90 mph, service stability system, service airbag, traction control, and service some other systems. You get the idea. All the dashboard lights flash on and off, all the gauges go up and down from full to empty etc. Obviously there is some kind of short somewhere. I have heard from some people that there was a problem with wiring in the steering column and with some kind of module or something in the trunk. I can't tear apart my steering column, and don't see anything in the trunk that looks like what I am looking for. I know I should take it to a Caddy dealer so mechanics that work on Caddy's know what to do. Just can't afford it right now or allow the time for the car to be in the shop. Need it to get to work. Any thoughts? Eventually the system resets and goes back to normal but it happens everytime I drive the car. Help!

