repair

2000 BUICK PARK AVENUE
6 CYL • AUTOMATIC
Avatar
MARKMACK123
  • MEMBER
  • 2 POSTS
i need to now where put a egr vavle on a buick park aveune
Dec 21, 2010 at 7:25 PM
Repair Safety Notice: This information is for general instructional purposes only. Vehicle repair can be dangerous. Verify all information, follow manufacturer service procedures, use proper tools and safety equipment, and consult a qualified repair shop when needed.
Advertisement
Avatar
RASMATAZ
  • CAR REPAIR CONTRIBUTOR
  • 75,992 POSTS
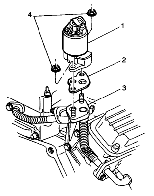
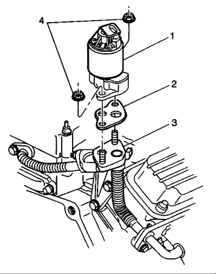
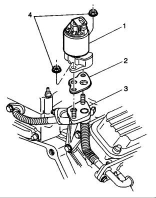
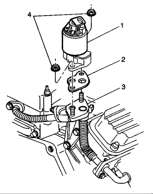
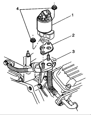
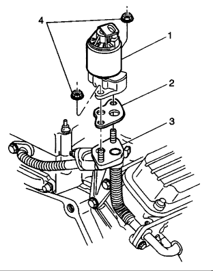
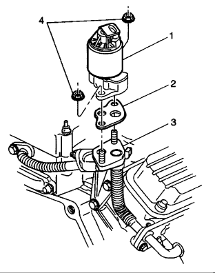
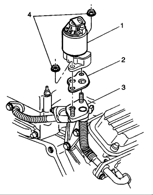
Disconnect the electrical connector from the EGR valve.
Remove the two EGR valve retaining nuts (4).
Remove the EGR valve (1).
Remove the gasket (2) from the EGR valve adapter (3).

Dec 21, 2010 at 7:46 PM
Advertisement