Tuesday, November 12th, 2019 AT 7:55 AM
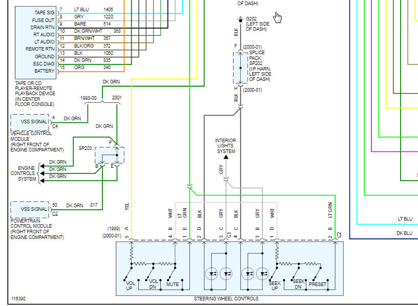
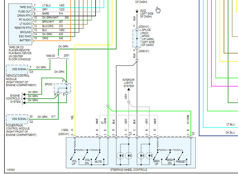
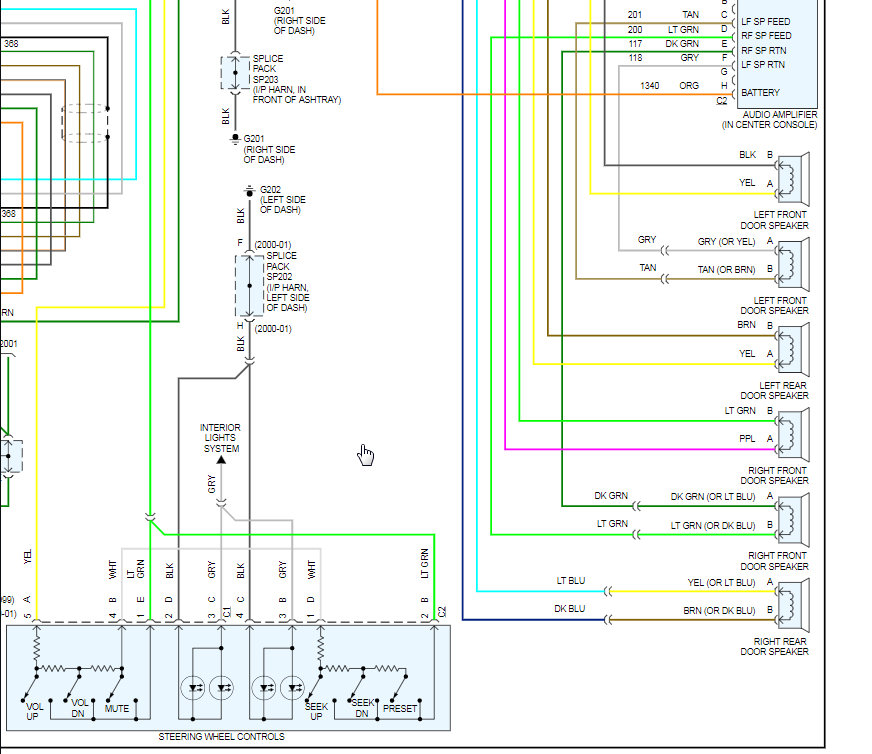
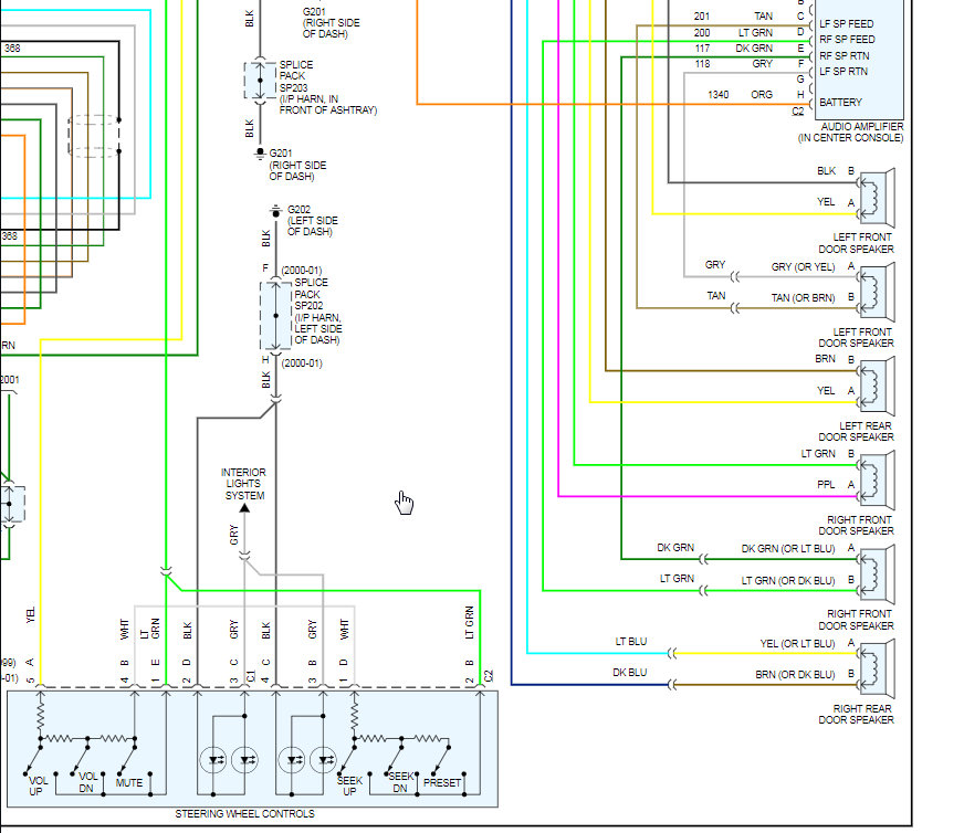
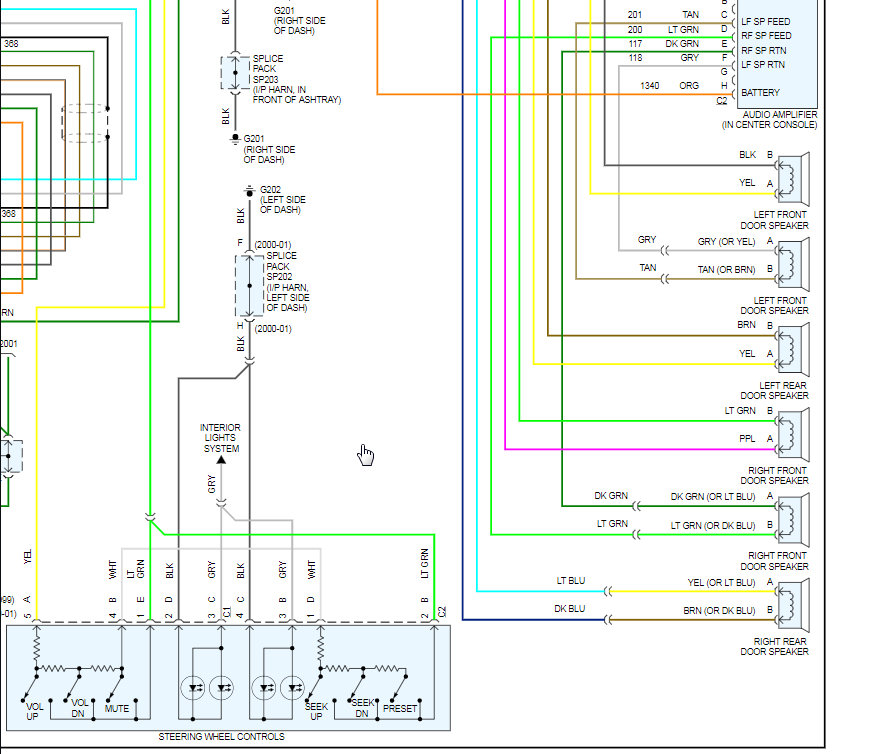
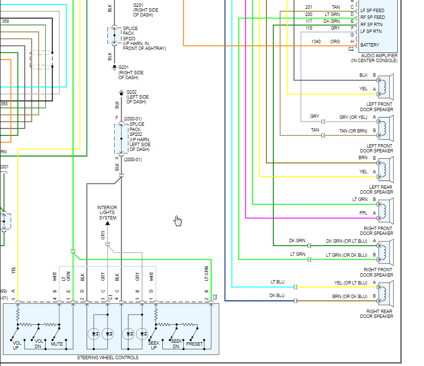
I have seen the radio diagram listed on your site. My S10 Blazer LS 4 door has 6 Factory speakers, Can you help with a diagram?







