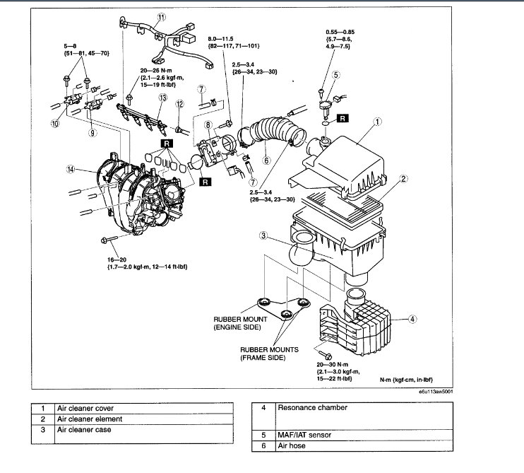
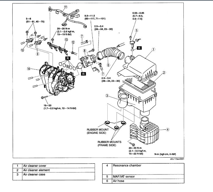
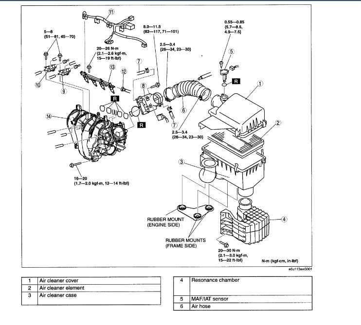
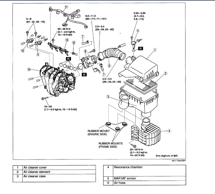
I had a problem with power, turned out that turbo, intercooler and vacuum pump were not working.
I bought all new parts and replaced them, but the power didn't come back. Diagnostics also showed no fault codes. We even looked for vacuum leaks but all hoses are in good condition. If I make restart for car by disconnecting battery and then connect again then the power comes back but only for 200 meter and then turbo like almost stop's working.
2.0 103kw TDI 2008
Can you help me with this problem?
Thanks Toni.
Wednesday, September 7th, 2022 AT 6:47 AM
