Tuesday, November 5th, 2019 AT 7:16 AM
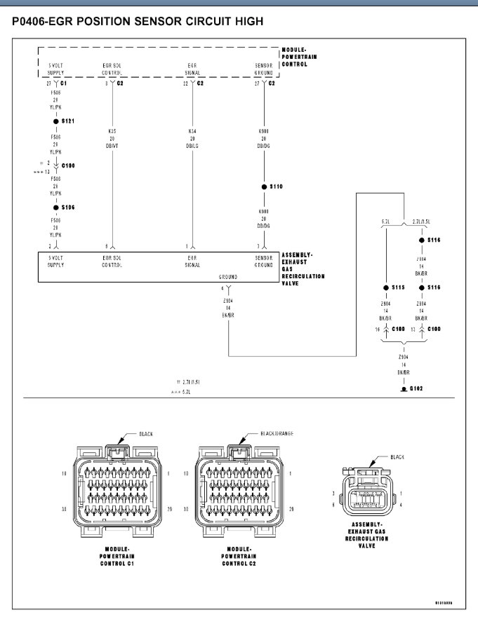
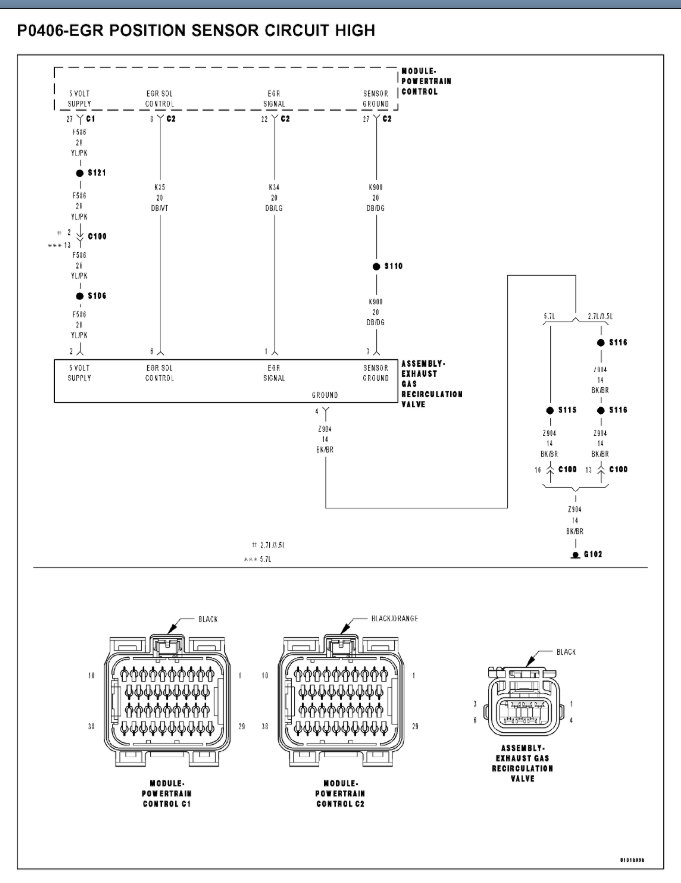
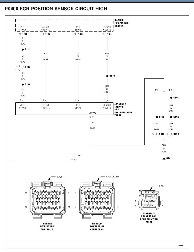
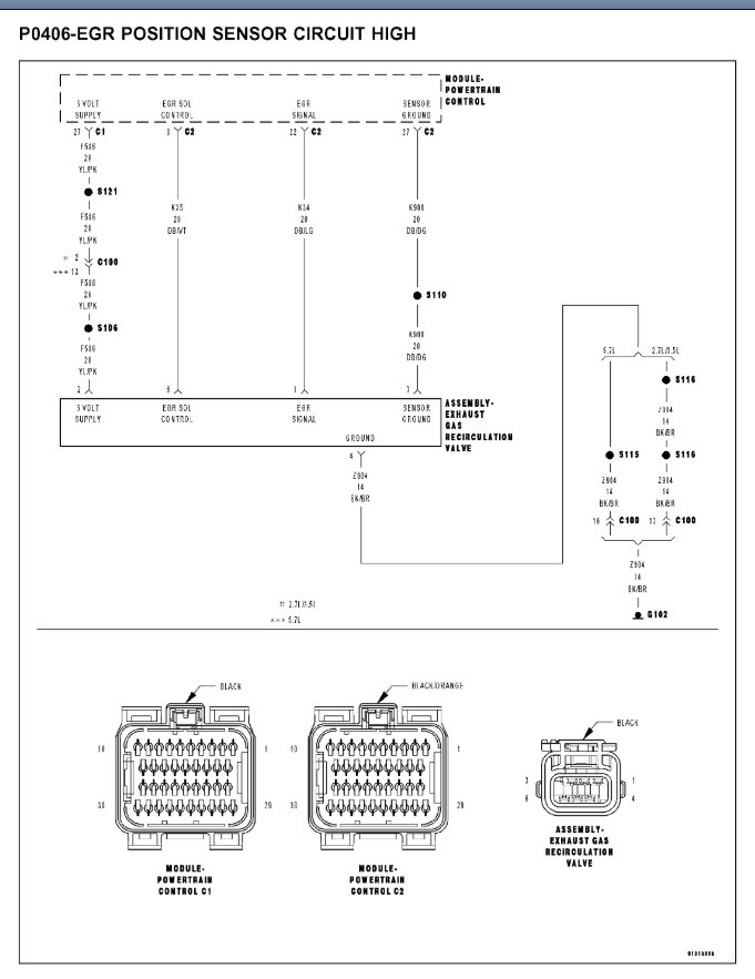
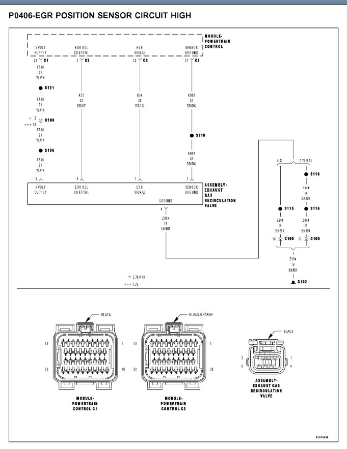
No symptoms but have 2 codes; P0520 oil pressure sensor/switch circuit and p0406 exhaust gas re-circulation sensor A circuit high.




















