Putting 4.3L engine from a totaled 2015 Silverado 1500 into a 73 VW Beetle

Tiny
DANE57
  • MEMBER
  • 2015 CHEVROLET SILVERADO
  • 4.3L
  • V6
  • 2WD
  • MANUAL
  • 27,000 MILES
1GCRCPEH7FZ232833

Please help me find drawings of the engine compartment with locations of wiring harness plugs. I bought a new harness (GM harness 84080118) but can only recognize about half of the plugs. Online drawings only show the bare harness.

Also need drawing of fuel connections on engine.
Can't get access to dealer workshop manual online.

Please attach drawings to email, so I can print. Thank you!
Friday, August 21st, 2020 AT 11:40 AM

5 Replies

Tiny
JACOBANDNICKOLAS
  • MECHANIC
  • 110,194 POSTS
Hi,

The harness number provided is for the console. Is that what you need?

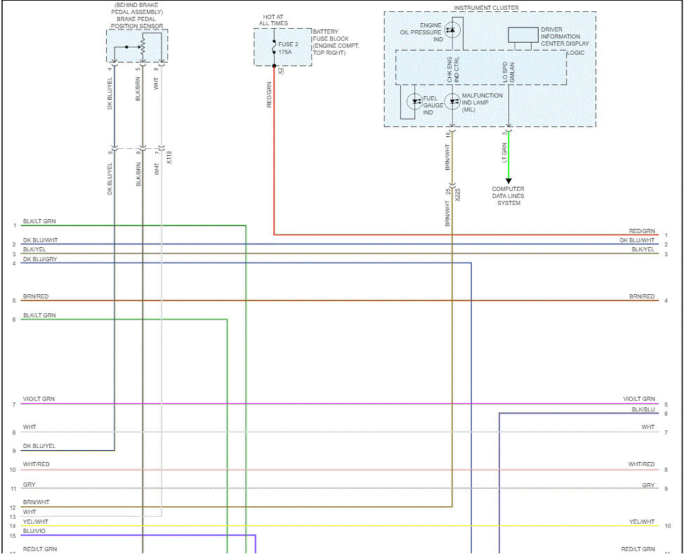
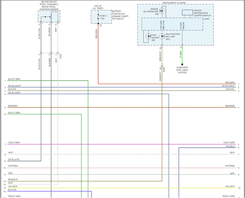
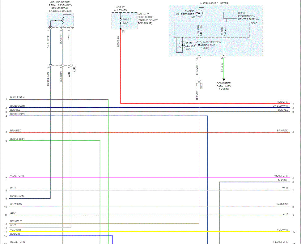
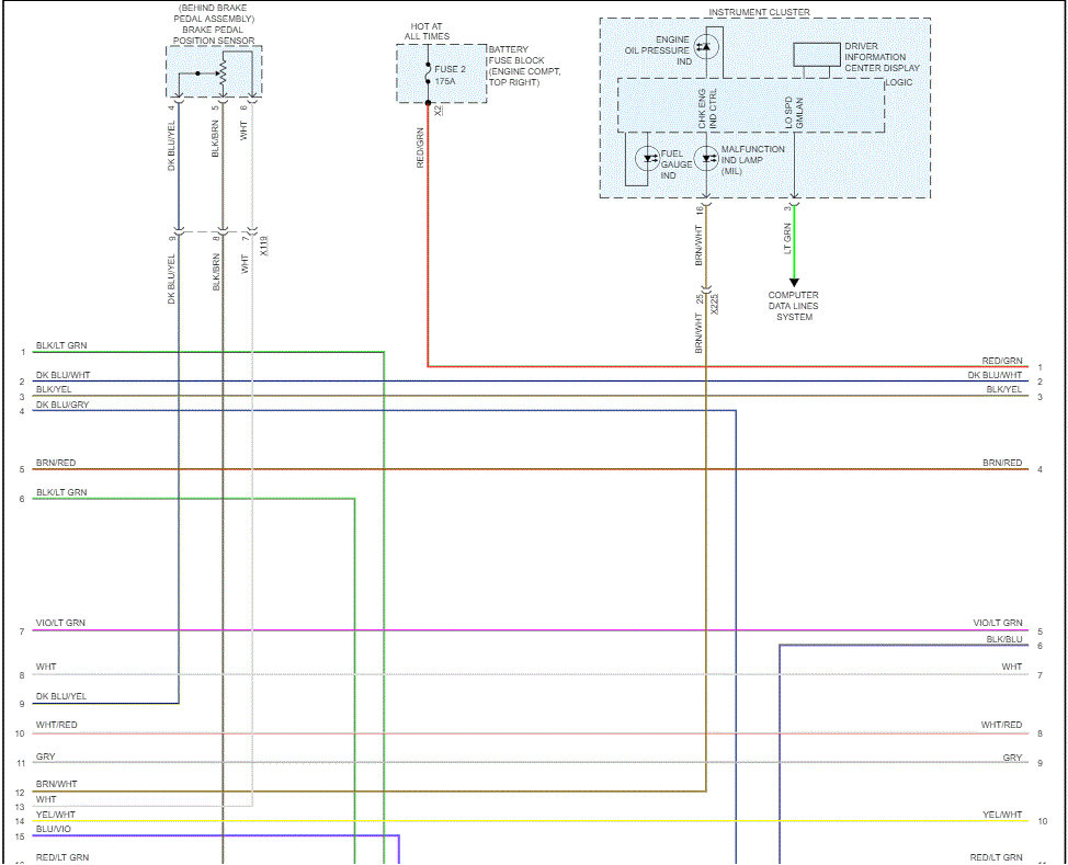
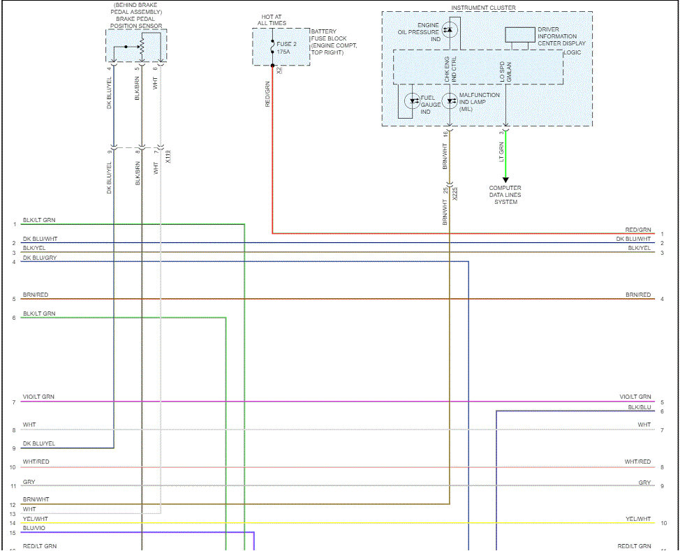
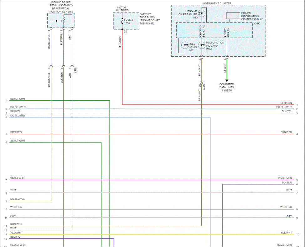
As far as the fuel connections, I suspect you are referring to the injector wiring. If you look at pic 1, I cut out just the injectors. It shows color coding to each one. Note that this is from a wiring schematic for the truck you listed above.

_________________________________________________________________

Next, there are 6 pages of power-train management schematics. I had to cut each in half to make them readable, but I did overlap them so you could follow them. I'm adding everything because it shows how the injectors are wired into the PCM and so on.

_________________________________________________________________

If the part number is correct, I need to know specifics as far as what you can't locate. The schematics are broken down by components and not part numbers, so let me know.

I hope this helps.

Take care,
Joe
Was this
answer
helpful?
Yes
No
+2
Friday, August 21st, 2020 AT 1:43 PM
Tiny
DANE57
  • MEMBER
  • 3 POSTS
Joe, thanks for the fast reply. Wasn't what I asked for though. I already have schematics. I can't find a drawing like attachment (for Toyota) that shows placement and descriptions of the sensor etc, that my harness plugs into.
And I need to supply fuel lines from the tank to the engine and back. There is one supply connection on the engine and three on the tank mounted pump. Can't find drawing of the fuel system either. So far my only choice is to buy a workshop manual ($700.00) no thanks.
Was this
answer
helpful?
Yes
No
-1
Friday, August 21st, 2020 AT 2:01 PM
Tiny
JACOBANDNICKOLAS
  • MECHANIC
  • 110,194 POSTS
Hi,

I understand. The issues for me is I need something specific. For example, crankshaft position sensor. I can send a pic of its location, but I can't find a general overview of everything like the one you attached, even though I've seen them. Sorry about that.

If you look below, I have individual connector views of everything, but there are many. It would take a week to upload everything. That's why I said specifics. Take a look and let me know if there is something there you need.

Joe
Was this
answer
helpful?
Yes
No
+1
Friday, August 21st, 2020 AT 2:46 PM
Tiny
DANE57
  • MEMBER
  • 3 POSTS
I see what you mean. How about diagram and instructions for GM harness 84080118? Because honestly, I have hooked up all the plugs on the front of motor, fuel injectors, grounds, ECM, and fuse block. I also know which leads go to O2 sensors, and transmission,
but this harness has leads that I don't have matching female plugs for. If I could define those, I might not even need them and that would be so helpful.
VIN for my motor is: 1GCRCPEH7FZ232833
Was this
answer
helpful?
Yes
No
Friday, August 21st, 2020 AT 3:40 PM
Tiny
JACOBANDNICKOLAS
  • MECHANIC
  • 110,194 POSTS
I would be happy to, but I can't look it up with a part number. Is it possible for you to take a couple pics of it and where you are having the trouble. Hopefully, if I see the wire color and if you tell me approx where it's located, I will be able to find it in schematics.

That's the only thing I can think of. If possible, make sure I can see the wire color. Hopefully I'll be able to pinpoint connectors that have the same colors and see where they go.

Let me know.
Joe
Was this
answer
helpful?
Yes
No
+2
Friday, August 21st, 2020 AT 8:34 PM

Please login or register to post a reply.