Blower motor not working

Tiny
JIMPARKS
  • MEMBER
  • 1999 VOLVO S70
  • 180,000 MILES
My blower motor would slow as I excelarated and speed up as I decreased excelaration, now also when I turn on and turn off parking ligths the light on radio will go out and then come back on everything else is fine.
Wednesday, December 28th, 2011 AT 12:10 AM

1 Reply

Tiny
DRCRANKNWRENCH
  • MECHANIC
  • 3,380 POSTS
The first thing to do is have the throuble codes pulled. Any Advance Auto ro Auto Zone will do this for free.
It sounds like you have a ground problem or even a backgrounding problem. The difference is a ground problem is an issue with the ground associated with the circuit. Backgrounding or backfeeding is when a ground that is from another circuit and usually for a higher amperage circuit is bad and the power seeks the path of least resistance to ground out. These can be difficult to find sometimes. You have to look at grounds near the circuit(s) having issues and see if there are any that could find ther way to the problem circuit if the ground for the backfeeding circuit were removed which makes the only ground available the one in the cicuit having problems.
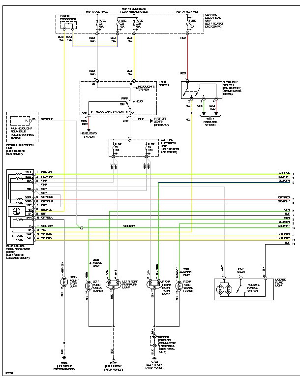
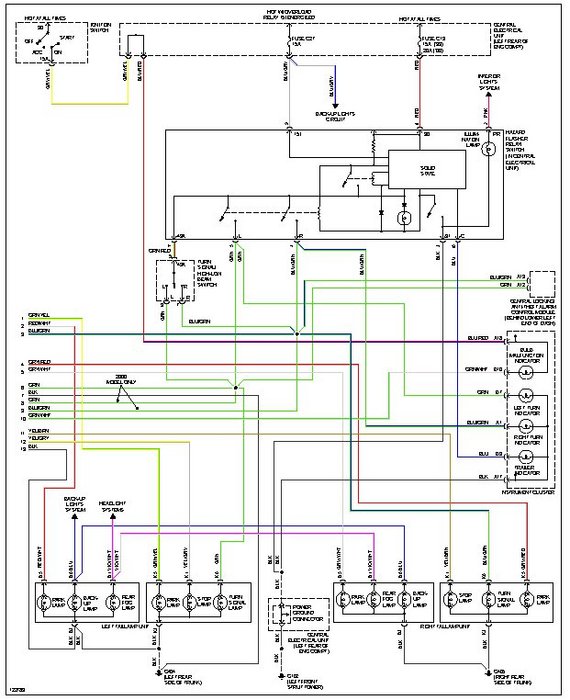
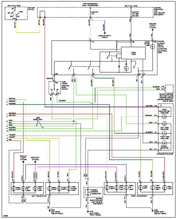
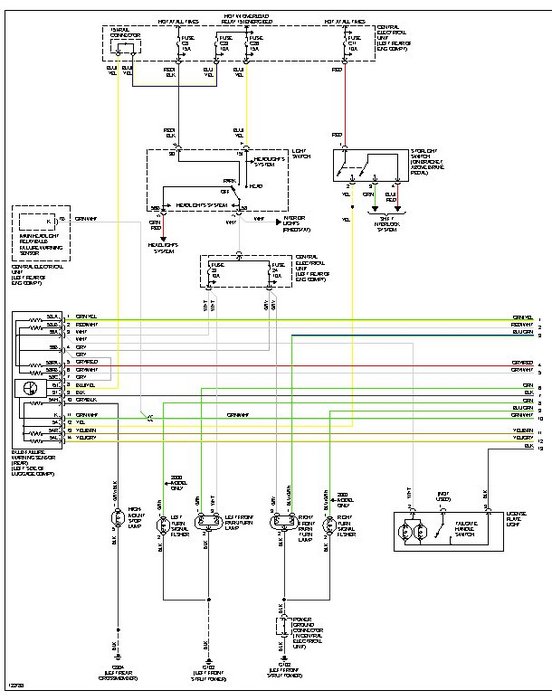
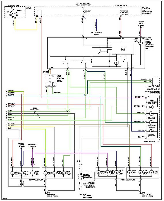
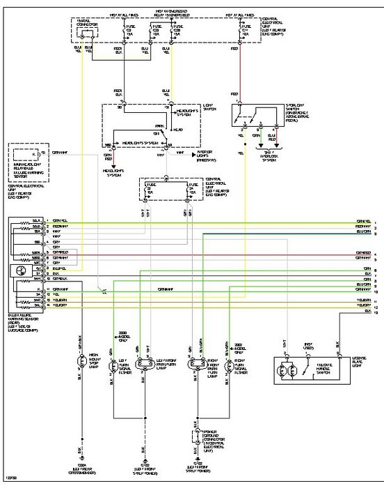
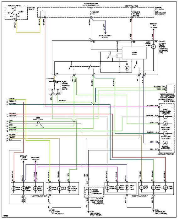
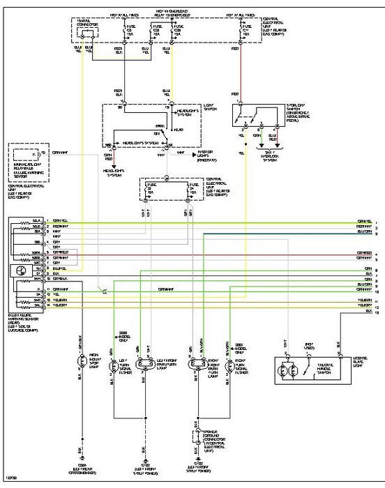
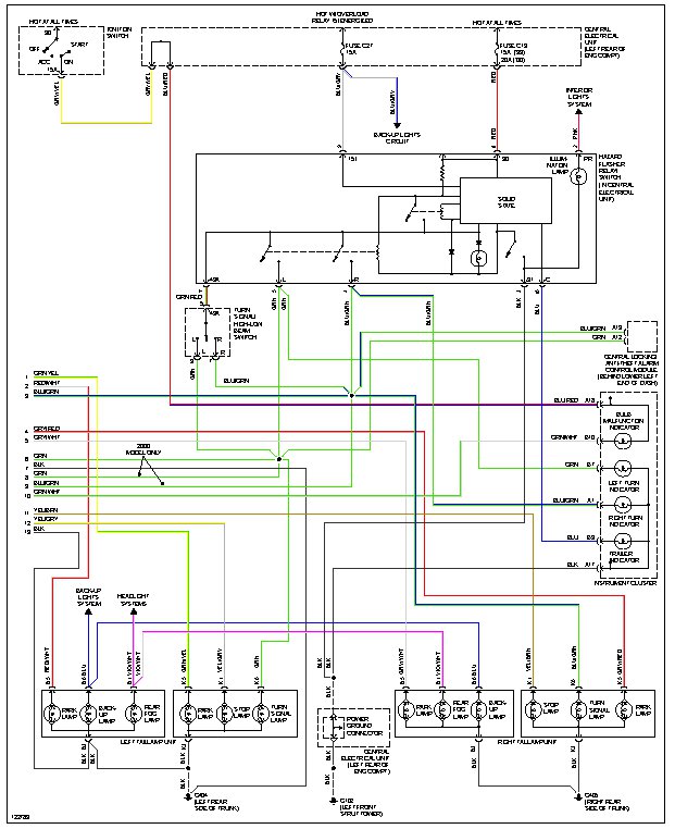
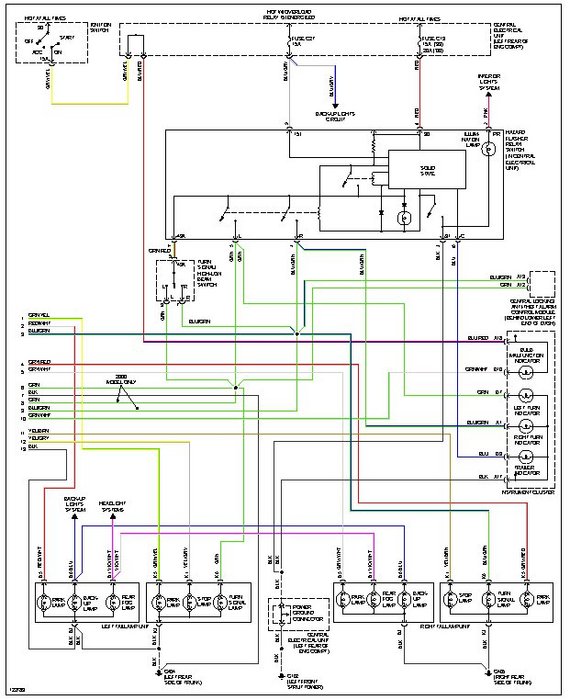
I am providing you with wiring diagrams for the sytems in question. Check them for corrosion and a good fit to bare metal. If you don't find any bad grounds and the problem persists, use the wiring diagram to try and locate grounds that if were not working, the power would find its way to the problem circuits by location, path and consider the material in between. For example power is not going to go through a plast piece to get to a ground.
Was this
answer
helpful?
Yes
No
Wednesday, December 28th, 2011 AT 12:38 AM

Please login or register to post a reply.