HOME
ASK A QUESTION
REPAIR GUIDES
BECOME A MEMBER
LOG IN
Login with Facebook
OR
Remember me
NOT A MEMBER?
FORGOT PASSWORD?
CONTACT US
PRIVACY POLICY
TERMS AND CONDITIONS
☰
Home
Volkswagen
Jetta
Exterior Light
Turn Signal
Flasher
Turn signals and hazard lights dont go on
RUBEN541
MEMBER
1999 VOLKSWAGEN JETTA
I was wondering if anyone can tell me and show me where the turn signal flasher is located
Tuesday, July 17th, 2012 AT 2:41 AM
4 Replies
CJ MEDEVAC
MECHANIC
11,005 POSTS
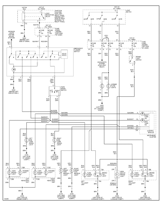
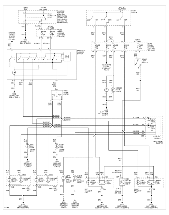
BEST I CAN DO. SOME LOCATIONS OF STUFF IS LABELED
THIS IS "EXTERIOR LAMPS". NO OTHER DIAGRAMS LOOKED RIGHT FOR YOUR NEEDS
I AM NOT FAMILIAR WITH YOUR CAR.I'M MORE IN TUNE WITH JEEP CJs
I SAW YOU HAD BEEN WAITING A WHILE. SO I TRIED
THE MEDIC
Image (Click to make bigger)
Was this
answer
helpful?
Yes
No
Tuesday, July 17th, 2012 AT 3:57 AM
EXOVCDS
MECHANIC
1,883 POSTS
'99 old body style or new body style? (A3 or A4 body style)
Thomas
Was this
answer
helpful?
Yes
No
Tuesday, July 17th, 2012 AT 8:41 PM
CJ MEDEVAC
MECHANIC
11,005 POSTS
I INSTALLED A BATTERY IN A JETTA THIS MORNING AT WORK
I HAD HIM TURN ON HIS TURN SIGNALS
FROM THE BEST I COULD TELL, THE "TICKING" WAS IN THE DASH IN THE VICINITY OF THE TWO INNER HVAC VENTS/REGISTERS ON THE DASH
MAY THE FORCE BE WITH YOU!
THE MEDIC
Was this
answer
helpful?
Yes
No
Tuesday, July 17th, 2012 AT 10:02 PM
EXOVCDS
MECHANIC
1,883 POSTS
If it's a newer body style, the answer is in the wiring diagram. Just say'n.
Thomas
Was this
answer
helpful?
Yes
No
Wednesday, July 18th, 2012 AT 2:39 AM
Please
login
or
register
to post a reply.
Related Turn Signal Flasher Content
Changing A Rear Turn Signal Bulb
96 Vw Jetta Gl-how To Change A Rear Turn Signal Bulb
Asked by
lstockda66
·
2 ANSWERS
1996
VOLKSWAGEN JETTA
1986 Volkswagen Jetta Left Blinker
Last Night I Replaced The Brake Lights And Blinker Bulbs In The Back Of My Car Even Though The Blinker Bulbs Weren't Yet Bad. However Now...
Asked by
mjleigh1110
·
5 ANSWERS
1986
VOLKSWAGEN JETTA
1998 Volkswagen Jetta My Blinkers Arnt Working
I Just Bought A 1998 Jetta K2 Edition And Now My Blinkers Dont Signal On My Dashboard Or On My Back Blinkers Or Front Blinkers. There Is No...
Asked by
circadude
·
2 ANSWERS
1998
VOLKSWAGEN JETTA
Windows And Signal Lights, Ok Tire Says Rely Control...
I Had Put The Car Into Ok Tire The 17th Of Nov 2014 And Went To Pick It Up Tuesday, So I Drove It There Everything Worked Fine I Have Never...
Asked by
raymondroach
·
1 ANSWER
2008
VOLKSWAGEN JETTA
2000 Volkswagen Jetta Blinking Brake Light Indicator...
The Dashboard Display Light Reading Brake Comes On And Blinks While I Am Driving. Also, At Intervals A Beep, Beep, Beep, Beep Is Heard...
Asked by
e.david.palmer
·
1 ANSWER
2000
VOLKSWAGEN JETTA
VIEW MORE
Ask a Car Question. It's Free!
Turn Signals Blink Fast
How to Use a Test Light
Headlight Dim or Dull