Monday, April 28th, 2014 AT 2:22 PM
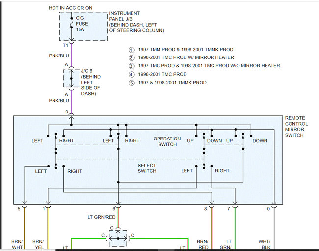
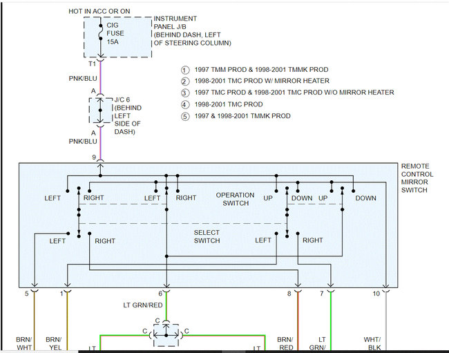
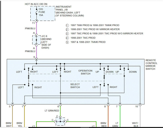
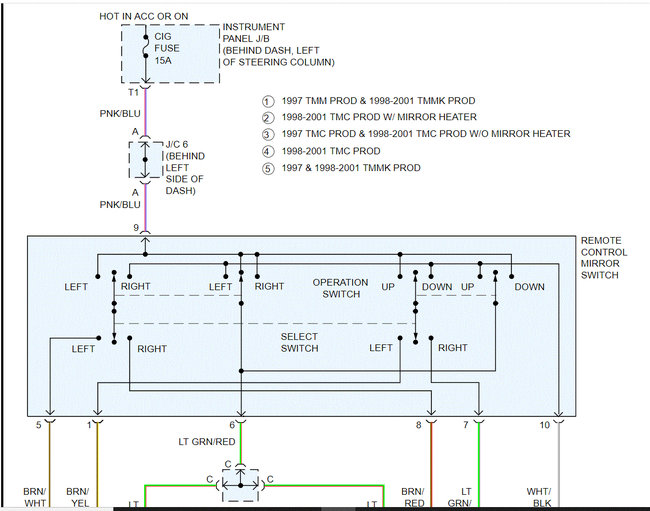
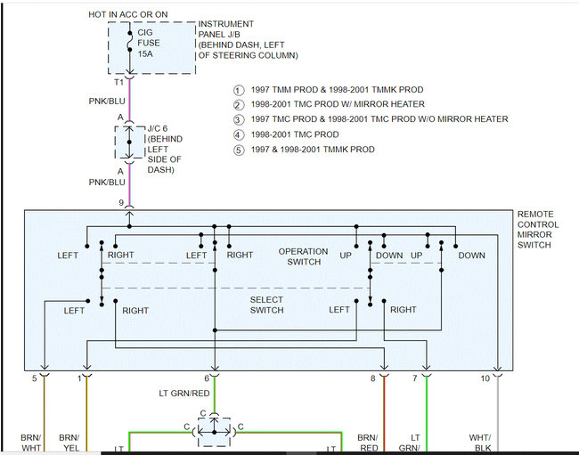
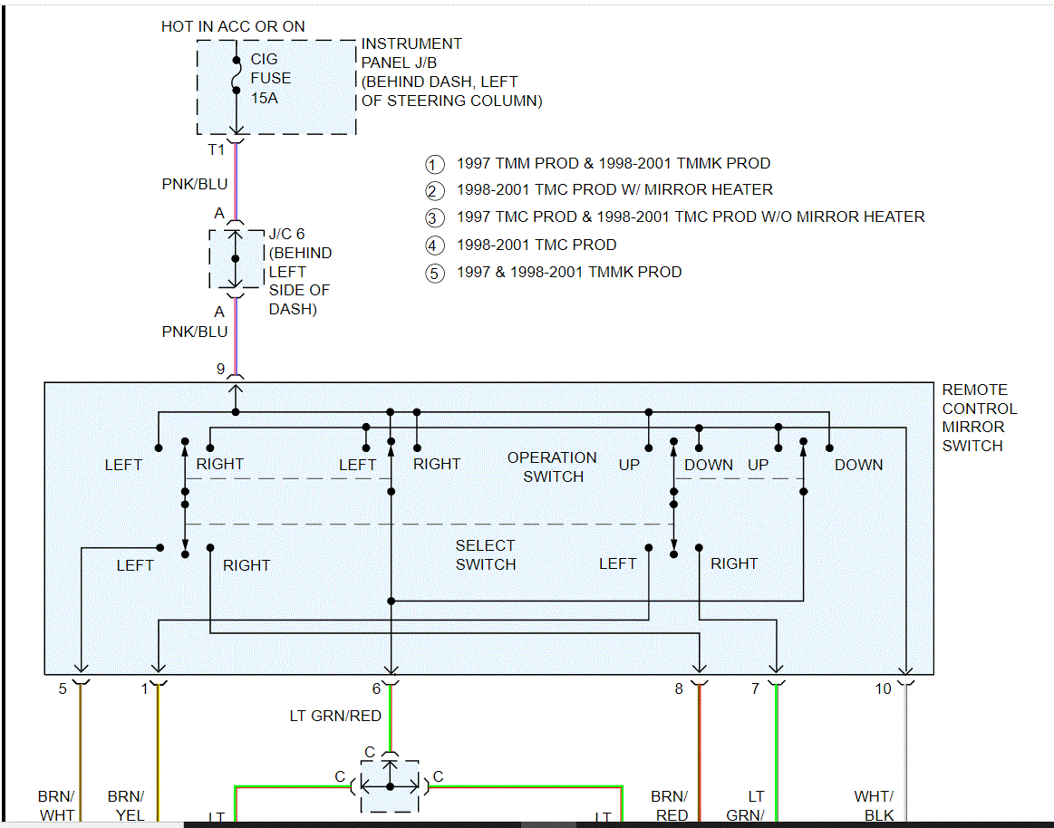
I have bought AE replacement Kool Vue mirror for this car. Unfortunately, I have started replacing the broken mirror after spending money to paint the replacement. Only then I've realized, that wiring is different:5 prong mail connector on the original and 3 pin female on the replacement.I wonder if it is still possible to keep the replacement by properly wiring it. Are there electrical diagram for both mirror types that would help?


