Tuesday, November 6th, 2012 AT 7:33 AM
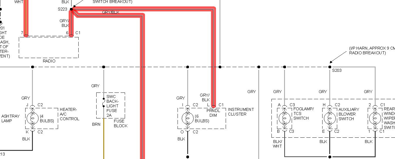
No dashboard lights, no running lights in back, brake lights work, turn signals work, reverse lights work. Lights all flash when doors are locked with keyfob




