HOME
ASK A QUESTION
REPAIR GUIDES
BECOME A MEMBER
LOG IN
Login with Facebook
OR
Remember me
NOT A MEMBER?
FORGOT PASSWORD?
CONTACT US
PRIVACY POLICY
TERMS AND CONDITIONS
☰
Home
Oldsmobile
Alero
Climate Control
Blower Fan
Speed
1999 Oldsmobile Alero heating
HARRYFOX
MEMBER
1999 OLDSMOBILE ALERO
2.4L
4 CYL
AUTOMATIC
15,000 MILES
The heating is only working on high
the blower is working and is giving heat
Saturday, January 10th, 2015 AT 1:20 PM
4 Replies
MHPAUTOS
MECHANIC
31,937 POSTS
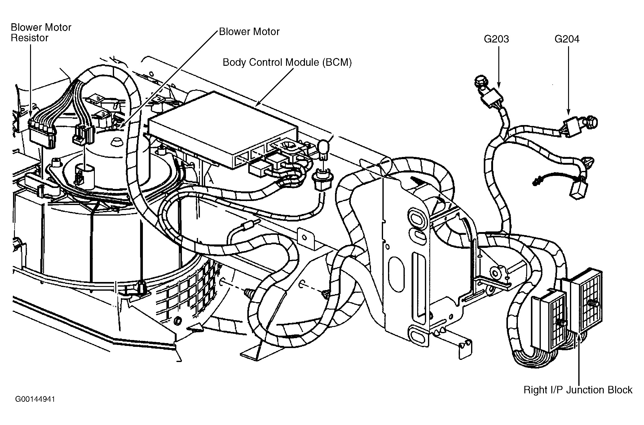
You will probably have a burnt out fan resister
Was this
answer
helpful?
Yes
No
Saturday, January 10th, 2015 AT 2:12 PM
MHPAUTOS
MECHANIC
31,937 POSTS
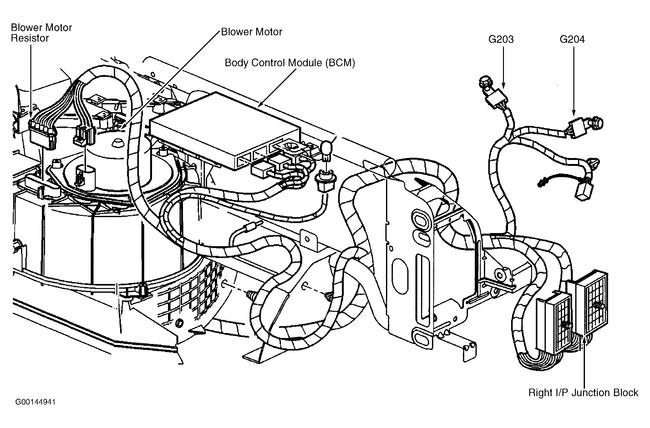
Sorry pushed submit to soon, it is located on top of the blower motor see pic.
Image (Click to make bigger)
Was this
answer
helpful?
Yes
No
Saturday, January 10th, 2015 AT 2:13 PM
HARRYFOX
MEMBER
5 POSTS
Thank you very much we will try that
you have been a good help
Was this
answer
helpful?
Yes
No
Saturday, January 10th, 2015 AT 3:49 PM
MHPAUTOS
MECHANIC
31,937 POSTS
Hope that all it is, re post if you still need help
Was this
answer
helpful?
Yes
No
Saturday, January 10th, 2015 AT 4:10 PM
Please
login
or
register
to post a reply.
Related Blower Fan Speed Content
2001 Oldsmobile Alero Heater Fan Has Lost Low Speeds...
The Heater Fan Has Lost Low Speeds / Only High Works Could This Be The Switch Or The Fan Its Self?
Asked by
Bruce Swarts
·
10 ANSWERS
1 IMAGE
2001
OLDSMOBILE ALERO
Switch Only Works On High Fan Speed?
Switch Only Works On High Fan Speed. This Switch Was Replaced During The First Year. I Need To Know How To Get The Switch Out So I May...
Asked by
mnkjah
·
1 ANSWER
5 IMAGES
2001
OLDSMOBILE ALERO
2003 Oldsmobile Alero Heater Blower Motor
Heater Problem 2003 Oldsmobile Alero 4 Cyl Manual The Heater Blower Has 5 Speeds But Only Works On High, Y?
Asked by
Albowski
·
1 ANSWER
2003
OLDSMOBILE ALERO
1999 Oldsmobile Alero Problems With Blower Motor
Heater Problem 1999 Oldsmobile Alero 4 Cyl Two Wheel Drive Automatic I Replaced The Blower Motor, Resistor, Fuses And Relay For The...
Asked by
bigstaff00
·
2 ANSWERS
1999
OLDSMOBILE ALERO
Blower Does Not Work And Electrical Issues
A/c Blower Does Not Work; Radio Turns On On Accessories, But Not When Engine Running And Goes On When Engine Is Turned Off; Power Windows...
Asked by
irlefty
·
1 ANSWER
2 IMAGES
2004
OLDSMOBILE ALERO
VIEW MORE
Ask a Car Question. It's Free!
How to Use a Test Light
How to Replace the A/C Blower Motor
How to Vacuum Down and Recharge Your A/C