Tuesday, July 19th, 2011 AT 9:32 PM
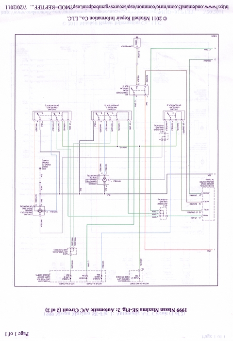
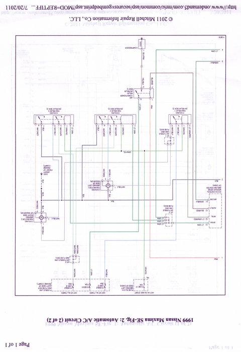
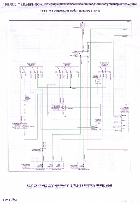
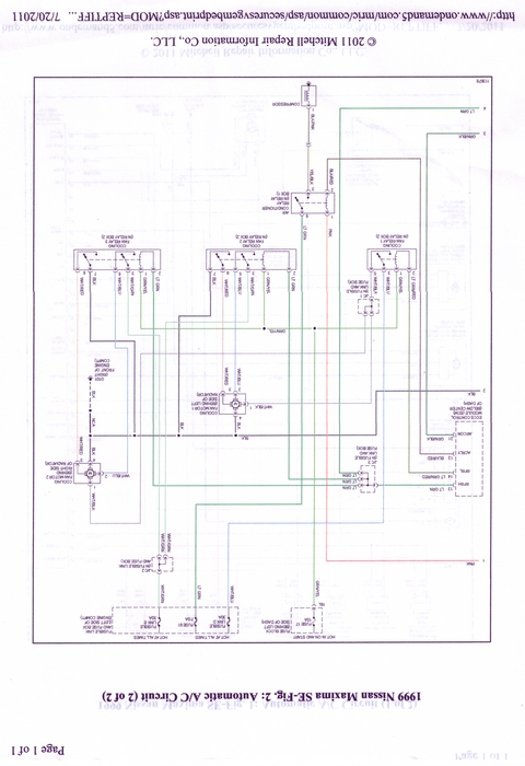
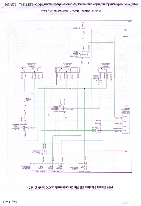
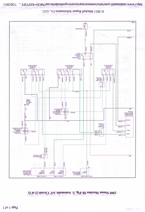
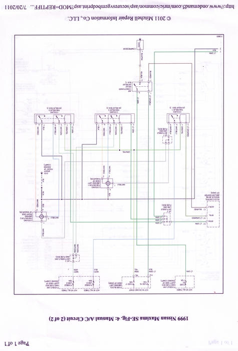
My Nissan Max 1999 Heater and Blower unit is not giving out any air. The blower is working on all four. I changed the blend door motor because the first one was not moving. I am having the same problem again it is not moving. I did a continuity test on the line going to the motor and it is ok. When I first put power to it the motor moved in the open position but did not moved back to the close position until I place and external ground on the black wire with the yellow stripe coming from pin 20 0n the back of the control unit. I thought I had it fix so I put the dash back together and now no air is coming out of the system and the blend door is not opening again. There are three wires going to the blend door on the bottom of the white unit the white one with small silver dots on it is hot on ignition, the blue wire with the white strip and the silver dots coming out of the control unit from pin 8 and going to the blend door motor is also hot on ignition- is this correct? The black with yellow stripe and silver dots I think that is ground and that is the one I place an external ground on to close the motor. I would like to know if you can tell me the power sequence of these wires which ones are suppose to hot and from where the power comes from. Also can you provide me a wiring diagram of this unit or where to look for one. Also is there a possibility that the evap could be block and no letting the air blower through. I am in Florida and it is hot with no ac. Thank you for your attention. My telephone number is 12393694324. Any help appreciated. Trevor









