how much would it cost to have a battery kill switch installed inside the car cabin ?

1999 MERCURY SABLE
10,400 MILES
Avatar
RICHIENEK
  • MEMBER
  • 3 POSTS
I need to fix a parasitic draw on my car battery
Jun 12, 2012 at 12:22 AM
Advertisement
Repair Safety Notice: This information is for general instructional purposes only. Vehicle repair can be dangerous. Verify all information, follow manufacturer service procedures, use proper tools and safety equipment, and consult a qualified repair shop when needed.
Avatar
ASEMASTER6371
  • AUTOMOTIVE REPAIR CONTRIBUTOR
  • 52,796 POSTS
why dont you have the draw repaired??

the kill switch is about 35. it makes better sense to fix the issue as you re set everything when you take away power.

Roy
Jun 12, 2012 at 12:32 AM
Avatar
RICHIENEK
  • MEMBER
  • 3 POSTS
Thanks Roy. I've seen posts for fault isolating the draw. I might narrow it down to a particular fuse, but checking the circuits controlled by that fuse is probably beyond my ability. My repair guy said it could take him 5 minutes or 5 days, that they are difficult to find. You have any suggestions, or can you refer me to a really good post or two ?

Rich
Jun 12, 2012 at 3:26 AM
Advertisement
Avatar
CJ MEDEVAC
  • AUTOMOTIVE REPAIR CONTRIBUTOR
  • 11,004 POSTS
MIGHT NOT BE SO BAD!

YOU ARE LOOKING AT A $5 TO $20 VOLTMETER---IN SOME CASES A CHEAP TEST LIGHT MIGHT DO THE TRICK.
ONCE YOU ISOLATE THE "FUSE" OR REALLY THE "CIRCUIT", WE COULD POSSIBLY SEND YOU A WIRING DIAGRAM OF WHAT COMPONENTS ARE "IN" THAT CIRCUIT.....DOING THIS MIGHT SHOW A RELAY OR OTHER CHEAP DEVICE AS BEING THE PROBLEM.

OVER TIME, I HAVE LEARNED, IN SEVERAL CASES, THAT A "BAD ALTERNATOR" HAS BEEN THE PROBLEM. WHILE CHECKING FOR THIS POSSIBILITY. THE "PARASITIC DRAIN" NORMALLY MADE THE VEHICLES "UN-START-ABLE" EACH MORNING---THEY COULD BE RECHARGED OF JUMPED OFF AND WOULD RUN.

THE ACTUAL "TEST" FOR THIS (FOR ME) HAS BEEN TO PARK THE FULLY CHARGED VEHICLE, THEN REMOVE ALL OF THE WIRES FROM THE ALTERNATOR AND INSURE NONE ARE TOUCHING ANYTHING ELSE. LET IT SIT OVERNIGHT OR LONGER. IN MOST CASES, I COULD START THE CAR WITHOUT EVEN RECONNECTING THE ALTERNATOR, THUS PROVING THE ALTERNATOR WAS THE DRAIN, SIMPLY BECAUSE THE BATTERY "SURVIVED" THE NIGHT, AND REMAINED CHARGED.

THIS IS SOMETHING TO TRY BEFORE SNATCHING IT OFF AND HAVING IT TESTED AT A POPULAR AUTO PARTS STORE, OR NEEDLESSLY BUYING A NEW ONE.

THE MEDIC
Jun 12, 2012 at 10:42 AM
Avatar
RICHIENEK
  • MEMBER
  • 3 POSTS
"ONCE YOU ISOLATE THE "FUSE" OR REALLY THE "CIRCUIT", WE COULD POSSIBLY SEND YOU A WIRING DIAGRAM OF WHAT COMPONENTS ARE "IN" THAT CIRCUIT.....DOING THIS MIGHT SHOW A RELAY OR OTHER CHEAP DEVICE AS BEING THE PROBLEM."

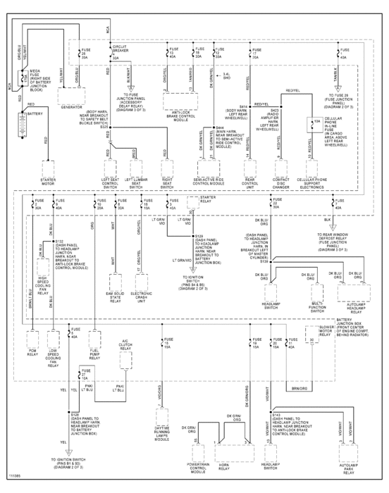
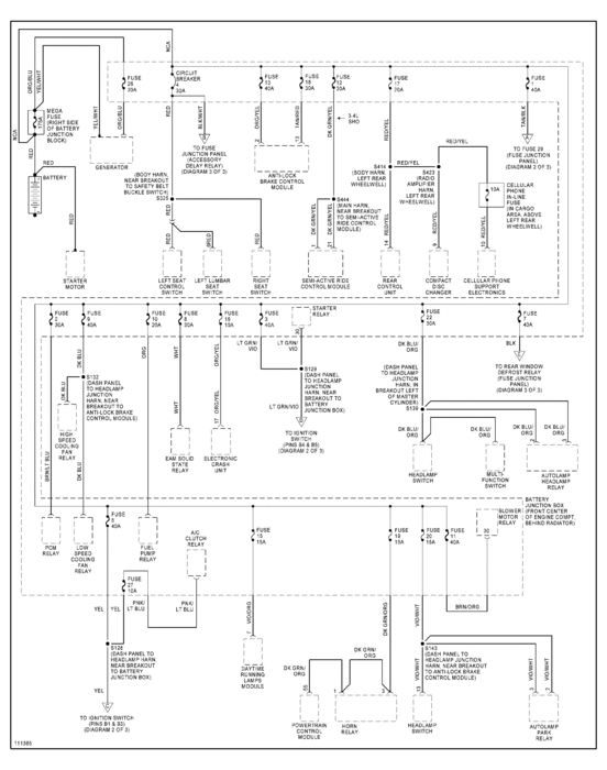
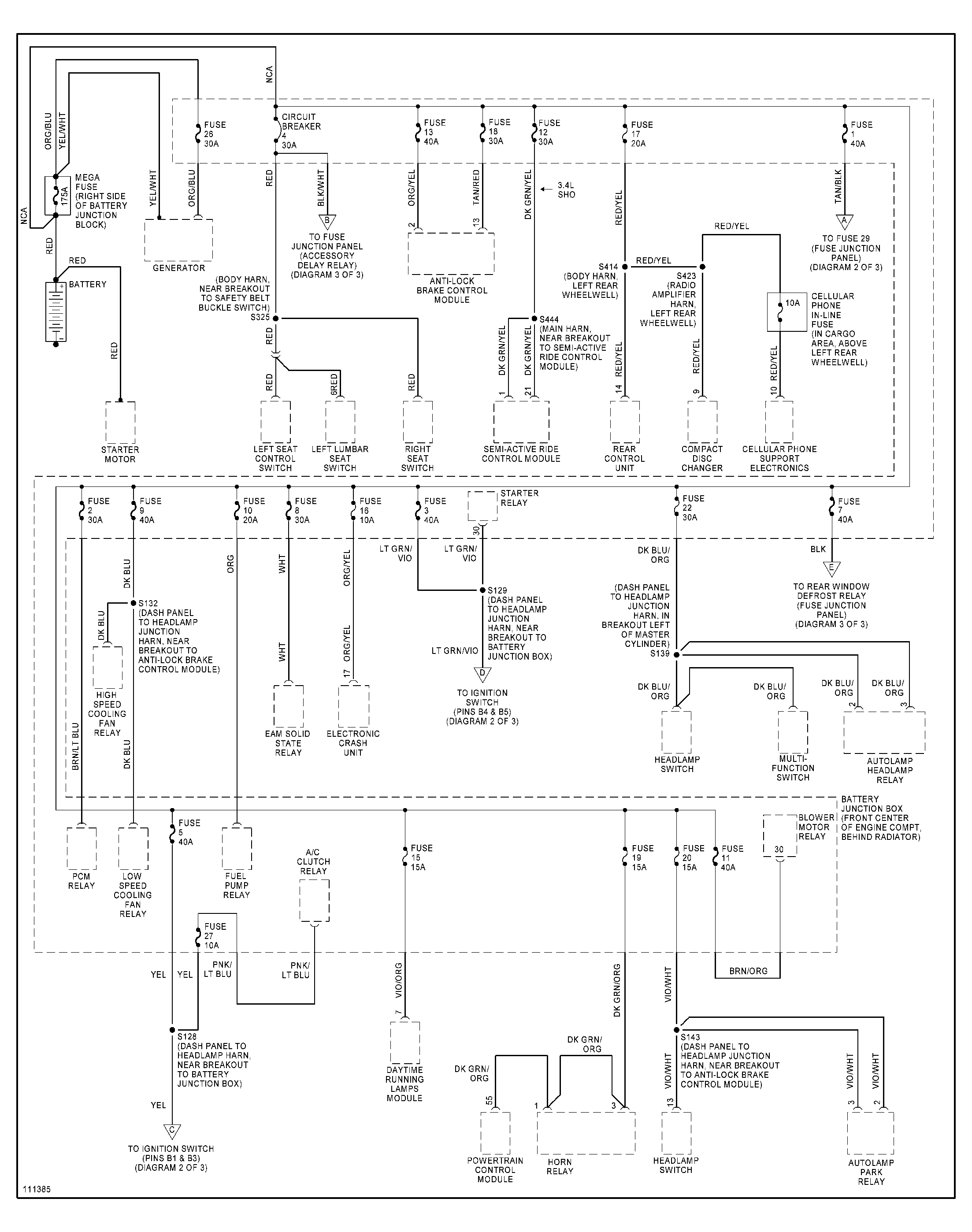
Ok, I did better than I thought. Inside the power distribution box located under the hood, I isolated the problem to fuse #1, a 40A "maxi-fuse" that supports only the "Fuse Junction Panel". When I pull this fuse, the 1.8 amp draw disappears. Additionally, I started the car with this maxi-fuse removed and my radio didn't work (and oddly, my blower fan was on). I think I'm closer, can you suggest next steps ?
Jun 12, 2012 at 5:13 PM
Advertisement
Avatar
CJ MEDEVAC
  • AUTOMOTIVE REPAIR CONTRIBUTOR
  • 11,004 POSTS
SORRY, I DID NOT GET A NOTIFICATION YOU HAD REPLIED--I SORTA STUMBLED BACK ON TO YOU WHILE I WAS SURFING

I HAVE FOUND 3 DIAGRAMS (THERE ARE MANY MORE FOR SPECIFIC SYSTEMS)---THE 3 I HAVE ARE "POWER DISTRIBUTION"

THE 1ST DIAGRAM SHOWS FUSE ONE AT THE TOP RIGHT---SAYS THAT DIAGRAM 2 IS WHAT IT CONTROLS.......I JUST GRABBED DIA 3 CAUSE IT WAS THERE!

TELL ME IF YOU CANNOT READ THESE---I CAN MAYBE TELL YOU A "PRIVATE" WAY TO GET THEM TO YOU WITHOUT YOU BLURTING OUR PRIVATE INFO IN OPEN FORUM....THEY ARE "CRISP" IN MY DOWNLOADS (I KEEP 'EM A WEEK OR SO BEFORE I DELETE THEM)......I DO NOT HAVE A CLUE HOW LEGIBLE THEY ARE ON 2CARFELLERS TILL THEY POST.

THIS MAY AID YOU IN ISOLATING CIRCUITS

RECENTLY MY FRIENDS PWR SEAT RELAY "STUCK" PUSHING THE SEAT BACK...AS IT COULD ONLY PUSH SO HARD, THE CIRCUIT BREAKER WOULD TRIP, IT WOULD COOL DOWN AND PROVIDE PWR TO THE SEAT MOTOR ONCE AGAIN.....THIS CYCLE CONTINUED EVERY NIGHT UNTIL THE BATTERIES WERE DEAD......WE DID NOT DISCOVER IT UNTIL WE FINALLY GOT AROUND TO SNATCHING THE CIRCUIT BREAKER.....AFTER HAVING SNATCHED ABOUT 100 FUSES

WHAT I'M SAYING IS, IT MAY NOT BE AN EZ PROCESS

LET ME KNOW SPECIFIC SYSTEMS--IF YOU CAN NARROW IT DOWN FURTHER, I'LL TRY TO FIND A DIAGRAM

THE MEDIC
Jun 16, 2012 at 12:47 AM