Tuesday, January 14th, 2014 AT 2:49 PM
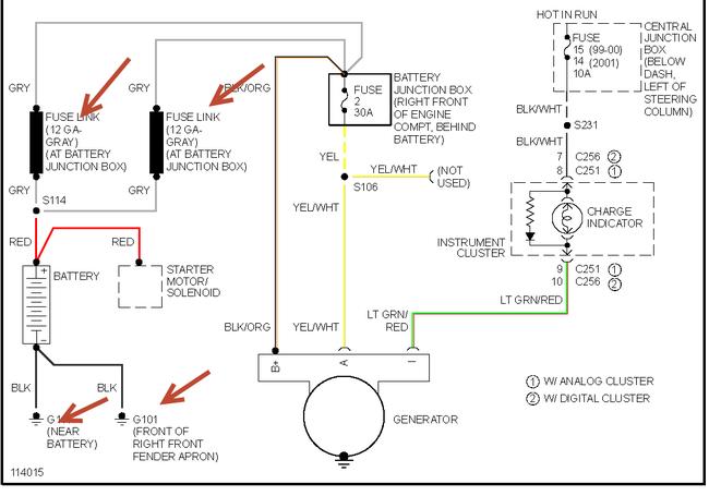
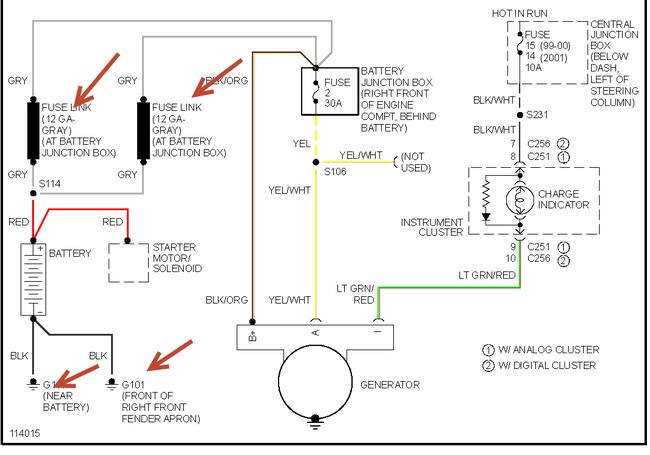
When I start the car everything seems to work fine but when I push the gas pedal the temperature control, turn signals and interior lights stop working. Sometimes when I am slowing to stop a light they all come back on but as soon as I start to accelerate they will shut off again. After this happened for a few days, I went out to start the car in the morning and the battery was dead. I have replaced the battery and it is still happening.




