Sunday, November 27th, 2011 AT 10:24 PM
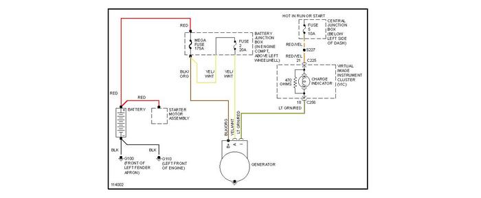
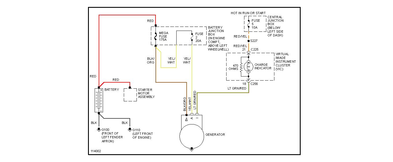
Bought a new alternator and battery changed the fuse to the alternator and the battery still doesn't hold the charge whats wrong. The alternator went out on the car and every since then it will not hold a charge I have also checked the fuses and they were good I am so frustrated I need help.



