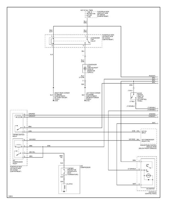
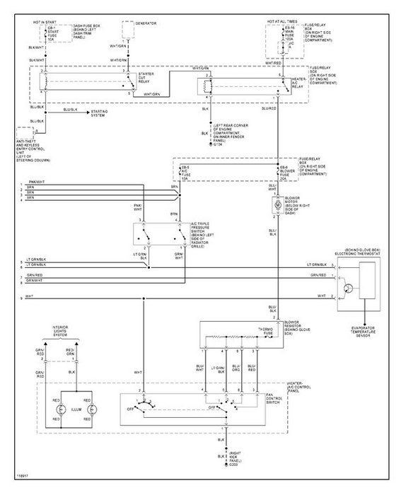
I will like a AC wiring diagram for this double CAB 4X4

Tiny
PRINGLE
  • MEMBER
  • 1999 ISUZU
  • 120,000 MILES
2.8 turbo double cab open back
Wednesday, December 7th, 2011 AT 12:42 AM

5 Replies

Tiny
DRCRANKNWRENCH
  • MECHANIC
  • 3,380 POSTS
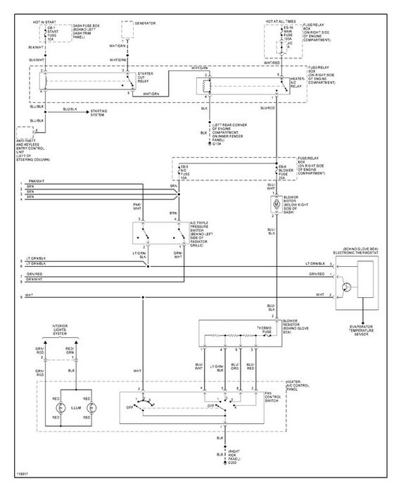
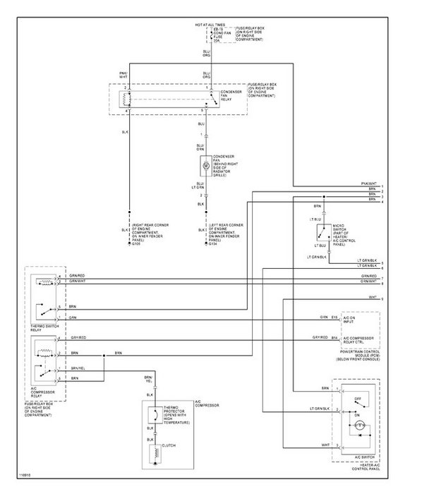
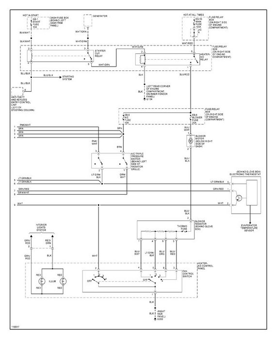
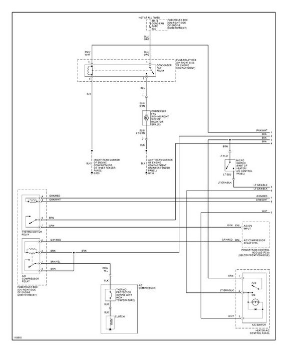
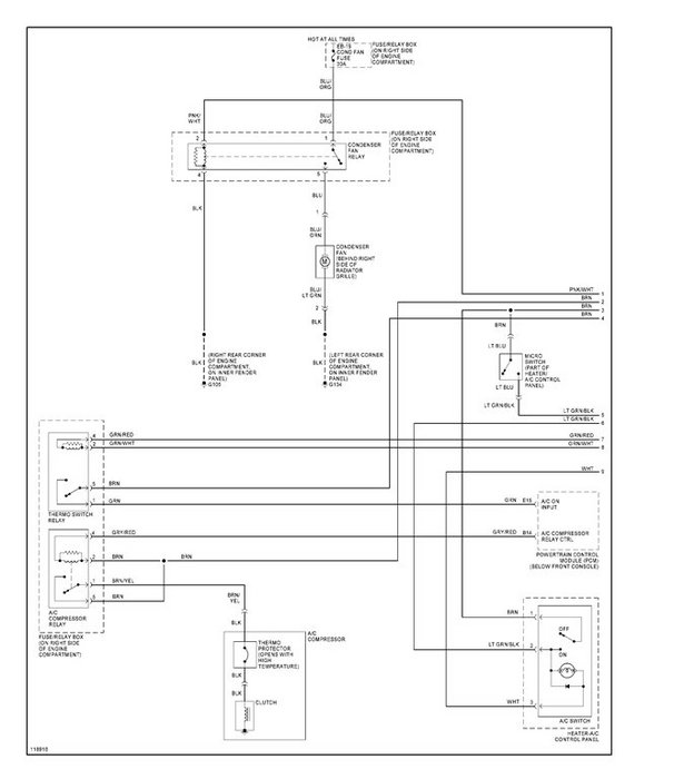
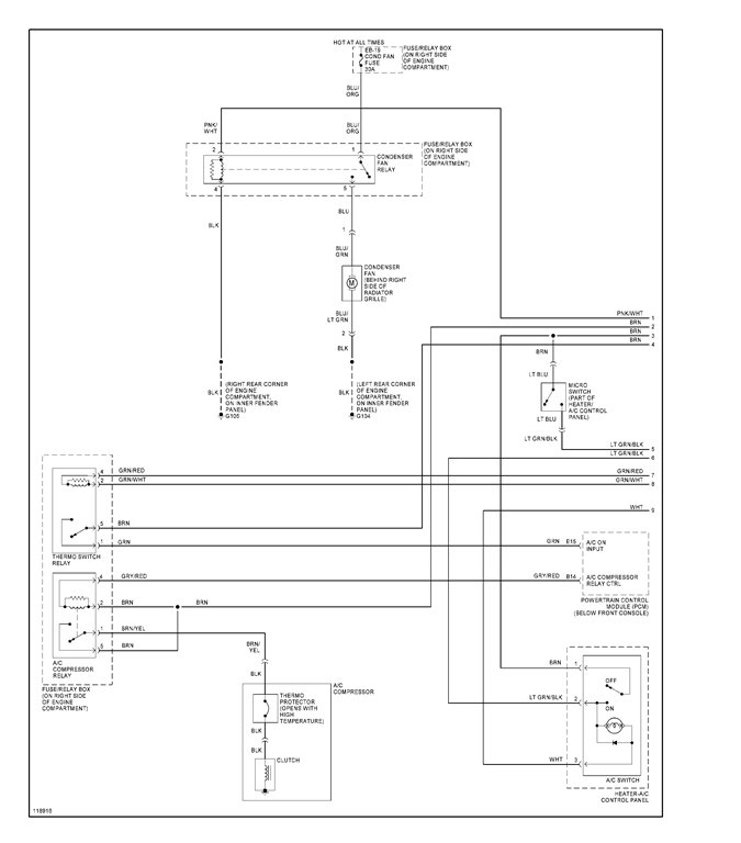
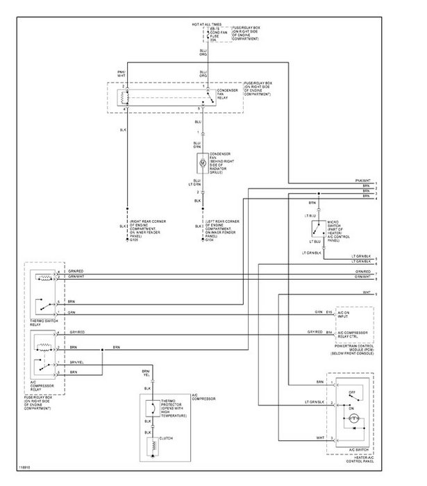
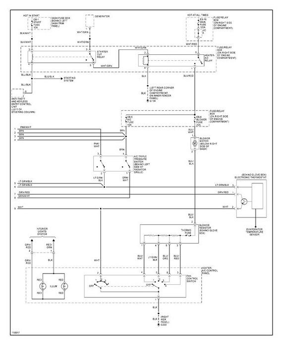
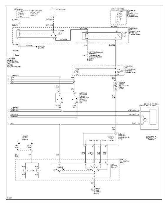
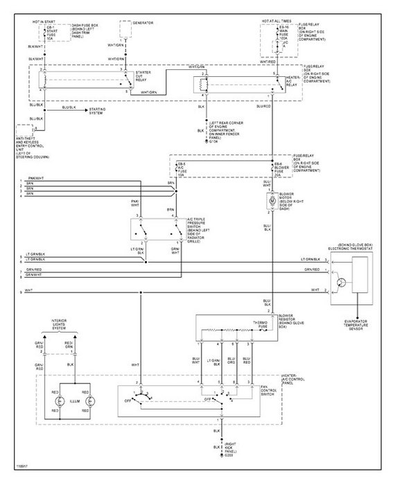
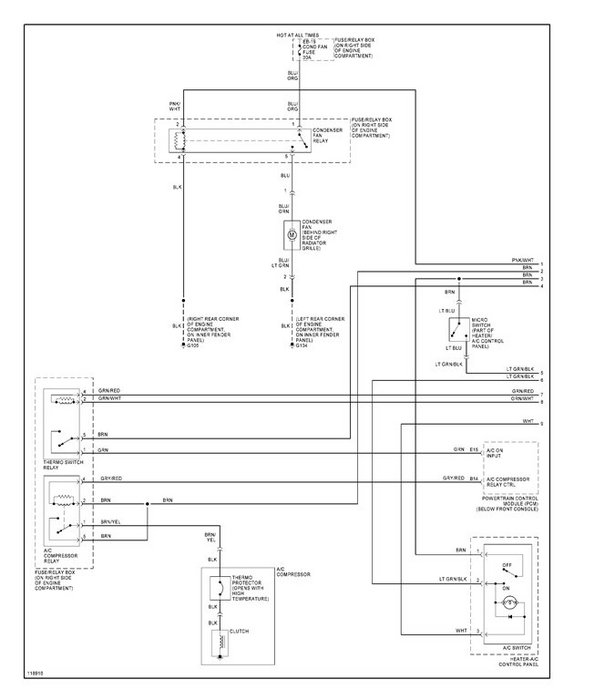
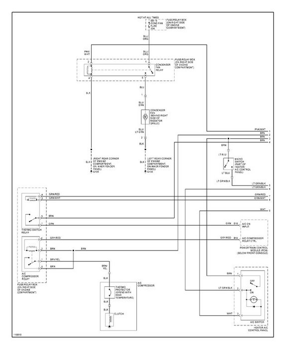
Here are the diagrams you requested. They come out in 2 and are numbered left to right.
Was this
answer
helpful?
Yes
No
Wednesday, December 7th, 2011 AT 12:53 AM
Tiny
PRINGLE
  • MEMBER
  • 20 POSTS
Thanks a lot I will print it an hope it help thanks a million guys for the quick responds merry xmas
Was this
answer
helpful?
Yes
No
Wednesday, December 7th, 2011 AT 1:00 AM
Tiny
DRCRANKNWRENCH
  • MECHANIC
  • 3,380 POSTS
You are very welcome and come back to us anytime you need help or advice.
Merry Christams and a Happy Holidays to you and yours.

Dr. C
Was this
answer
helpful?
Yes
No
Wednesday, December 7th, 2011 AT 2:11 AM
Tiny
PRINGLE
  • MEMBER
  • 20 POSTS
Hi Dr cranknwrench I cant see the diagrams properly when I open them it is very blury so I was wondering if you can email it to me at so maybe I might see them better or if you have another way that they might be more visible thanks doc
Was this
answer
helpful?
Yes
No
Wednesday, December 7th, 2011 AT 2:07 PM
Tiny
DRCRANKNWRENCH
  • MECHANIC
  • 3,380 POSTS
Will do, I am not supposed to but the diagrams are screen captured and different ones are smaller. So, when you blow them up big enough to see the resolution goes away.
I am sending them 12/7/2011 at 1105 CST. So look for them and let me know if you get them. I can't think of a way to get them to look better as I can't give you the link to the diagram.
I hope these work.
Was this
answer
helpful?
Yes
No
Wednesday, December 7th, 2011 AT 5:07 PM

Please login or register to post a reply.