Why wont my electric radiator fans come on? My.

Tiny
ANONYMOUS
  • MEMBER
  • 1999 HONDA CRV
  • 130,000 MILES
Why wont my electric radiator fans come on? My car is over heating
Wednesday, October 17th, 2012 AT 4:06 AM

1 Reply

Tiny
IMPALASS
  • MECHANIC
  • 3,112 POSTS
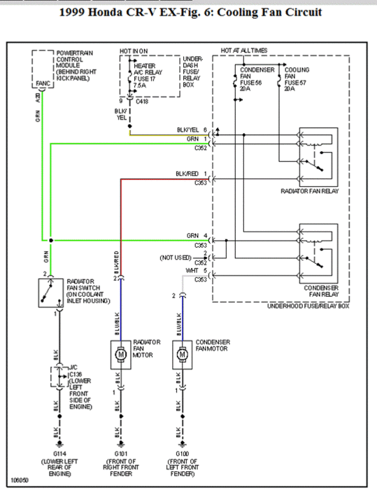
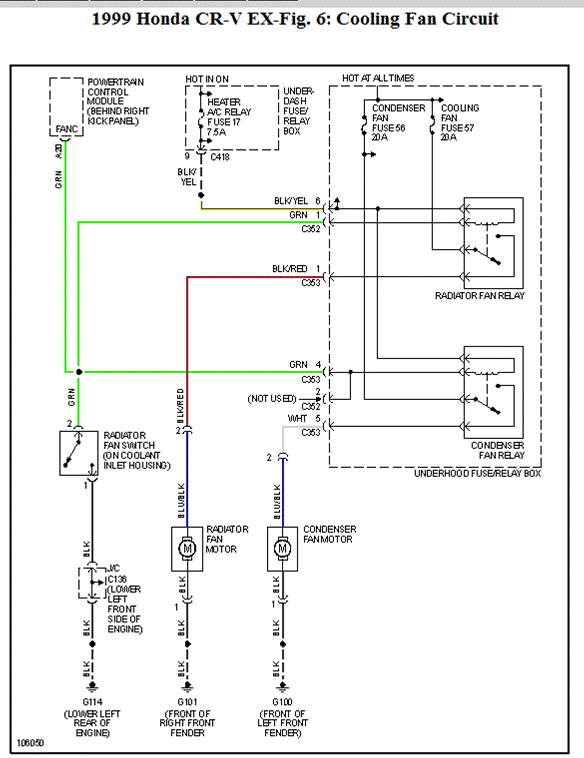
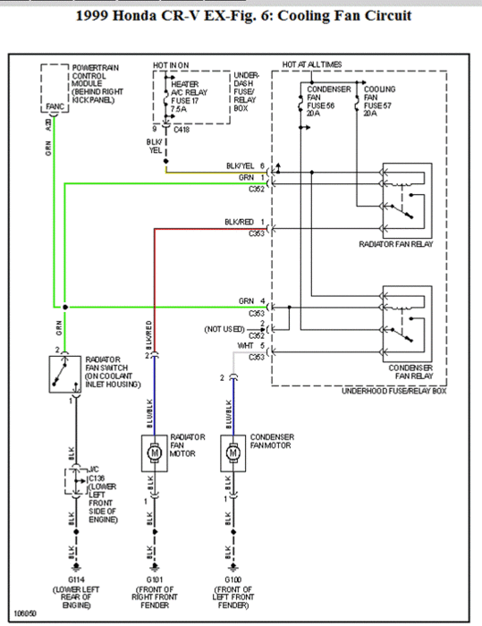
It may be the fan motor. Disconnect 2 pin connector from fan motor. Connect battery power to either fan motor terminal. Connect Ground to the other fan motor terminal. If fan motor does not operate replace motor. It could also be a bad relay and have you checked the fuses.

Check the fuse, then the motor then the relays. Do you have any codes? Do the fans come on with the ac on?
Was this
answer
helpful?
Yes
No
Wednesday, October 17th, 2012 AT 4:12 AM

Please login or register to post a reply.