Tuesday, January 6th, 2015 AT 11:16 PM
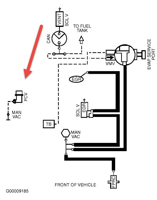
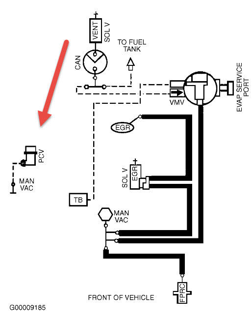
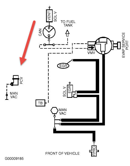
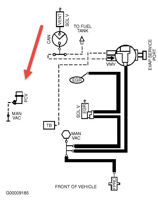
I have a 1999 f150 5.4 v8 triton. Im trying to figure out where a couple hoses go. Its next to the iac valve on the passenger side. There is three of them and im pretty sure one goes to the pcv valve. They are the three at the bottom of the picture



