High beam headlights will not turn off

1999 DODGE DAKOTA
280,000 MILES • 5.3L • V8 • 4WD • AUTOMATIC
Avatar
RAELASUNSHINE
  • MEMBER
  • 1 POST
I have the vehicle listed above that stopped running but high beams were stuck on even if I took out the keys we had to unplug from the battery. We changed the battery and now it starts but the high beams still won't turn off. We've never changed the lights, so I don't think it's a cross wire issue. But possibly corroded wires, maybe a relay or fuse issue? But I'm hoping someone can give me an idea where to start. If it's an easy cheap fix or hard and expensive. I would like to do this myself as funds are low. So please anyone that can help me ASAP please do this is my only vehicle and cannot drive it with high beams on haha. thanks in advance.
Nov 2, 2021 at 10:22 PM
Advertisement
Repair Safety Notice: This information is for general instructional purposes only. Vehicle repair can be dangerous. Verify all information, follow manufacturer service procedures, use proper tools and safety equipment, and consult a qualified repair shop when needed.
Avatar
JACOBANDNICKOLAS
  • AUTOMOTIVE REPAIR CONTRIBUTOR
  • 110,190 POSTS
Hi,

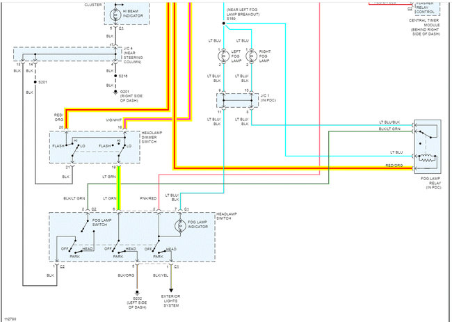
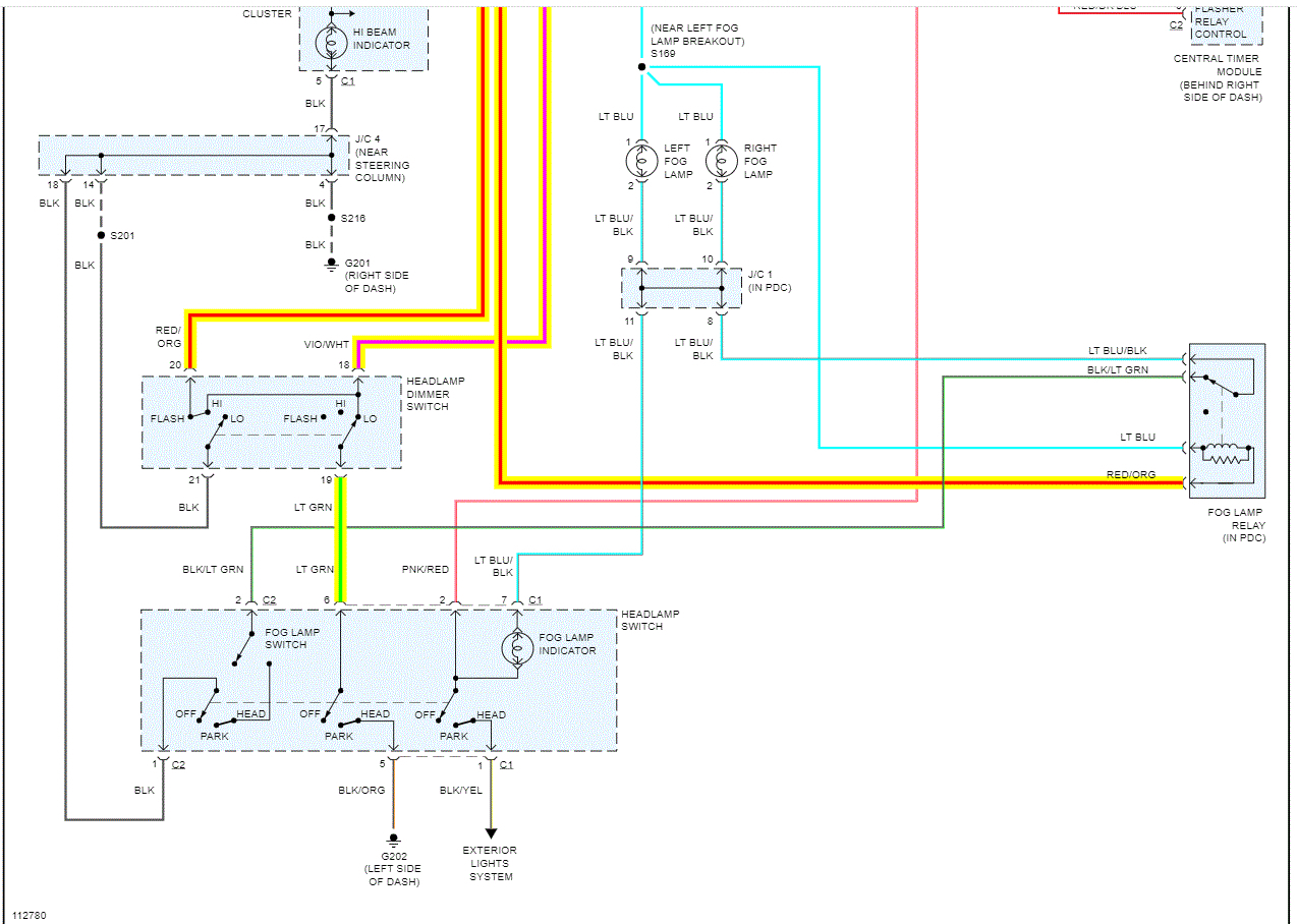
First, the info I'm providing is from a headlamp circuit without daytime running lights. If you do have DRL, let me know.

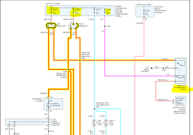
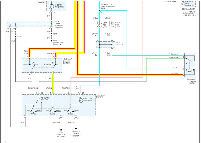
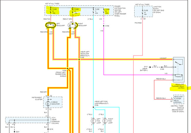
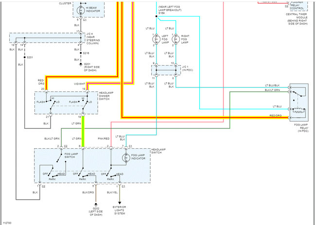
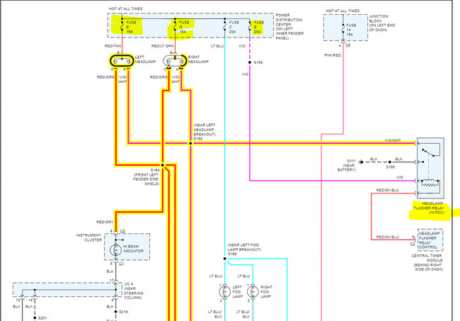
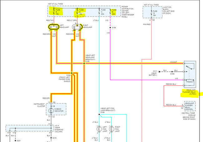
Before I start jumping to replacing parts, I need you to check a couple of things. First, I want you to remove fuses B, G, and E, one at a time from the power distribution box under the hood. When removing them, I need to confirm the lights turn off with them. Fuse B should turn off the left front, and fuse G is for the right side.

If they do, then we know there isn't a short to power. Next, is to check the headlamp flasher relay in the PDC as well. Now, if there is a different relay with the same part number, simply switch them. If there isn't here is a link that shows how to test one.

https://www.2carpros.com/articles/how-to-check-an-electrical-relay-and-wiring-control-circuit

If that is good, remove fuse E in the PDC under the hood to see if the high beam turns off. If it does and the relay is good, and there are no wires shorting to ground, suspect the problem is located in the high/low beam switch. The headlamp switch itself doesn't control the beam. That is done via the dimmer switch.

Note this as well. The system basically works in reverse. Power is supplied to the bulbs first, then it works through the circuit and a ground is provided via the headlamp switch. That is what turns the lights to turn on. With that in mind, a shorted wire after the headlamp bulbs (shorted to ground) will turn the lights on, so make sure to check the wiring closely.

I attached the wiring schematic below. I had to cut it in two, so it is readable for you. I did overlap them.

Pic 3 shows the PDC under the hood.

Let me know what you find or if you have other questions.

Take care,

Joe

See pics below. Also, note there is a violet wire with a white tracer for both lights which is spliced. Look at the connections at each light and you will see it. Make sure that isn't where there is an issue as well.

Nov 3, 2021 at 7:54 PM