I own a 1999 Chrysler Concorde with a 2

Tiny
RICHARDZIRPOLI
  • MEMBER
  • 1999 CHRYSLER CONCORDE
  • 15,800 MILES
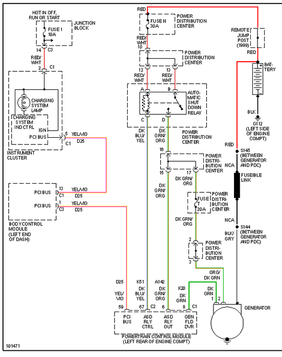
I own a 1999 Chrysler Concorde with a 2.7L engine. My battery light went on recently and the voltage at the jumper terminal is 10.4VDC with the engine running and goes back up to 12VDC. Was told it should be 13VDC and to change the alternator. So I replaced the alternator and found no change in voltage at the terminal. So I checked the voltage at the alternator and saw 30VDC. Now I am completely stumped as to what the problem is. I also would like to get access to the wiring schematic and to identify what components there are in the charging system and there function.
Thanks,
Richard
rczirpoli@hotmail. Com
Tuesday, February 5th, 2013 AT 3:45 PM

2 Replies

Tiny
HMAC300
  • MECHANIC
  • 48,601 POSTS
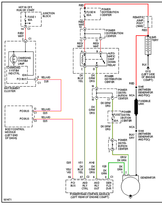
Actually I 'll send the schematic but check the conditionof the batttery first, it may have a bad cell or just not charging. It cold also be sulfated that causes the alternator to go high voltage like yousee. Also load test the battery as well.
Was this
answer
helpful?
Yes
No
Tuesday, February 5th, 2013 AT 4:14 PM
Tiny
RICHARDZIRPOLI
  • MEMBER
  • 2 POSTS
I'll check it out and get back to you.
Was this
answer
helpful?
Yes
No
Tuesday, February 5th, 2013 AT 10:06 PM

Please login or register to post a reply.